Las llaves unilaterales de silicio, abreviadamente SUS (Silicon Unilateral Switch), son dispositivos semejantes a diodos ideales de 4 capas, con circuito equivalente y símbolos que aparecen en la figura 1.
Nota: Este articulo es de 1989.

Este componente es proyectado para conmutar con una tensión de 8 V y un coeficiente de temperatura de apenas 0,02%/ºC. Un terminal de compuerta (gate) está previsto para compensaciones externas y también para fijar tensiones de disparo más bajas, además de obtener formas de ondas libres de transitorias.
EI 2N4987 y 2N4990 son SUS fabricados por GE, además de otros, con la cubierta que aparece en la figura 2.

Sus principales características son:
Disipación máxima de potencia: 300 mW
Tensión inversa de pico máxima: -30 V
Corriente DC directa máxima: 175 mA
Corriente DC de gate máxima: 5 mA
Características eléctricas (25ºC): ver tabla 1

En la figura 3 damos un gráfico de las características estáticas del SUS.

Algunas curvas para los tipos citados aparecen en la figura 4.

Circuitos prácticos
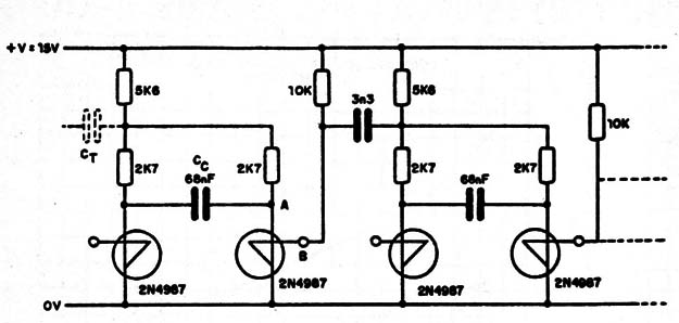
Divisor binario: diversos SUS se puede usar para hacer una cadena de flip-flops que forman el divisor binario de la figura 5.

En la salida B de cada circuito tenemos una señal libre de transitorias.
Control de velocidad para motores: el circuito presentado utiliza un 2N4990 para determinar el punto de disparo del SCR en cada semiciclo de la tensión de alimentación alternante.
El SCR puede ser de cualquier tipo para uso general con corriente de 3 a 6A y disparo en la taja de 200 mA a 1 mA, como los de la serie TIC106, C106 ó equivalente (figura 6).

Generador de pulsos: el circuito de la figura 7 permite que se obtenga un pulso muy agudo a partir de una transición lenta de tensión. Se usa para la obtención del pulso de energía almacenada en un capacitor.

Vea que podemos tanto producir pulsos positivos como negativos, dependiendo de la configuración.
Contador en anillo para lámparas incandescentes: tenemos finalmente un circuito de contador que activa lámparas incandescentes de baja potencia con alimentación alrededor de 7 V (figura 8).

Los transistores citados son de GE, pero pueden ser usados equivalentes como por ejemplo los BC558.
ART087S - 1989



