Taladradoras de placas de circuito impreso, ventiladores del tipo usado en coches, bombas de agua para sistemas alternativos operan con 12 V exigiendo una pequeña fuente si se utilizan con alimentación desde la red. Describimos un circuito para ello. Otros se recogen en los artículos ART713S y ART714S.
Podemos tener varias configuraciones posibles para alimentar un motor de 12 V que requiera una corriente pequeña, como máximo de 1 A.
Para las aplicaciones en las que deseamos controlar la velocidad de una forma más precisa, podemos hacer uso de un control PWM.
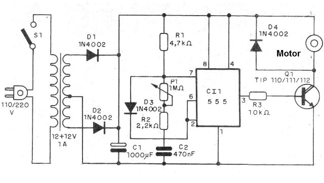
Así, la configuración simple que damos a continuación hace uso de un circuito integrado 555 generando pulsos, cuya separación determinará la corriente media en el motor y también su velocidad.
Los pulsos generados por el 555 y controlados por P1 se aplican a la base de un transistor de potencia que alimenta el motor.
Los transistores recomendados pueden ser tipos de por lo menos 3 A de corriente de colector, como el TIP41 o 2N3055.
El circuito completo se muestra en la figura 1 y hace uso de un transformador de 12 V con 1 A de corriente.

El lector puede agregar un fusible de 1 A en la entrada y montar el conjunto en una caja de plástico o madera.
En el montaje, observe la posición del circuito integrado y del transistor así como la polaridad de los diodos y de los capacitores electrolíticos que son del tipo para 25 V o más.
El transistor de potencia debe estar dotado de un disipador de calor.
El resistor es de 1/8 W con cualquier tolerancia y el transformador tiene primario de acuerdo con la red de energía.
Diodos como el 1N4004 también se pueden utilizar.
Observe que el sentido de rotación del motor alimentado depende de la polaridad de la alimentación.
Si el motor no llega a la velocidad máxima deseada, reduzca el valor de R3.
Este componente puede tener un valor mínimo de 1 k ohmios.
CI1 - 555 - circuito integrado
Q1 - TIP41 o 2N3055 - transistores NPN de potencia
D1, D2, D3 y D4 - 1N4002 - diodos de silicio
P1 - 1 M ohms - potenciómetro de hilo
R1 - 4k7 ohms - resistor - amarillo, violeta, rojo
R2 - 2k2 ohms - resistor - rojo, rojo, rojo
R3 - 10 k ohms - resistor - marrón, negro, naranja
S1 - Interruptor simple
T1 - Transformador - ver texto
C1 - 1 000 uF - capacitor electrolítico
C2 - 470 nF - capacitor de cerámica o poliéster
Varios:
Puente de terminales, caja para montaje, disipador de calor para el transistor, cable de fuerza, hilos, soldadura, etc.



