Taladradoras de placas de circuito impreso, ventiladores del tipo usado en coches, bombas de agua para sistemas alternativos operan con 12 V exigiendo una pequeña fuente si se utilizan con alimentación desde la red. Describimos un primer circuito para ello. Otros se recogen en los artículos ART712S y ART714S.
Podemos tener varias configuraciones posibles para alimentar un motor de 12 V que requiera una corriente pequeña, como máximo de 1 A.
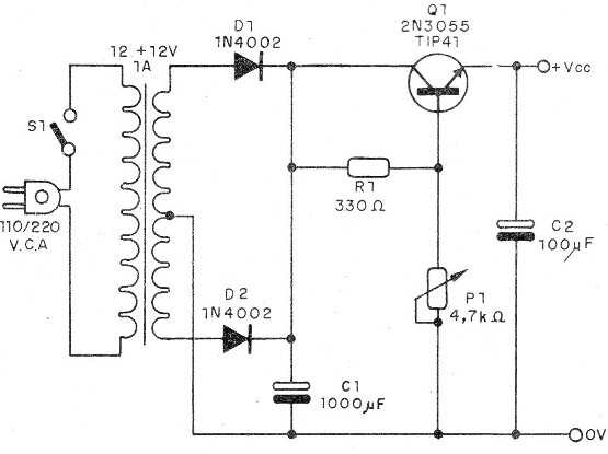
Para las aplicaciones en las que la velocidad no es problema y que podemos tener una fuente con control lineal, una configuración con un transistor sólo que atiende a nuestras necesidades.
Así, el circuito que presentamos utiliza un reóstato con un transistor de potencia que puede ser cualquier NPN para más de 3 A.
Controlando la corriente de base de este transistor, podemos cambiar la corriente en el motor y con ello su velocidad.
El circuito completo se muestra en la figura 1 y hace uso de un transformador de 12 V con 1 A de corriente.

El lector puede agregar un fusible de 1 A en la entrada y montar el conjunto en una caja de plástico o madera.
La disposición de los componentes, utilizando un puente de terminales, se muestra en la figura 2.

En el montaje, observe la polaridad de los diodos y de los capacitores electrolíticos que son del tipo para 25 V o más.
El transistor de potencia debe estar dotado de un disipador de calor.
El resistor es de 1/8 W con cualquier tolerancia y el transformador tiene primario de acuerdo con la red de energía.
Diodos como el 1N4004 también se pueden utilizar.
Observe que el sentido de rotación del motor alimentado depende de la polaridad de la alimentación.
Q1 - TIP41 o 2N3055 - transistores NPN de potencia
D1, D2 - 1N4002 - diodos de silicio
P1 - 4k7 - potenciómetro de hilo
R1 - 330 ohms - resistor - naranja, naranja, marrón
S1 - Interruptor simple
T1 - Transformador - ver texto
C1 - 1 000 uF - capacitor electrolítico
C2 - 100 uF - capacitor electrolítico
Varios:
Puente de terminales, caja para montaje, disipador de calor para el transistor, cable de fuerza, hilos, soldadura, etc.



