Intercalando este aparato entre un instrumento musical (guitarra o guitarra) y el amplificador o aún entre su tocadiscos, cinta de cubierta o sintonizador y el amplificador usted podrá conseguir efectos de sonido 'muy interesantes que son variaciones ritmadas de intensidad. Alimentado por pilas y con características eléctricas que permiten su conexión en cualquier amplificador este Foto Vibrato puede ser montado con facilidad incluso por los principiantes.
El lector puede fácilmente tener una idea de los efectos que este aparato produce aumentando y disminuyendo el volumen de su amplificador rápidamente y varias veces. Se obtienen variaciones de sonido que parecen hacer el sonido "temblar".
Muchos que tocan en conjuntos musicales o que ya han visto de cerca estos conjuntos deben haber notado la obtención de este efecto a través de un pedal, como sugiere la figura 1.

En nuestro caso, no usaremos pedal, y haremos que el circuito sea de acción totalmente automática, funcionando a velocidades que no podrían ser obtenidas con dispositivos puramente mecánicos.
En resumen, además de ser más simple en la configuración general, nuestro circuito es más completo pudiendo tener sus efectos totalmente controlados tanto en frecuencia como en profundidad, y aún haciendo variaciones estereofónicas en que son alternados picos de sonidos en los dos altavoces.
Vea el lector que nuestro foto-vibrato no es útil sólo para los casos en que se intercalado entre instrumentos musicales y amplificadores.
También puede utilizarlo para obtener efectos de voz, en cintas grabadas desde discos o sintonizadores o incluso con discos.
Otra característica importante de este aparato es su facilidad de conexión en cualquier amplificador y la total independencia de su circuito que funciona por acoplamiento óptico.
Esta independencia tiene por características permitir que el foto-vibrato funcione con cualquier tipo de señal en su entrada y pueda ser conectado en cualquier amplificador directamente de la manera más común, sin cambios de circuito.
Así, tenemos una facilidad muy grande de instalación y uso para el aparato que en cualquier momento puede ser intercalado en el equipo de sonido y encendido para obtener los efectos deseados.
Cuando hablamos que se trata de montaje que incluso puede ser hecho por los principiantes, se trata de una manera de decir que este aparato es muy simple y que no ofrece dificultad incluso para los que poca o ninguna experiencia tengan en electrónica.
Se trata, por lo tanto, de un aparato que puede ser montado por los principiantes de la electrónica, sin dificultades, teniendo como información adicional el bajo costo y número reducido de los componentes usados.
COMO FUNCIONA
Para producir las variaciones de intensidad de la señal lo que hacemos es intercalar un circuito de control entre la fuente de señal (guitarra, cinta, tocadiscos, micrófono, etc.) y el amplificador.
Para obtener un control perfecto de estas señales y por lo tanto los efectos deseados el circuito usado debe presentar características especiales entre las cuales citamos:
a) mínimo de influencia en las características de la señal
b) frecuencia estable de acuerdo con los efectos deseados
c) simplicidad de instalación
d) no producción de ruidos o roncos que puedan aparecer en la salida
e) control de la profundidad de los efectos
En la figura 2 tenemos entonces un diagrama de bloques del foto-vibrato por donde nos basar para analizar su funcionamiento.

El primer bloque representa el circuito de control que es responsable de las variaciones de intensidad sonora, estando a su cargo la determinación de la frecuencia del efecto.
Por lo que se dice, se puede concluir que este circuito de control debe poseer alguna especie de oscilador para producir una señal de baja frecuencia.
Absolutamente correcto: el propio circuito de control es un oscilador, en el caso un multivibrador asimétrico sobre el cual tenemos un control de frecuencia de operación hecho por medio de dos controles.
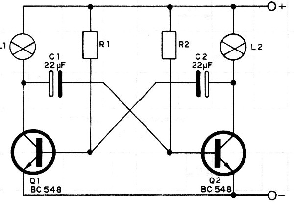
Comenzamos por analizar el funcionamiento de este multivibrador, cuyo diagrama básico se muestra en la figura 3.

Tenemos aquí dos transistores conectados de tal modo que la señal extraída del colector de uno se aplica a la base del otro y viceversa por medio de dos capacitores.
En esta configuración el comportamiento del circuito es tal que en cada instante solamente un transistor puede conducir plenamente la corriente a la vez, y los estados de conducción de los dos transistores cambian continuamente, de ahí ser el circuito denominado "astable".
Así, ligando en los colectores de los dos transistores dos lámparas como carga, vemos que en cada instante solamente una lámpara permanece encendida y que sus estados cambian continuamente, o sea, cuando una enciende la otra apaga, en un ciclo semejante al obtenido por un intermitente intermitente .
Lo que determina la frecuencia de los intermitentes, es decir, el tiempo de encendido de cada lámpara es la constante de tiempo RC dada por el resistor de polarización de base de cada transistor y por el capacitor de acoplamiento.
Esto significa que si en lugar de usar resistores fijos en las bases de los transistores, colocar potenciómetros podemos tener un control independiente para el tiempo de encendido de cada lámpara en un ciclo.
En la figura 4 tenemos entonces una muestra de cómo podemos hacer que una lámpara quede encendida más tiempo que la otra en un ciclo y cómo podemos cambiar simultáneamente la velocidad de las paradas de las dos.

En nuestro diseño práctico, usando un potenciómetro de 5 k (4,7 k) en serie con resistores de 2,2 k podemos tener un control doble de tal manera que la frecuencia mínima sea 3 veces menor que la frecuencia máxima que para la frecuencia máxima nuestro propósito es excelente.
Por supuesto, daremos la posibilidad de cambiar el rango de efectos en una gama mayor de frecuencias: basta con cambiar los capacitores según su voluntad.
En resumen, el circuito de control no es más que un parpadeante de baja frecuencia que alimenta dos pequeñas bombillas incandescentes.
La finalidad de utilizar lámparas en este circuito viene de la propia manera como el control de la intensidad de sonido, en sus variaciones, se hace.
El dispositivo de control utilizado es un LDR o un resorte que depende de la intensidad de la luz que incide sobre una superficie sensible.
En la figura 5 tenemos el símbolo y el aspecto de un LDR.

Cuando en la oscuridad la resistencia del LDR es muy elevada, llegando a megohms para los tipos comunes, pero cuando esta superficie es iluminada, su resistencia cae a punto de llegar a apenas algunos miles de ohms o aún cientos de ohms en algunos tipos.
Pues bien, lo que hacemos en nuestro foto-vibrato es simplemente utilizar el LDR como control de señal, pero, de modo que reciba la luz de nuestro parpadeante.
Así, el LDR se conecta como se muestra en la figura 6, de tal manera que cuando en la oscuridad, la señal pasa de la fuente al amplificador sin encontrar ningún obstáculo, pero cuando se ilumina, el LDR simplemente "cortocircuito" esta señal evitando su señal pasaje.

Al montar entonces el LDR dentro de un pequeño tubo opaco, como muestra la figura 7 junto con la lámpara del intermitente, en los momentos en que se enciende la señal se bloquea y cuando se apaga la señal pasa normalmente.

Como la lámpara parpadea rápidamente, tendremos entonces variaciones automáticas de la intensidad del sonido del amplificador en un efecto bastante interesante, principalmente para instrumentos musicales.
Lo que caracteriza este tipo de control por luz y LDR es la inercia de la lámpara que impide que picos abruptos de tensión ocurran en el amplificador apareciendo como chasquidos. La lámpara al ser alimentada no se enciende instantáneamente, pero tiene su brillo en un aumento algo suave, Lo mismo sucede cuando se apaga, cuando la luz tarda algún tiempo para extinguir tiempo este dado por el enfriamiento del filamento.
Los LED no presentan esta propiedad, afectando un poco el comportamiento del circuito.
El circuito del foto-vibrato admite que el control del sonido se haga en los dos canales o en uno de un amplificador.
Si el sistema es monofónico, basta con usar un LDR solamente, acoplado a cualquiera de las lámparas, y si el sistema es estereofónico, deben usarse dos LDRs en caso de que los alta y bajos del sonido serán alternados.
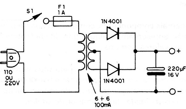
La alimentación de la unidad se puede realizar a través de 4 pilas comunes, pequeñas, medianas o grandes, o bien por una fuente, cuyo diagrama se muestra en la figura 8.

OBTENCIÓN DE LOS COMPONENTES
No hay dificultad alguna para obtener los componentes para este montaje ya que son todos comunes en nuestro mercado, y aún de bajo costo.
Sin embargo, los lectores interesados en el montaje de este aparato deben tener algunos cuidados en el sentido de adquirir las piezas adecuadas para que las anormalidades de funcionamiento no puedan aparecer.
El principal componente que requiere cuidado en cuanto a la elección y que no admite equivalente es la lámpara 7121 D. Se utilizan lámparas que deben ser obligatoriamente de 6V x 50 mA y no pueden utilizarse lámparas de linterna cuyas tensiones pueden ser diferentes y cuyo consumo de corriente generalmente es mucho mayor (de 150 a 250 mA o incluso más), en cuyo caso los transistores de salida sufrir sobre cargas no ocurriendo oscilaciones.
Lámparas de 20 a 50 mA a 6 V pueden utilizarse sin problemas.
Los transistores son los componentes menos críticos para este montaje ya que cualquier NPN de silicio para uso general sirve. Los indicados son los BC548, pero también se pueden comprar los BC547, BC237, BC238 o incluso BC239.
Como estos transistores todos tienen la misma envoltura y disposición de terminales ningún cuidado especial necesita ser tomado a la hora del montaje.
Si, sin embargo, se utilizan equivalentes de diferentes envolturas como el BC108, BC107, el lector debe tener cuidado con la disposición de los terminales.
Los LDR usados pueden ser prácticamente de cualquier tipo ya que sus características poco difieren. Los tamaños en general influyen sólo en la capacidad de corriente lo que no es importante en nuestro caso.
Se da preferencia a los tipos redondos pequeños que se pueden instalar con facilidad en tubos opacos junto con las lámparas.
Los demás componentes, como resistores, capacitores y potenciómetros no presentan ningún tipo de dificultad de obtención. Todos son de valores comunes.
Un problema que puede ser mayor para muchos lectores se refiere a la caja para el montaje. El lector puede utilizar una caja común de plástico o metal, adquirida en tiendas de materiales electrónicos o si no tiene posibilidad, hacer una caja de madera.
La caja debe tener una perforación que admita la colocación de los 4 controles y del interruptor que se conecta en la parte frontal, y aún el lugar para los cuatro jack de entrada y salida en la parte posterior.
Es muy importante que la caja esté bien cerrada para que la luz externa no llegue a los LDRs afectando el funcionamiento del vibrato.
MONTAJE
El lector tiene varias opciones para realizar este montaje ya que el circuito es muy simple y no presenta ningún punto crítico en cuanto a la disposición de los componentes.
Así, para la parte básica del circuito que es el oscilador con el circuito de control se tiene dos opciones: la realización del montaje en puente de terminales o bien en placa de circuito impreso.
En el primer caso el montaje no será tan compacta y su aspecto puede ser excelente, pero la facilidad con que se puede realizar la hace ideal para los principiantes que no necesitarán ningún recurso especial para este propósito.
En el segundo caso se puede obtener un montaje más compacto y de mejor apariencia pero el lector necesitará tener los recursos para la elaboración de la placa, es decir, los productos químicos, el taladro, etc.
Como herramientas recomendamos las comúnmente usadas en este tipo de trabajo: un soldador de pequeña potencia (máximo 30 W), soldadura de buena calidad (60/40), alicate de corte lateral, alicate de punta y destornilladores.
Se debe incluir en esta lista las herramientas necesarias para la elaboración o preparación de la caja para el montaje.
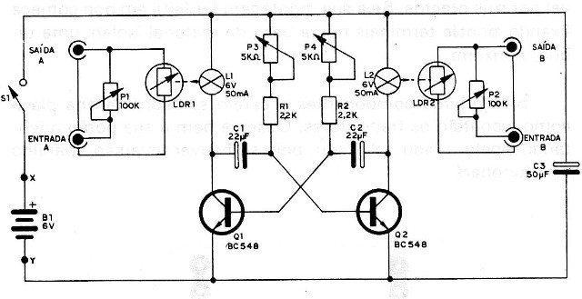
Tenemos entonces el circuito completo del foto-vibrato en su versión estéreo en la figura 9.

Para la versión monofónica basta no usar uno de los potenciómetros y el LDR correspondiente, eliminando también la entrada y salida del canal.
La placa de circuito impreso sugerida para este montaje se muestra en la figura 10.

Para el montaje en puente de terminales, siga la figura 11, fijándola sobre una base de material aislante o bien en la propia caja en que será instalado el conjunto si ésta no es metálica.

Si es metálica, debe hacerse un aislamiento total de la misma en el punto de fijación.
Los componentes más críticos en el caso del montaje en puente son el LDR y la lámpara que deben ser convenientemente fijados para que su movimiento no afecte el funcionamiento del aparato.
A continuación, seguimos una secuencia de operaciones para el montaje que en la medida de lo posible deben ser seguidas, principalmente por los menos experimentados.
a) Comience el montaje por el puente de terminales o por la placa de circuito impreso según sea el caso.
Si su montaje es en placa de circuito impreso, después de listo y perforado, una limpieza en la parte cubierta de la misma antes de iniciar la soldadura con la finalidad de remover el óxido que normalmente se forma y que dificulta la adherencia de la soldadura, siendo responsable por malos contactos.
Si su montaje se monta en puente, comience fijando el puente de terminales sobre una base de material aislante, una tabla, por ejemplo.
b) Los primeros componentes a ser soldados tanto en la placa y en el puente son los transistores. Observe bien su posición orientándose por su lado achatado, pues si hay inversión el aparato no funcionará.
La soldadura de las terminales debe ser hecha rápidamente y con soldadura sólo suficiente para obtener una buena fijación, evitando con ello el exceso de calor que puede afectar a los transistores.
c) A continuación, solde los resistores que deben ser identificados por los anillos coloreados en su cuerpo que indican su valor. Estos componentes no tienen polaridad, es decir, no hay que observar el lado de conexión, pero se debe evitar el exceso de calor que puede causar daño.
d) Para la soldadura de los capacitores electrolíticos C1, C2 y C3, observe bien su polaridad que está marcada en su propia envoltura. Evite también el exceso de calor.
e) Si el montaje es puente, debe hacer la conexión de los emisores de los dos transistores a través de un pedazo de hilo rígido o flexible de longitud suficiente para este propósito.
f) Los próximos componentes que se van a conectar son los LDR y las lámparas incandescentes L1 y L2 que deben prepararse previamente para este propósito. Los LDR y las lámparas deben colocarse en un pequeño tubo opaco como se muestra en la figura 12 y, preferiblemente, se pegan en tal posición.

A falta de un tubo, los dos componentes pueden ser mantenidos en esta posición por medio de cinta aislante que será enrollada para formar este tubo.
Los hilos de conexión a la lámpara pueden ser soldados en su propio zócalo, antes de que sea fijado en el tubo, lo mismo ocurre con los LDR que tendrán los cables de conexión soldados en sus terminales.
Alrededor de 20 cm de hilo para cada uno de estos componentes será suficiente para su conexión al circuito.
g) Con los componentes montados en el puente, fije todos los potenciómetros, los jack de entrada y salida, del soporte de pilas (si lo usa), y de la llave S1.
h) Comience con la interconexión de estos componentes siguiendo las figuras que sirven de orientación. Si los cables de conexión para P1 y P2 son largos, esto puede en algunos causar la inducción de zumbidos.
En este caso usted debe utilizar para este propósito el cable blindado.
i) Para P3 y P4 no es necesario usar cables blindados. Observe que el orden de conexión de los hilos en estos dos componentes sea el mismo para obtener una aceleración de los intermitentes de las lámparas girando los dos en el mismo sentido.
j) Complete el montaje mediante la conexión del soporte de pilas. Un hilo va directo a la placa o puente de terminales, siendo éste el negativo, normalmente negro. El otro, el positivo (generalmente rojo) pasa antes por la llave S.
Completado el montaje, usted puede instalar definitivamente el aparato en su caja, preparándose entonces para una prueba de funcionamiento. Compruebe antes todas las conexiones.
PRUEBA Y USO
Usted puede experimentar su foto-vibrato usando cualquier fuente de señal que normalmente se conecta a su amplificador. Puede ser su reproductor de discos, la salida de su radio portátil o grabadora, un sintonizador de FM, una cubierta de cubierta, o el captador que utiliza con su guitarra o guitarra.
La conexión de estos aparatos se realiza desconectando de la entrada del amplificador y en su lugar conectando la salida del foto-vibrato. El aparato que se ha apagado se conecta en la entrada correspondiente a la imagen vívida, como se muestra en la figura 13.

Con la foto vibrato conectada, en principio apagado, coloque y funcione el amplificador y la fuente de señal del mismo, es decir, accione el tocadiscos, sintonizador, etc. Estos aparatos deben funcionar normalmente incluso con el foto-vibrato apagado.
Ajuste para este propósito los controles P1 y P2 que dan paso a las señales de estos aparatos al amplificador.
Una vez puesto en funcionamiento, encienda S1. Ajuste entonces P4 y P1 para obtener variaciones en la frecuencia deseada. Al conectar S1, las lámparas deben parpadear alternativamente. Si esto no sucede, intente ajustar P3 y P4 y si aún no consigue nada, compruebe las conexiones, ya que debe haber algo mal con el montaje.
Con las lámparas parpadeando, si la conexión es estereofónica, ajuste en P1 y P2 la profundidad del efecto. Si es monofónico, ajuste un potenciómetro solamente.
En la figura 14 se muestra la conexión a la versión estereofónica.

Una observación importante necesita ser hecha en relación a este foto-vibrato:
El circuito simplemente controla la señal que pasa de una fuente (tocadiscos, fonocaptor, micrófono, etc.) a un amplificador, lo que quiere decir que su efecto sólo será perfecto si el aparato usado puede funcionar normalmente con el amplificador.
El proyecto tiene en cuenta el uso de fuentes de señales de medias y altas impedancias (a partir de 200 ohms) lo que significa que todos los aparatos que funcionaron normalmente con su amplificador pueden tener las señales moduladas por este foto-vibrato.
Sin embargo, en los casos en que esto no sucede es señal de que la impedancia de la fuente de señal es muy baja, en cuyo caso un amplificador debe ser usado.
SUGESTION
Vea el lector que el efecto de este foto-vibrato sólo se obtiene cuando el mismo está conectado bastando para ello el accionamiento de una llave.
Cuando se apaga, la señal continúa aún por el circuito sin ningún problema de funcionamiento.
Así, para los que quieren usar de una manera diferente este efecto con su guitarra pueden colocar un jack de conexión en paralelo con S1 haciendo entonces la conexión de un interruptor remoto que será accionado por el pie. Esto significa que el músico puede determinar exactamente el momento en que aparece el efecto, bastando con que apriete el interruptor.
La figura 15 muestra exactamente cómo se puede hacer con mucha facilidad.

Q1, Q2 - BC548, BC238 o cualquier equivalente
LDR1, LDR2 - foto-resistores LDR comunes (ver texto)
L1, L2 - lámparas 7121D - Philips o 6 V x 50 mA
C1, C2 - 22 uF x 16 V - Capacitor electrolítico
C3 - 47 o 50 uF x 16 V - Capacitor electrolítico
P1, P2 - 100 K - potenciómetros comunes (lin o log)
P3, P4 - 4,7 K o 5 K - potenciómetros comunes (Iin o log)
R1, R2 - 2,2 K x 1/8 W - resistores (rojo, rojo, rojo)
S1 - interruptor simple
D1 - 6 V - 4 pilas o fuente de alimentación
Varios: puente de terminales, hilos, soldadura, placa de circuito impreso, caja para el montaje, knobs para los potenciómetros, soporte para pilas, 4 jack RCA, cables de conexión para el amplificador con enchufes de acuerdo a su entrada, tubos para instalar los LDR, etc.



