Describimos un amplificador de 1 W de potencia alimentado con 6 V y que sólo necesita 4 componentes externos. Este amplificador puede ser utilizado en la bancada como amplificador de prueba, en intercomunicadores y porteros electrónicos, en la salida de radios, como reforzador para walkmans y en multas otras aplicaciones.
La disponibilidad de amplificadores integrados que requieren de muy pocos componentes externos, facilita enormemente el diseño de amplificadores que resulten extremadamente compactos y sencillos de montar.
Utilizando un TDA7052 de Philips Components, describimos uno de estos amplificadores que admite una gama enorme de aplicaciones prácticas en su gama de potencia.
De hecho, con sólo 6 V de alimentación, este amplificador proporciona 1 W de salida en una carga de 8 ohms que nos sugiere las siguientes aplicaciones prácticas:
- Intercomunicadores
- Reforzador para pequeñas radios walkmans
- Amplificador de prueba para la encimera
- Salida de radios de VHF y AM caseros
- Seguidor de señales
- Porteros electrónicos
El TDA7052
El circuito integrado TDA7052 de Philips Components consiste en un amplificador BTL Mono con 1 W de salida en envoltorio DIL de 8 patillas.
Este componente está diseñado para ser utilizado con alimentación de 6 V en aparatos portátiles.
La ganancia se fija internamente en 40 dB. Como este integrado está diseñado para funcionar con aparatos alimentados a batería, una compensación interna que mantiene la potencia cuando la tensión de la fuente cae, se ha incorporado.
Entre las principales ventajas que el fabricante cita para este integrado tenemos:
- No requiere componentes externos (excepto filtros y controles)
- No produce chasquidos cuando el circuito está encendido o apagado.
- No necesita radiador de calor
- Baja corriente de consumo
- Posee protección contra cortocircuitos en la salida
CARACTERÍSTICAS ELÉCTRICAS (Cómo en el original en portugués)

Montaje
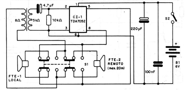
En la figura 1 tenemos el diagrama completo de nuestro amplificador.

La placa de circuito impreso muy simple se muestra en la figura 2.

Sugerimos la instalación del amplificador en un pequeño altavoz con un altavoz pesado, que proporciona un mejor rendimiento.
Para la alimentación se puede utilizar una fuente de 6 V x 1 A o después de pilas medias o grandes.
En la figura 3 tenemos una sugerencia de fuente que puede ser usada para este amplificador en caso de uso fijo,

El capacitor C1 puede ser cerámico o de poliéster y los electrolíticos son para 6 V o más.
El potenciómetro de volumen puede ser de 22 o 47 k ohms.
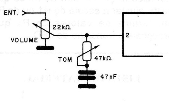
En la figura 4 damos una sugerencia para añadir un simple control de tonalidad.

Para el integrado sugerimos la utilización de un zócalo DIL de 8 pines que facilita el cambio del componente en caso de necesidad y aún evita el calor en el proceso de soldadura.
PRUEBA Y USO
Para probar, basta con conectar en la entrada una fuente de señal cualquiera. Dependiendo del uso, debemos utilizar algunos recursos para matrimonio de impedancia con la fuente externa de señal.
Así, para reforzar la señal de pequeñas radios, walkmans y algunos otros aparatos con potencia en el rango de miliwatts, puede ser necesario usar un resistor de carga, como muestra la figura 5.

Este resistor debe tener el valor del mismo orden de magnitud de la carga que normalmente se utiliza con el aparato del cual se desea reforzar la señal.
Para pequeñas radios de 2 y 4 pilas y hasta menos con altavoz resistor puede ser de 10 ohms x 1/2 W.
Para walkman, el resistor debe ser de 33 ohms x 1/4 W o incluso 47 ohms x 1/4 W. Este resistor será necesario si se observa una distorsión de la señal en el refuerzo.
Para utilizar como refuerzo utilice la señal de fuente con volumen reducido y controle el volumen final en el amplificador.
En la figura 6 tenemos una sugerencia para usar el amplificador como portero electrónico o intercomunicador.

El transformador es de salida con una impedancia de primario entre 5 y 10 k ohms del tipo antiguo usado con amplificadores a válvulas.
Los tipos de impedancias menores, usados ??en aparatos transistorizados, pueden ser experimentados, pero con un rendimiento menor.
El altavoz en el caso funcionará como micrófono. Un intercomunicador completo simple y se muestra en la figura 7, donde la llave S1 cambia las funciones hablar / escuchar y se monta junto a la estación local, ya que la remota no tendrá control sobre el sistema.

En este circuito un LED debe usarse para indicar que la fuente está conectada, sobre todo si el aparato se alimenta con pilas. Esta versión resulta en un excelente portero electrónico.
CI-1 - TDA7052 - circuito integrado
FTE - altavoz de 8 ohms (10 cm o más)
P1 - 22 k ohms - potenciómetro de registro
S1 - interruptor simple
B1 - 6 V - 4 pilas medianas o grandes o fuente de alimentación
C1 - 4,7 uF - capacitor electrolítico
C2 - 220 uF - capacitor electrolítico
C3 - 100 nF - capacitor de cerámica o poliéster
Control de tono
P2 - 47 k ohms - potenciómetro lin o log
C4 - 47 nF - capacitor de cerámica o poliéster i
Varios: caja para montaje, placa de circuito impreso, zócalo para el integrado, botón para el potenciómetro, hilos, soldadura, soporte de pilas, etc.



