Las fuentes de alimentación con buena capacidad de corriente son necesarias en la bancada de trabajos profesionales. La fuente descrita en este artículo hace uso de un solo regulador de alta capacidad de corriente, el LM 338 de National, que se presenta en envoltorio metálico TO-3 de acero.
Describimos en este artículo una excelente fuente de alimentación para la bancada, con capacidad de hasta 5 A y tensión ajustable linealmente y continuamente en el rango de 1,2 a 25 V.
Esta fuente puede ser usada en la prueba de auto-radios y tocadiscos, amplificadores y en la alimentación de diversos tipos de circuitos electrónicos.
Con limitación de corriente y protección contra cortocircuito en la salida, esta fuente tiene características que no podrían ser obtenidas en otra configuración de igual sencillez.
Si el lector todavía no tiene una buena fuente de alimentación en su banco, es la oportunidad de equiparla con un circuito realmente eficiente y útil.
CARACTERÍSTICAS
Tensión de entrada: 110/220 V c.a.
Tensiones de salida: 1,2 a 25 V
Corriente de salida máxima: 5 A
Tolerancia para la tensión de salida: 1%
Regulación de carga: 0,3%
Regulación de la línea: 0,01%
Rechazo de la ondulación: 60 dB (tip)
COMO FUNCIONA
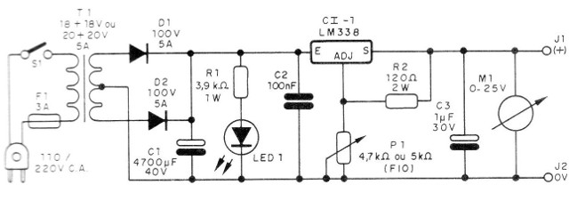
La fuente presentada tiene una configuración bastante simple. El transformador baja la tensión de la red hasta un valor apropiado para la operación del circuito regulador.
Dos diodos hacen la rectificación en onda completa y un electrolítico de gran valor hace el filtrado.
La regulación se obtiene con un circuito integrado LM 338, que se suministra en envoltorio TO-3 metálico (similar al 2N3055), figura 1.

Este integrado puede proporcionar tensiones en el rango de 1,2 a 32 V con corriente de hasta 5 A y necesita pocos componentes externos para formar un regulador ajustable completo.
La tensión deseada en la salida es determinada por la resistencia de derivación en el terminal ADJ, conforme el circuito de la figura 2.

Los valores típicos de P1 y R2 son los datos en el diagrama para una variación entre 1,2 V y la máxima tensión deseada en la salida.
Los capacitores junto al integrado, que deben quedar físicamente muy cerca de este componente, tienen por función desacoplar el circuito, evitando inestabilidades principalmente si la carga opera con corrientes que estén debidamente sujetas a variaciones rápidas.
La corriente en el potenciómetro es dada por la suma de la corriente de ajuste con la corriente en la resistencia R1.
De esta forma, la disipación del potenciómetro debe ser prevista en función de la máxima tensión de salida, así como la disipación de R1.
En nuestro caso, optamos por el uso de un potenciómetro de hilo y de una resistencia de 2 W en esta función.
MONTAJE
En la figura 3 tenemos el diagrama completo de la fuente de alimentación.

Los pocos componentes usados eliminan la necesidad de placa de circuito impreso. Un puente de terminales puede mantener en posición de funcionamiento los diodos, resistores y capacitores, como muestra la figura 4.

Las dimensiones relativamente grandes en la mayoría de los componentes hacen incluso aconsejable este tipo de montaje.
El circuito integrado debe montarse en un radiador de calor compatible con la potencia que debe disiparse.
Los diodos D, y D2 deben tener tensiones inversas de pico de 100 V. Los tipos entre 3 A y 5 A pueden ser usados, ya que en la rectificación en onda completa cada diodo opera sólo durante medio ciclo, lo que quiere decir que, en la condición de 5 A de salida, cada diodo estará siendo recorrido por una corriente media de 2,5 A y por eso un capacitor de 4 700uF es usado.
El LED es opcional, y el capacitor C3 debe montarse junto a la salida del integrado. El capacitor C2 también debe montarse cerca del terminal de entrada del integrado.
Los hilos los gruesos y cortos interconectando los componentes garantiza mayor estabilidad para el circuito.
El potenciómetro P1 puede ser de 4,7k o 5 k ohms de hilo. El instrumento indicador en la salida es opcional. Podemos utilizar un voltímetro de hierro móvil de bajo costo de 0-25 V para una versión económica pero menos precisa, o un voltímetro de 0-25 V o 0-30 V de bobina móvil con mayor precisión.
Un miliamperímetro de 0-1 mA y ser convertido en un voltímetro con la conexión de un resistor y un trimpot en serie. El resistor será de 15 k ohms y el trimpot de 47 k ohms. ]
Ajusta el trimpot para una lectura igual a la de un multímetro conectado en paralelo con la salida de la fuente y que sirve de referencia.
PRUEBA Y USO
Para probar la fuente basta con colocar el fusible en el soporte y conectarlo a la red de alimentación. Coloque una carga en la salida, como por ejemplo una resistencia de 22 ohms x 30 W.
Este resistor drenará poco más de 1 A bajo tensión máxima y permite ver cómo se comporta la fuente. 3 o 4 de estas resistencias en la salida permiten hacer una prueba en condiciones de mayor corriente. Ver si la tensión se mantiene en la salida.
El transformador es muy importante en el diseño, pues si es de mala calidad no proporciona la corriente máxima esperada pudiendo ocurrir caídas de tensión.
Mida esto en la entrada del integrado si ocurre sospechas. Si hay caída en este punto el sospechoso es el transformador.
Un sobrecalentamiento del transformador en condiciones de corriente elevada también es indicativo de que su corriente real es menor que la especificada.
Comprobado el funcionamiento es sólo usar la fuente, respetando su capacidad de corriente.
Cl1 - LM338 - circuito integrado,
D1, D2 - 100 V / 5 A - diodos de silicio
LED1 - LED rojo común
M1 - voltímetro 0-25 V (véase el texto)
T1 - transformador con primario de acuerdo con la red local y secundaria de 18 + 18 o 20 + 20 V x 5 A
F1 - 3 A - fusible
S, - interruptor simple
C1 - 4700 uF x 40 V - capacitor electrolítico
C2 - 100 nF - capacitor de poliéster
C3 - 1 uF x 30 V - capacitor electrolítico
R, - 39 k ohms x 1 W - resistor
R2 - 120 ohms x 2 W - resistor
P1 - 4,7 o 5 k ohms - potenciómetro de hilo
Varios: cable de alimentación, puente de terminales, soporte para fusible, radiador de calor para el transistor, botón plástico para P1, soporte para el transductor, LED, bornes de salida, hilos, soldadura, etc.



