Este sistema se puede instalar en vehículos para excitar un conjunto de altavoces con hasta 40 W de potencia desde un micrófono. Las campañas publicitarias y de otros tipos pueden ser citadas como ejemplos de aplicación para este proyecto.
Describimos en este artículo un excelente amplificador de alta potencia para micrófono y otras fuentes de señal utilizando un único circuito integrado.
Con una potencia de hasta 22 W de salida, este diseño se caracteriza por la simplicidad, ya que muy pocos componentes externos son necesarios, y por el hecho de poder ser alimentado con sólo 12 V de la batería del coche.
El circuito posee además una llave stand-by que lo mantiene listo para una situación de bajo consumo.
La excelente calidad de sonido del sistema permite su utilización con cajas convencionales en lugar de cornetas, con una fidelidad que otros sistemas no alcanzan.
CARACTERÍSTICAS
Potencia de salida: 22 W (RMS)
Impedancia de salida: 4 K ohms
Tensión de alimentación: 12 V (13,6 V)
COMO FUNCIONA
La base de este proyecto es un circuito integrado TDA1516Q que puede operar tanto en la versión mono como estéreo.
En la versión mono (BTL) proporciona una potencia de 22 W RMS, lo que es más que suficiente para la aplicación indicada.
La principal característica de este integrado es que no necesita prácticamente ningún componente externo, a no ser los operacionales de desacoplamiento de la fuente y de entrada para la señal.
El integrado posee además la función de stand-by, que es una llave que lo mantiene listo para funcionamiento pero en una condición de bajo consumo (baja corriente de reposo).
Añadimos al circuito simplemente una etapa de acoplamiento para un micrófono de electreto con un control de volumen. Esto significa que por el reducido número de componentes el aparato se puede colocar en una caja fácilmente instalada en cualquier vehículo.
MONTAJE
En la figura 1 tenemos el diagrama completo del aparato.

En la figura 2 tenemos la disposición de los componentes principales en una placa de circuito impreso.

El circuito integrado debe estar en contacto con un buen radiador de calor, preferiblemente con aletas en las partes posteriores exteriores de la caja.
Para el micrófono de electreto se debe utilizar un cable blindado. Un jack con enchufe P2 es la mejor solución para facilitar la retirada de este componente cuando fuera de uso.
Los operacionales son todos de poliéster, excepto C5, que es un electrolítico de 16 V o más de tensión de trabajo.
Este electrolítico, así como C4, debe ser montado lo más cerca posible del integrado, pues hace el desacoplamiento de fuente, evitando inestabilidades.
En realidad, la pista del circuito impreso de alimentación debe ser ancha en función de la corriente drenada.
Lo mismo ocurre con las pistas de los pines 5 y 9 de salida de señal, y retomo 3 y 7.
Todo el conjunto puede ser fácilmente instalado en una pequeña caja que será fijada bajo el panel del coche.
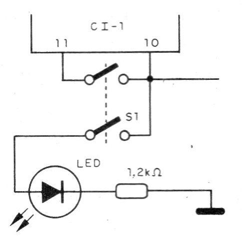
Una caja tipo cajón es la más indicada, con contactos para alimentación y salida. Se puede incluir en el proyecto un interruptor general y un indicador LED de funcionamiento. El LED debe estar en serie con una resistencia de 1,2 k ohmios.
Para acoplar una segunda fuente de señal, se puede conectar entre C1 y P1, a través de un operacional de 100 nF.
Otra posibilidad es después de C2, con un potenciómetro, como muestra la figura 3.

Hemos incorporado en el circuito un mezclador que permite hablar al micrófono con música de fondo: basta conectar en la segunda entrada un grabador con música.
El altavoz utilizado debe ser de buena calidad con una potencia de al menos 30 W.
Los cables tierra y la batería deben ser gruesos, compatibles con la corriente requerida por el aparato.
Los cables del altavoz también deben ser gruesos para que haya un mínimo de pérdidas.
Con 8 ohms la potencia será un poco menor que la indicada.
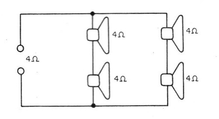
Para la conexión de más altavoces, por ejemplo 4, sugerimos la configuración de la figura 4.

PRUEBA Y USO
Para probar el aparato, basta con conectarlo a la alimentación de 12 V.
Si se utiliza fuente, debe suministrar al menos 3 A de corriente.
Hablando delante del micrófono, ajuste P1 para máximo volumen.
El altavoz utilizado debe ser de buena calidad con una potencia de al menos 30 W.
Los cables tierra y la batería deben ser gruesos, compatibles con la corriente requerida por el aparato.
Los cables del altavoz también deben ser gruesos para que haya un mínimo de pérdidas.
Con 8 ohms la potencia será un poco menor que la indicada.
Cl1 - TDA1516Q - Circuito integrado
Capacitores:
C1, C2 y C4 - 100 nF - poliéster o cerámico
C3 - 1 nF - poliéster o cerámico
C5 - 2 200 uF - electrolítico de 16 V
Varios:
MIC - micrófono de electreto de dos terminales
P1 - potenciómetro de 10 k ohmios
S1 - Llave stand-by (interruptor simple)
FTE - 4 ohms x 30 W - altavoz de buen rendimiento
F1 - fusible de 5 A
R1 - 10 k ohms - resistor de 1/8 W, 5%
Placa de circuito impreso, radiador de calor para el integrado, cajas para montaje, hilos, soldadura, botón para el potenciómetro etc.



