En otro artículo de nuestra autoría, describimos SUPER ALARMA RESIDENCIAL, con recursos que posibilitarían su operación con los más diversos dispositivos sensores y sistemas. En respuesta a pedidos de lectores, y al que prometemos en esa edición, damos una primera expansión para ese proyecto, que es su operación con un Módulo Infrarrojo de Alarma.
La sofisticación del circuito presentado anteriormente y la utilización de componentes absolutamente comunes, hicieron de aquel proyecto algo utilizable en la protección de muchos tipos de ambientes y de manera casi completa.
Con 3 tipos de entradas diferentes, el circuito presentado permite la utilización de sensores variados. Sin embargo, en la ocasión dimos sólo algunas posibilidades de sensores, limitadas a los tipos mecánicos más simples, prometiendo abordar, en otros artículos, otros tipos de métodos de detección de intrusos.
Uno de los métodos más eficientes y más usados es justamente lo que damos en esta edición, que es la llamada barrera infrarroja. Un emisor produce una radiación modulada de infrarrojo que debe ser recibida por un sensor, como muestra la figura 1.

Mientras el receptor está recibiendo la señal nada sucede, pero si por un instante, el haz de radiación es interrumpido, por un intruso, el circuito dispara y se activa la entrada de la alarma.
A partir de esta activación tenemos la temporización y la acción ya ampliamente descrita en el artículo indicado, pues el circuito usado a partir de ahí es el mismo.
Lo que proponemos entonces en este artículo es el montaje del módulo transmisor de infrarrojo modulado y del módulo receptor, que va a ser acoplado al proyecto anterior.
Evidentemente, más de un par de estos circuitos puede ser conectado al sistema, en la protección de grandes ambientes.
CARACTERÍSTICAS
Alcance: aproximadamente 10 m
Tensión de alimentación: Receptor - 6 V / Transmisor - 6 V ç
Consumo: Transmisor - 20 mA (tip) / Receptor - 10 mA (tip)
Tipo de emisión: modulada a baja frecuencia
Tipo de detección: filtro PLL
COMO FUNCIONA
a) Transmisor
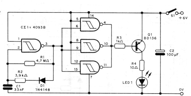
El transmisor no es más que un oscilador-amplificador elaborado en torno a un circuito integrado 4093 (4 puertos desencadenadores NAND CMOS).
Una primera puerta se utiliza como un oscilador de baja frecuencia con una relación marca-espacio muy pequeña, para producir pulsos de corta duración, como muestra la figura 2.

Este procedimiento es importante para alimentar al emisor con pulsos cortos de alta intensidad, y así obtener el mayor alcance.
Con pulsos anchos, la potencia requerida sería mayor, pudiendo sobrecargar el emisor, y el efecto en términos de alcance no sería mejorado.
Los pulsos generados por el oscilador se llevan a otras tres puertas NAND que funcionan como buffer-amplificador digital, entregando en su salida señales de intensidad suficiente para una buena excitación del transistor de potencia.
Este transistor, un BD136, conduce con las muñecas en el nivel bajo, y alimenta el LED infrarrojo. La corriente en el LED está limitada a un valor relativamente alto por la resistencia R4.
Como los pulsos tienen una duración pequeña, el LED puede funcionar con picos de corriente mucho más grandes que la corriente máxima en régimen continuo.
El emisor puede ser cualquier LED para el rango de infrarrojos.
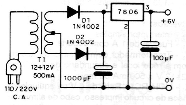
La alimentación puede provenir de una pequeña fuente de corriente continua como, por ejemplo, la sugerida en la figura 3.

Una fuente separada del módulo principal es interesante pues permite una instalación remota para el sistema, con mucho más facilidades.
b) Receptor
La radiación modulada incide sobre el receptor, que es un fotodiodo para infrarrojo (también se puede utilizar un foto-transistor con adaptación de R1 para mayor sensibilidad, según el tipo).
Obtenemos entonces en la base del transistor una corriente que corresponde a la señal moduladora de baja frecuencia generada en el transmisor.
Esta señal recibe amplificación y se retira del colector de Q1, vía C2, y llevado a la entrada de un filtro PLL con el circuito integrado NE o LM 567.
El filtro se sintoniza en la frecuencia del transmisor a través de un trimpot.
Cuando se captura la señal del transmisor, la salida del cl (8) se mantiene en el nivel bajo y el LED1 indica la recepción.
Si por un momento el rayo de infrarrojo es cortado, el PLL deja de recibir la señal y su salida vuelve al nivel alto, produciendo así un pulso.
Estos dos niveles de la salida del PLL se utilizan para excitar el módulo de alarma que indicamos en otro artículo de edición anterior.
En el momento en que la salida del circuito va al nivel alto, la alarma se dispara y el funcionamiento ocurre de la manera explicada en ese artículo.
Es claro que existe la posibilidad de usar por separado el sistema, y ??para ello damos el circuito de la figura 4.

En este circuito cuando la salida del 567 (3) va al nivel alto, por la ausencia de la señal o corte del haz, el 555 es disparado y así permanece por el tiempo ajustado en P1, manteniendo el relé activado y, consecuentemente, el sistema de aviso conectado a ese dispositivo.
La misma fuente del transmisor se puede utilizar en el módulo receptor, para el caso de funcionamiento independiente.
Para la operación con la alarma descrita anteriormente, la fuente de 6 V disponible en ese circuito puede ser aprovechada, ya que el consumo es bastante bajo.
MONTAJE
Para los lectores que no quieran consultar el artículo citado de la alarma completa damos en la figura 5 el diagrama de la Alarma Residencial que sirve de base para este proyecto, como explicado anteriormente, pero que también puede operar de modo totalmente independiente.

En la figura 6 tenemos el diagrama del módulo transmisor, sin la fuente de alimentación.

La placa de circuito impreso para este transmisor se muestra en la figura 7.

El circuito integrado puede montarse en el zócalo DIL, y el transistor de potencia no necesita radiador de calor.
El emisor infrarrojo puede ser de cualquier tipo disponible en el comercio.
Para concentrar el haz de infrarrojos en la dirección del receptor, y así obtener mayor alcance, será interesante montar el LED en un tubo opaco y colocar una lente convergente delante de usted, como muestra la figura 8.

El mayor rendimiento se obtendrá cuando la lente esté a una distancia del sensor que corresponda a su distancia focal.
En estas condiciones tendremos un haz casi paralelo de radiación infrarroja, lo que proporcionará un alcance mayor y, por otro lado, un ajuste más crítico al alinear transmisor al receptor.
El diagrama del módulo receptor se muestra en la figura 9.

La placa de circuito impreso para este módulo se muestra en la figura 10.

El sensor es un fotodiodo común para infrarrojos, normalmente vendido junto con el emisor correspondiente, pero también: se puede utilizar un foto-transistor.
El LED1 es rojo común, y la alimentación viene de la fuente que ya sugerimos en este artículo en la parte inicial.
El sensor, como en el caso del transmisor, debe montarse en un tubo opaco con una lente convergente para obtener una mayor dirección a
El posicionamiento de la lente debe ser tal que el foto-transistor quede en su foco.
PRUEBA Y USO
Para probar y ajustar el sistema alimente el transmisor y el receptor y colócalos de modo que el LED del transmisor quede a 1 m aproximadamente del fotodiodo.
Ajuste entonces el trimpot del receptor para que el LED1 se encienda.
Cortando con un objeto el haz de radiación el LED del receptor debe apagarse.
Comprobado el funcionamiento es sólo proceder a la instalación, como sugiere la figura 11.

En esta figura tenemos la protección de una residencia a través de la instalación de la alarma en un pasillo lateral de la casa: basta instalar el transmisor en una pared del pasillo y el receptor en la otra, observando una perfecta alineación entre el LED emisor infrarrojo (del transmisor) y el fotodiodo (del receptor).
No deje que la luz de las lámparas fluorescentes incida en el receptor, ya que puede causar el accionamiento errático de la alarma.



