Con pocos elementos externos, el circuito integrado TDA2003, permite la realización de módulos amplificadores o de refuerzo para el coche con una potencia de 10 W (28 W de pico) para el coche. Diversos módulos asociados a filtros activos pueden producir altas potencias de audio con graves, medios y agudos separados. En este artículo describimos el TDA2003 y damos algunas aplicaciones interesantes.
El Circuito integrado TDA2003, consiste en un amplificador monofónico completo de 10 W, que necesita pocos elementos externos, siendo indicado para operación en el coche, con alimentación de 13,2 V.
Con una alimentación de 14,4 V y una carga de 1,6 ohms este amplificador proporciona una potencia de salida de 12 W.
La principal ventaja del uso de este circuito integrado está en la necesidad de pocos elementos externos, lo que facilita la elaboración de módulos, cada uno, por ejemplo, excitando un altavoz.
Con 4 módulos podemos formar un sistema completo de refuerzo, como sugiere parece 1.

El interesante de este circuito es que su configuración es la misma del conocido TDA2002, pero con algunas ventajas: el dispositivo tiene alta capacidad de corriente de salida (3,5 A) y tanto distorsión armónica como por cross-over muy bajas; la salida dispone de dump (retirada de la carga).
En la figura 2 tenemos la pinza de este circuito integrado, que se suministra en envoltorio Pentawatt de 5 pines.

Máximo Absolutos
Vs - tensión de pico de alimentación (50 s: 4,3)
Vs - tensión de alimentación: 28 V
Vs - tensión de funcionamiento: 18 V
- Corriente de pico de salida (repetitiva): 3,5 A
- corriente de pico de salida (no repetitiva): 4,5 A
PLOL - disipación total a 90 ° C: 20 W
Tstg -temperaturas de almacenamiento y unión: -40 a 150 ° C
Características eléctricas
(VS = 14,4 V y Tamb 25º C)
Vs - tensión de alimentación: 8 a 18 V
Vo - tensión quiescente en el pin 4: 6,9 V (tip)
ld - corriente quiescente (drenada) - pin 5 - 44 mA (tip)
Características AC
(Para el circuito de prueba de la figura 3, con una ganancia de tensión de 40 dB).
Po - potencia de salida:
Carga de 4 ohms: 6 W
Carga de 2 ohms: 10 W
Carga de 3,2 ohms: 7,5 W
Carga de 1,6 ohms: 12 W
V (rms) -Tensión de saturación de entrada: 300 mV (min)
V - Sensibilidad de entrada (f: 1 KHz)
Po: 0,5 W, RL: 4 ohms: 14 mV (tip)
Po: 6 W, RL: 4 ohms: 55 mV (tip)
Po: 0,5 W, RL: 2 ohms: 10 mV (tip)
Po: 10 W, RL: 2 S2: 50 mV (tip)

En la figura 4 tenemos un circuito de aplicación que corresponde a un módulo monofónico con las características ya vistas.

El diseño de la placa de circuito impreso sugerido por el fabricante del integrado se muestra en la figura 5.

Las funciones de los componentes, así como eventuales cambios de valores, se analizan a continuación:
C1 - el valor recomendado para este componente es de 2,2 uF, es hacer el desacoplamiento de la entrada. Si el valor de este componente se reduce, puede producirse la producción de ruidos cuando la alimentación se enciende o se apaga.
C2 - el valor indicado por el fabricante es de 470 pF, y su finalidad es hacer el rechazo de ripple. Si se reduce su valor, puede producirse una degradación del SVR.
C3 - Tenemos como valor recomendado del 100 nF, y su finalidad es el desacoplamiento de la alimentación. Si se reduce, pueden producirse oscilaciones.
C4 - El valor indicado es 1 000 uF, y el propósito es hacer el acoplamiento de salida para la carga. Si es reducido tendremos un valor más alto para la frecuencia de corte inferior.
C5- Este capacitor, que determina la estabilidad de frecuencia, tiene el valor indicado de 100 nF. Si se reduce, el peligro de oscilaciones en las altas frecuencias con cargas inductivas.
Cx - Este componente, que determina la frecuencia de corte superior, tiene el valor determinado por la fórmula. Si es aumentado tendremos una banda pasante más estrecha, y si se disminuye tendremos una banda pasante más amplia.
Cx = [ 1 / ( 2π x B x R1 ) ]
B = faixa passante
R1 - Este resistor determina la ganancia según la fórmula:
R1 = (Gv - 1) - R2
Si se utiliza un valor menor que el recomendado, la intensidad de la corriente drenada puede aumentar.
R2 - El valor indicado es de 2,2 ohms, y fija la ganancia y SVR. Si se utiliza un valor mayor, tendremos una degradación del SVR.
R3 - El valor indicado es de 1 ohms, y este resistor determina la estabilidad de frecuencia. Si se utiliza un valor mayor se corre el riesgo de que se produzcan oscilaciones en las altas frecuencias, con cargas inductivas.
R4 - El valor indicado para este componente es aproximadamente 20 veces el de R2, y determina la frecuencia de corte superior. Si se utiliza un valor mayor tendremos una atenuación pobre en las altas frecuencias, y si se utiliza un valor menor tendremos el peligro de ocurrir oscilaciones.
Otra posibilidad de uso del TDA2003 es en la configuración en puente mostrada en la figura 6, en la que obtenemos una potencia de salida de 20 W con 4 ohms de impedancia de carga.

Observe que tanto en esta versión como en la anterior los circuitos integrados deben estar dotados de buenos radiadores de calor.
Este circuito tiene una ganancia de tensión de 40 dB.
Para la versión con un integrado, la impedancia de entrada es de 150 K ohms (tip), y el rango de 40 a 15 000 Hz, con una eficiencia típica del 65% con carga de 2 ohmios.
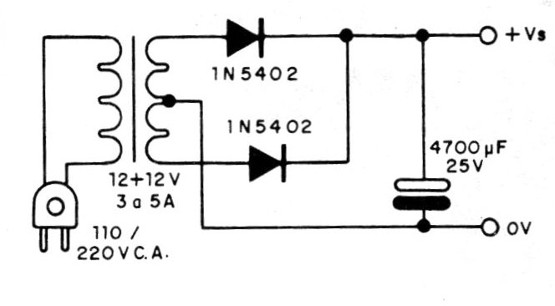
En la figura 7 damos una sugerencia de fuente de alimentación de 12 V que permite el uso de este aparato en casa, como reforzador para walkman o incluso para un sonido de coche menos potente.

El transformador debe tener al menos 3 A para la versión estéreo, y si el radio / tocadiscos también tiene que ser alimentado por esta fuente, el transformador debe tener 5 A o más de secundario.
El filtrado debe ser excelente, lo que está garantizado por el capacitor electrolítico de alto valor.
Como refuerzo, se debe prever un resistor de carga para la radio, toca-cintas o walkman cuyo valor debe obtenerse experimentalmente y estará entre 8 y 20 ohms.
Para usar como reforzador de graves o agudos se debe colocar en la entrada un filtro especial.
En la figura 8 tenemos un ejemplo de filtro que se puede utilizar para separar graves y agudos, que luego se amplían por separado y se reproducen en altavoces propios, es decir, un woofer y un tweeter.
Observe que los cables de entrada y salida de este filtro deben ser blindados para evitar la captación de zumbidos.

(Módulo básico)
Semiconductores:
CI1 - TDA2003 - Circuito Integrado
Resistores (1/8 W. 5%):
R1 - 220 ohms
R2 - 2,2 ohms
R3 - 1 ohms
R4 - 39 ohms
Capacitores:
C1 - 2,2 uF - electrolítico de 16 V
C2 - 470 uF - electrolítico de 16 V
C3, C5 - 100 nF - poliéster o cerámico
C4 - 1 000 uF - electrolítico de 16 V
C6 - 39 nF - poliéster o cerámico
Varios:
Placa de circuito impreso, radiador de calor para el circuito integrado, caja para montaje, fusible de protección de entrada de 5 A, altavoz, hilos, soldadura, etc.



