Un circuito integrado amplificador de audio también funciona como oscilador, y eso permite su utilización en alarmas con mucho más facilidad y economía. Vea en este artículo cómo hacerlo utilizando un único circuito integrado LM386, de National Semiconductor.
En circuitos de alarmas y sistemas de advertencia es común que el proyectista utilice un oscilador y un amplificador de audio para obtener los efectos deseados.
Sin embargo, el ahorro razonable se puede lograr con una configuración que reúne las dos funciones.
Para este propósito tenemos como sugerencia el circuito presentado en este artículo, que genera una señal potente de audio, de 200 mW a 1 W, usando sólo un componente básico.
El amplificador integrado LM386 es la base del circuito, y en la configuración indicada genera una señal de 1 kHz con alimentaciones de 4 a 12 V.
Con el cambio de un condensador (C1) otras frecuencias pueden ser generadas, siempre que dentro del rango de operación del componente.
Características
Tensión de alimentación: 4 a 12 V
Frecuencia: 1 kHz
Potencia de salida: 200 mW a 1 000 mW (según tensión)
Impedancia de carga: 8 ó 16 ohms
COMO FUNCIONA
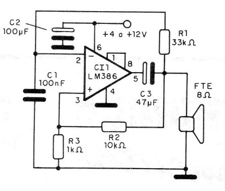
El diagrama completo del oscilador rectangular de 1 kHz, que alimenta un altavoz, se muestra en la figura 1.

El amplificador de audio LM386 se conecta como oscilador (estable), cuya frecuencia depende del tiempo de carga y descarga de C1, vía R1.
La tensión de referencia para la conmutación del amplificador, para llevar alternadamente la salida al nivel alto y bajo, es dada por el divisor resistivo formado por R3 y R2.
El cambio que se recomienda para modificar la frecuencia de operación es básicamente en C1, pero la colocación de un potenciómetro de 100 k ohmios: en serie con un resistor de 10 ohmios en lugar de R1, permite controlar la frecuencia de operación del circuito.
La potencia depende de la tensión de alimentación y de la impedancia de carga.
Para tensiones menores: podemos usar bajas impedancias como, por ejemplo, altavoces de 4 ohmios, pero esto sólo es válido para tensiones de hasta 6 V.
Para tensiones hasta 9 V podemos utilizar altavoces de 8 ohmios, y por encima de eso hay que usar al menos 16 ohmios de carga para que no haya sobrecarga del circuito integrado.
MONTAJE
La disposición de los componentes en una placa de circuito impreso se muestra en la figura 2.

Recomendamos el uso de un zócalo DIL de 8 pines para el circuito integrado.
Los electrolíticos deben tener una tensión de trabajo mayor que la usada en la alimentación.
El altavoz debe tener buen rendimiento, dando preferencia a unidades de al menos 10 cm de diámetro.
C1 es un condensador cerámico o de poliéster, y se pueden realizar cambios de valor en el rango de 22 nF a 470 nF en el sentido de obtener sonidos más agudos o más graves, según la aplicación.
PRUEBA Y USO
Para probar el aparato es sólo conectar su alimentación.
Si observa que el sonido es grave o demasiado agudo, cambie C1.
Comprobado el funcionamiento es sólo usar el aparato.
En un sistema de alarma, basta con intercalar la alimentación al circuito, controlándola a través de un relé o incluso SCR.
Semiconductores:
Cl1 - LM386 - circuito integrado nacional
Resistores (1/8 W, 5%):
R1 - 33 k ohms
R2 - 10 k ohms
Condensadores:
C1 - 100 nF - poliéster o cerámico
C2 - 100 uF - electrolítico
C3 - 47 uF - electrolítico
Varios:
FTE - Altavoz de 8 S2 o más
Placa de circuito impreso, zócalo para el circuito integrado, caja para montaje, alimentación, hilos, soldadura, etc.



