Resolver los problemas de sonido en sus tomas de diálogo con la videocámara, utilizando un micrófono inalámbrico, es lo que sugerimos en este artículo. Más movilidad, facilidad de uso y mejor calidad de sonido son algunas de las ventajas que este proyecto ofrece al aficionado que se preocupa por sus grabaciones de vídeo. Simple de montar y muy estable, no se trata de un simple transmisor de FM.
(*) Originalmente este circuito de 1993 fue creado para ser utilizado con cámaras de vídeo, pero también se puede utilizar en otras aplicaciones.
Uno de los problemas que enfrentamos en la grabación de escenas domésticas con Camcorder es que si nos alejamos a una toma de cuerpo entero el micrófono (atado a la cámara) va junto, y eso afecta la calidad del sonido.
De la misma forma, cualquier movimiento del operador en el sentido de obtener escenas de lejos o de cerca se acompañan de variaciones de la intensidad del sonido en el micrófono.
Una solución para eso, y que ya está prevista en las cámaras, es el uso del micrófono externo conectado por un hilo, pero este hilo es otro problema, pues quita la movilidad tanto de los que participan de la escena como de quien la graba.
Lo que proponemos en este artículo es la eliminación del hilo, utilizando un micrófono inalámbrico con algunas características importantes para este tipo de aplicación.
Estas características son:
a) Estabilidad que posibilite un buen movimiento de quien habla, sin la "fuga" de frecuencia, tan común en los transmisores de FM de una etapa.
b) Disponibilidad de una llave independiente para el micrófono de modo que, al desactivar este elemento (silencio), el transmisor no sale del aire, lo que causaría la aparición de fuerte chido en la grabación, característico del "fuera de estación".
c) Operación con cualquier walkman o receptor FM, que puede ser transportado en el bolsillo, en la cintura o en el brazo del operador, eliminando así la necesidad de receptores especiales caros.
d) Alimentación con pilas comunes de bajo costo y excelente autonomía, con alcance de hasta pecho de 50 m.
Fácil de montar, el transmisor cabe en una pequeña caja plástica que hace su uso sencillo y cómodo.
Características
Tensión de alimentación: 3 o 6 V
2 o 4 pilas pequeñas
Corriente de consumo: 10 a 30 mA
Rango de operación: 88 a 108 MHz
Alcance: 20 a 50 m (tip)
Tipo de micrófono: eletreto
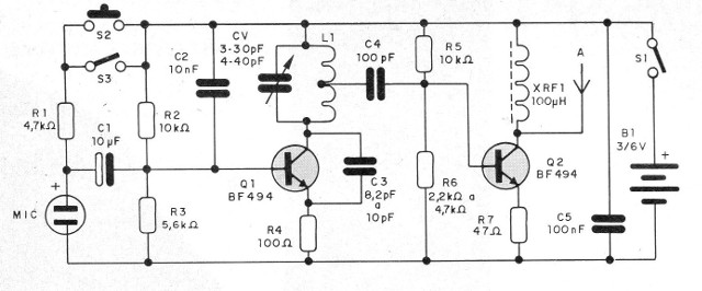
En la figura 1 tenemos el diagrama completo del transmisor.

Las señales de audio se obtienen de un micrófono de eletreto de buena sensibilidad.
La polarización de este micrófono es proporcionada por R1.
El valor de este resistor puede oscilar entre 2,2 k ohmios y 10 k ohmios, en función de la tensión de alimentación y sensibilidad deseada.
Como el circuito se destina a la captura de sonidos cercanos, es decir, el habla junto al micrófono, no hay un paso adicional de amplificación de audio, siendo esta función limitada al FET que normalmente existe en el interior del propio electreto.
La señal de audio se aplica a un paso de alta frecuencia, para la modulación, vía C1. El valor de este componente determina la pista de audio en la que opera el transmisor.
Para un corte en los agudos, si el usuario quiere un sonido menos estridente, se puede añadir un capacitor de 1 nF a 10 nF en paralelo con el micrófono.
Las señales de alta frecuencia se generan por un paso en base común que tiene el transistor Q1 como elemento activo.
En este circuito la bobina L1 y el capacitor variable CV determinan la frecuencia de operación, mientras que C3 proporciona la realimentación responsable por las oscilaciones.
El valor de C3 no es crítico, pero este componente influye en la estabilidad de la oscilación. Los resistores R2 y R3 polarizan la base del transistor, mientras que R4 polariza el emisor.
La señal generada y modulada se lleva a una etapa de amplificación y búfer vía C4.
No conectamos directamente la bobina L1 a la antena porque normalmente el descasamiento de una antena con la etapa de salida causa inestabilidades al circuito.
En los pequeños transmisores de FM, en los que esto se hace, el principal problema es la fuga de sintonía cuando movemos o cambiamos de posición la antena o cuando la acercamos a cualquier objeto como, por ejemplo, nuestras manos. Aislando el paso oscilante del paso de salida evitamos estos problemas.
Tenemos entonces una nueva etapa basada en un BF494, que amplifica la señal y el aislante para aplicar en la antena.
Así, incluso tocando en la antena eso no afecta al oscilador, que se mantiene firme en la frecuencia determinada por el ajuste de CV. El máximo que puede ocurrir es una ligera amortiguación de la señal, pero no su fuga.
La recepción de las señales se realiza en un walkman, que posee una salida para auriculares, permite la aplicación de la señal recibida directamente en la entrada de audio de la Camcorder.
Como la salida es estéreo, usamos la posición mono con un canal aplicado a la cámara y otro a un auricular de monitorización.
El alcance depende de la alimentación (con 6 V es mayor), pero también de la antena y del receptor. No recomendamos una antena muy larga, pues además de dificultar la operación también puede traer cierta inestabilidad de operación.
Los mejores resultados se obtienen con una antena de aproximadamente 15 cm.
MONTAJE
En la figura 2 tenemos la disposición de los componentes en una pequeña placa de circuito impreso.

Junto con las pilas y el micrófono esta tarjeta cabe fácilmente en una caja plástica de pequeñas dimensiones, como la usada en el prototipo.
La bobina L1 está formada por 4 espiras de hilo 22 AWG rígido común, o esmaltado de 18 a 22 AWG, con toma en la primera espira desde el lado del colector de Q1.
El diámetro es de 0,5 cm, pero no es crítico, pues siempre podemos compensar las diferencias, desde que no muy grandes, con el ajuste de CV.
El trimmer puede tener valores máximos entre 20 pF y 50 pF, ya que no se trata de un componente crítico.
Los capacitores deben ser todos cerámicos del tipo disco o plate, excepto C1, que es electrolítico para 6 V o más de tensión de trabajo.
Los transistores admiten equivalentes, como el BF254 o cualquier otro de alta frecuencia, observándose la disposición de sus terminales.
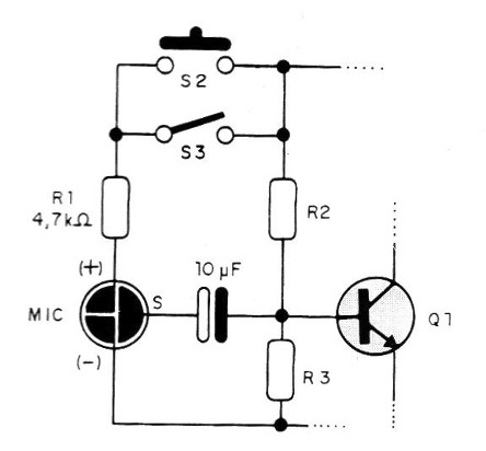
El micrófono es de electreto de 2 terminales, pero con cambios en el circuito, como muestra la figura 3, puede ser usado el de 3 terminales.

La antena tanto puede ser un pedazo de hilo rígido como del tipo telescópico. No es necesario que sea aislada.
S1 y S3 son interruptores simples, mientras que S2 es un interruptor de presión que debe utilizarse para hablar cuando S3 está abierto. Es conveniente elegir un tipo que no sea muy duro de accionar.
XRF, es un microchip de 100 uH, pero puede ser improvisado casa hay dificultad de obtención: enrolle urnas 100 vueltas de alambre esmaltado fino (32 o 34 AWG) en un palillo de dientes que el rendimiento no será afectado.
Para probar el aparato, utilice un receptor de FM o un walkman.
Sintonice primero el receptor o el walkman en una frecuencia libre de la banda FM. A continuación, cierre S1 y S3 y ajuste el CV del micrófono inalámbrico hasta que capte la señal más intenso en el receptor.
Es conveniente que este ajuste sea hecho a una distancia de al menos 3 m del receptor, con una clave no magnética, de modo que no haya microfonía (retroalimentación acústica).
Compruebe que la señal captada es el más fuerte, ya que puede ocurrir que estemos trabajando con armónicos, cuando entonces el alcance será reducido. Aleje el transmisor para comprobar el alcance.
Comprobado el funcionamiento, es sólo utilizar el aparato. Para ello, las conexiones son las que se muestran en la figura 4.

Ajuste el receptor (walkman) para la mejor recepción y monitoree el sonido en el auricular. Para utilizar existen dos posibilidades:
La primera es mantener S1 y S3 cerrado cuando tenemos un sonido permanente en la cámara. Abriendo S3 el sonido será cortado, pero la transmisión continúa de modo que no haya chido en la cámara.
La segunda es obtenida cuando S1 es cerrado y sólo actuamos en S2 al hablar.
En estas condiciones la transmisión es permanente (sin chido), pero sólo hay sonido en el momento de hablar.
Al utilizar el aparato, mantenga siempre atento a la sintonía. Utilice preferiblemente pilas alcalinas, ya que las variaciones de tensión con el uso son menores, lo que garantiza una mayor estabilidad para el circuito.
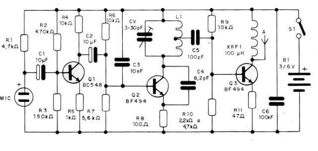
Si desea un micrófono más sensible, para captación de sonidos ambientes, tenemos el circuito adicional de la figura 5. (versión ll).

Este circuito, sin embargo, no sirve para conversaciones cercanas, pues hay sobremodulación.
Semiconductores:
Q1, Q2 - BF494 o equivalente - transistores de RF
Resistores (1/8 W, 5%):
R1 - 4,7 k ohms
R2 - 10 k ohms
R3 - 5,6 k ohms
R4 - 100 ohms:
R5 - 10 k ohms
R6 - 2,2 k ohms. a 4,7 k ohms (elija según el consumo)
R7 - 47 ohms
Capacitores:
C1 - 10 uF - electrolítico de 6 V
C2 - 10 nF - cerámico disco o plateado
C3 - 8,2 pF a 10 pF - cerámico disco o plateado
C4 - 100 pF - cerámica de disco o plateado
C5 - 100 nF - cerámica de disco
CV - Trimmer 3-30 pF o 4-40 pF
Varios:
MIC - micrófono de electreto de dos terminales
L1 - Bobina - ver el texto
A - antena - ver texto
S1, S3 - Interruptores simples
S2 - Interruptor de presión NA
B1 - 3 o 6 V - 2 o 4 pilas pequeñas
XRF1 - 100 uH - choque de RF (microchip) - ver texto
Placa de circuito impreso, caja para montaje, soporte de pilas, hilos, soldadura, etc.



