El circuito presentado indica a través de un LED si el alternador del sistema eléctrico del coche está o no cargando adecuadamente la batería.
El circuito se basa en un cuádruple comparador de tensión, pero como sólo se utilizan dos comparadores, los tipos equivalentes con dos comparadores se pueden emplear en el montaje, con los debidos cambios en el diseño de la placa de circuito impreso.
El funcionamiento correcto del alternador es de fundamental importancia para el mantenimiento de la carga de la batería de un automóvil.
Generando energía eléctrica para el sistema de encendido, y otros dispositivos durante el funcionamiento del motor, el alternador también es el responsable del mantenimiento de la carga de la batería.
El proyecto presentado consiste en un comparador de ventana que opera en el rango de 13,5 a 15 V, haciendo que un LED indique si la tensión en el sistema eléctrico del coche sale de esta franja, como sugiere la figura 1.

El circuito es extremadamente simple de montar, y el LED indicador se puede colocar en cualquier punto del panel del coche.
Características:
Tensión de funcionamiento del sistema comparador: 9,1 V
Rango de tensiones monitoreadas: 0 a 18 V
Rango de tensión para el LED
Apagado: 13,5 a 15 V
Consumo del aparato: 10 mA (LED apagado)
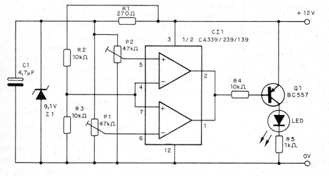
Dos de los comparadores disponibles en un circuito integrado CA139, 239 o 339 se conectan como un comparador de ventana.
En este circuito la salida permanece en el nivel alto cuando la tensión de entrada está fuera del rango establecida por las tensiones de referencia.
Así, uno de los límites es fijado por P1 y el otro por P2, que consisten en los únicos ajustes del aparato.
En nuestro caso, ajustaremos estos trimpots para que los límites sean de 13,5 y 15 V, respectivamente, que es la tensión a ser mantenida en el circuito eléctrico del coche con el alternador en buenas condiciones de funcionamiento.
Para que el circuito tenga una estabilidad de indicación, ya que es alimentado por el mismo circuito que debe monitorear, y por eso puede sufrir con las variaciones que ocurren, la tensión de referencia para ajuste es fijada por medio del diodo zener Z1.
Teóricamente este diodo fija el límite mínimo de tensión de operación del circuito, con la referencia precisa de tensión.
Utilizando un transistor PNP en la salida tenemos su conducción (saturación) con el nivel bajo, y con ello el encendido del LED en el rango de tensiones de 13,5 a 15 V.
El diagrama completo del aparato se muestra en la figura 2.

La disposición de los componentes en una placa de circuito impreso se muestra en la figura 3.

El mismo circuito puede elaborarse sobre la base de los LM193 / 293/393 que consiste en comparadores de tensión dobles, con un mejor aprovechamiento del componente.
El electrolítico es para 12 V, y el zener de 400 mW. El transistor admite el equivalente, y el LED es rojo común.
Para el circuito integrado sugerimos el uso de zócalo DIL.
Para ajustar el aparato es necesario conectarlo a la salida de una fuente de alimentación ajustable en el rango de 8 a 16 V.
Conecte la fuente y coloque la tensión de salida en un tono de 13 V; entonces ajuste los trimpots para que el LED se encienda.
A continuación, lleve la fuente hasta 13,5 V y ajuste P1 para que el LED se encienda.
Aumentando gradualmente la tensión de la fuente vaya a 15 V y ajuste P2 para que el LED se apague.
Varíe de nuevo el rango de tensiones de 12 a 16 V y compruebe que el LED sólo se apaga en el rango de 13,5 a 15 V.
Con esto, el aparato está listo para ser instalado en el coche.
El aparato indicará cuando la tensión del sistema eléctrico de su coche esté fuera de esta pista, lo que puede significar problemas de alternador o incluso de batería.
Semiconductores:
CI1 - CA139, CA239 o CA339 - comparador de tensión
Q1 - BC557 - transistores PNP de uso general
LED1 - LED rojo común
Z1 - diodo zener de 9,1 V X 400 mW o más
Resistores (1/8 W, 5%):
R2, R3, R4 - 10 K ohms
P1, P2 - trimpots de 47 K ohms
Varios:
C1 - 4,7 uF - capacitor electrolítico de 12 V
Placa de circuito impreso, caja para montaje, zócalo DIL para el circuito integrado, hilos, soldadura, etc.



