No siempre la publicidad transmitida en los programas de radio agradece a los oyentes. Y, tomando repetitiva, en exceso ella desagrada al oyente, que desearía tener un medio de deshacerse de ella al menos por algunas veces. Con el aparato que describimos en este artículo eso es posible, para desesperación, tal vez, de los publicitarios.
Hay muchas maneras de librarnos de las publicidades que no siempre son de las más creativas (aunque sus creadores no siempre piensan así .), y que por la repetición excesiva se vuelven desagradables e incluso incómodas.
El medio más usado consiste en bajar el volumen del aparato cuando estos anuncios entran, volviéndose a la normalidad cuando la buena música aparece nuevamente.
Sin embargo, este procedimiento tiene algunos inconvenientes, y uno de ellos es que sólo podemos recordar en volver al volumen normal cuando la música ha regresado hace un buen tiempo, e incluso cuando la nueva publicidad (de las malas!) Está para ser transmitida.
¿Por qué no automatizar la vuelta del sonido, después de un tiempo de tiempo ya dimensionado, para permitir que la publicidad que no deseamos oír no aparezca?
Esta es la finalidad de los dos circuitos que presentamos en este artículo. El primero es indicado para autorradios y opera con una potencia relativamente alta, permitiendo así el uso de los tipos más modernos con decenas de vatios de salida.
El segundo incluye una fuente de alimentación para uso doméstico y opera con auto-radios o incluso radios transistorizadas de hasta 3 A.
La temporización es ajustada por el propio usuario en intervalos que pueden ir de 30 segundos a 4 minutos, conforme la "costumbre" de publicación de publicidad de su emisora predilecta.
Los dos diseños utilizan componentes bastante comunes, y su instalación no ofrece ninguna dificultad al montador.
La base de los dos proyectos es un multivibrador monoestable con el circuito integrado 555. La temporización de estos circuitos es dada por el potenciómetro, resistencia y capacitor conectados a los pines 6 y 7.
Cuando presionamos el interruptor conectado al pin 2, este elemento va al nivel bajo y ocurre el disparo del monoestable, con su salida (pin 3) yendo al nivel alto.
La salida permanecerá en el nivel alto por un intervalo de tiempo que dependerá de los componentes de temporización.
En la salida del 555 tenemos dos posibilidades de control: En la versión automotriz, accionamos, vía transistores, un relé que puede controlar entonces la corriente de alimentación del radio o aunque conmuta la carga (altavoces) a un sistema de reducción de potencia que, sigue con el sonido pero en volumen bastante reducido.
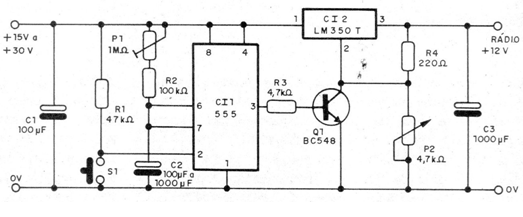
En la versión doméstica, el circuito actúa directamente sobre un regulador de tensión integrado que corta la alimentación de la radio, reduciéndola a 1,2 V, aproximadamente, lo que es insuficiente para permitir su funcionamiento.
En la versión con el LM350T, el potenciómetro P2 hace el ajuste de la tensión de salida, lo que significa que el aparato también puede ser usado con radios de 6 o 9 V, como eliminador de pilas.
La única limitación en esta versión es que la corriente máxima del LM35oT es de 3 A.
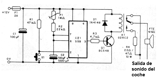
En la figura 1 tenemos el diagrama esquemático de la versión automotriz.

La disposición de los componentes en una placa de circuito impreso se muestra en la figura 2.

El interruptor de presión S1, que hace el accionamiento del aparato, se instala en cualquier punto del panel del coche.
El relé es de tipo que puede controlar corrientes de hasta 10 A, dentro del rango de consumo de la mayoría de los equipos de sonido de coche.
El integrado debe instalarse en un zócalo DIL de 8 patillas, para mayor facilidad de montaje.
El conjunto puede ser fácilmente instalado en una caja plástica y oculta bajo el panel del coche.
En la figura 3 tenemos el diagrama de la versión doméstica.

La disposición de los componentes en una placa de circuito impreso se muestra en la figura 4.

El circuito integrado LM350T debe montarse en un buen radiador de calor, y para el 555 sugerimos el uso de un zócalo DIL de 8 pines.
Los trimpotes son de tipo vertical, para montaje en placa de circuito impreso. El transistor admite equivalente, como el BC547 o BC549.
En la versión automotriz, la resistencia R4 determinará la reducción del nivel de sonido en el momento del accionamiento.
La prueba de funcionamiento se puede realizar con un amplificador común o simplemente verificándose si el relé se activa cuando presionamos S1.
El trimpot P1 debe ajustarse para obtener un intervalo de accionamiento de 30 segundos a dos minutos, según el tiempo promedio de los intervalos de anuncios de las estaciones que normalmente escuchamos.
Comprobado el funcionamiento, el circuito se conecta a la alimentación del coche, con 12 V en cualquier punto donde exista esta tensión y 0 V en el chasis.
No es necesario utilizar interruptor general, ya que el consumo con el relé desactivado es extremadamente bajo.
Para la versión doméstica tenemos una fuente de alimentación mostrada en la figura 5.

El transformador es de 3 A y el capacitor electrolítico para 35 V.
Los diodos son para 50 V o más, con corriente de 3 A.
El potenciómetro P2 debe ser ajustado para que en ausencia de temporización (sin apretar S1) la tensión en la salida sea la exigida por el aparato a ser alimentado.
El ajuste de la temporización, como en la versión anterior, se realiza en P1, pudiendo variar entre 30 segundos y dos minutos. La conexión del aparato a ser alimentado debe realizarse observando su polaridad.
Para utilizar los aparatos, basta con encender la radio, y cuando la publicidad aparece basta con dar un breve toque en S1 para matarla. Después del tiempo programado el sonido vuelve a la normalidad.
a) Versión del automóvil:
Semiconductores:
Cl1 - 555 - circuito integrado temporizador
Q1 - BC548 - transistores NPN de uso general
D1 - 1N4148 o equivalente diodo de silicio
Resistores (1/8 W, 5%):
R1 - 47 k ohms
R2 - 22 k ohms
R3 - 4,7 k ohms
R4.- 22 a 47 ohms x 10 W - resistor de hilo
P1 - trimpot de 1 M ohms
Capacitores electrolíticos de 16 V:
C1 - 100 uF
C2 - 1 000 uF a 10 000 uF
Varios:
S1 - Interruptor de presión
F1 - Fusible de 2 A
K1 - relé de 12 V
Placa de circuito impreso, zócalo para integrado, caja para montaje, botón para potenciómetro, hilos, soldadura, etc.
b) Versión doméstica:
Semiconductores:
Cl1 - 555 - circuito integrado temporizador
CI2 - LM350T - circuito integrado
Q1 - BC548 o equivalente transistor NPN de uso general
Resistores (1/8 W, 5%),
R1 - 47 k ohms
R2 - R3 - 4,7 K ohms
R4, - 220 ohms
P1 - trimpot de 1 M ohms
P1 - potenciómetro o trimpot de 4,7 k ohms
Capacitores electrolíticos de 25 V:
C1 - 100 uF
C2 - 100 a 1 000 uF
C3 - 100 uF
Varios:
S1 - Interruptor de presión
Placa de circuito impreso, radiador de calor para el Cl2. zócalo para CI1, hilos, caja para montaje, soldadura, etc.



