Con el circuito presentado podemos controlar elementos de calentamiento, tales como resistencias o lámparas, a partir de un sensor de temperatura bastante barato: un diodo común de silicio. El circuito, dado en dos versiones, es sensible y tiene como base un transistor de efecto de campo potencia.
El circuito se da en dos versiones: uno que activa el elemento de calentamiento cuando la temperatura cae por debajo de un valor preajustado, y que sirve como termostato.
La otra acciona el elemento cuando la temperatura sube, en cuyo caso puede ser una lámpara indicadora.
La operación con sólo 12 V y la capacidad de controlar cargas de hasta 4 A permiten su utilización automotriz.
La sensibilidad del circuito puede ser aumentada con el adición de pocos componentes externos.
En la condición de reposo, cuando la carga no está accionada, el consumo de corriente es extremadamente bajo.
Características:
Tensión de alimentación: 12 V
Carga máxima: 4 A
Rango de temperatura: -40 a + 125º C
El sensor del circuito es un diodo de silicio común, cuya corriente de fuga depende de la temperatura.
De esta forma, polarizado en sentido inverso, este diodo presentará una resistencia que depende casi que linealmente de la temperatura absoluta.
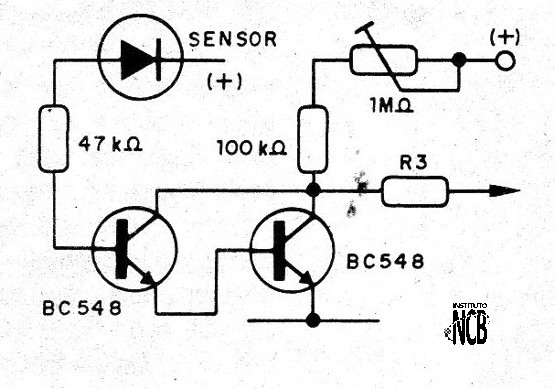
Este diodo, en la versión termostato, se conecta a la base de un transistor NPN común que forma, junto con P1 y R2, un divisor de tensión.
Vemos entonces que la tensión en este divisor depende de la temperatura de tal forma que, cuando la temperatura cae, esta tensión se eleva.
La tensión del divisor polariza, vía R3, la conducción (g) de un transistor de efecto de campo de potencia que tiene por carga un elemento de calentamiento.
Al alcanzar el punto de plena conducción del transistor de efecto de campo (saturación), el elemento de calentamiento l entra en acción y restablece la temperatura del lugar en que está el sensor.
En la versión como indicador, el sensor forma con R1 y P1 un divisor de tensión que polariza directamente la conducción (g) del transistor de efecto de campo de potencia.
Cuando la temperatura sube la tensión en el divisor también sube, y con ello, al ser alcanzado el punto de conducción del transistor la carga es alimentada.
Esta carga puede ser una lámpara indicadora.
La sensibilidad del circuito depende del sensor, con la posibilidad de hacer su sustitución por NTC de 10 k ohms a 1 M ohms de resistencia con un potenciómetro de valor equivalente.
También podemos emplear diodos en versiones con mayor sensibilidad, principalmente para detectar variaciones pequeñas de temperatura ambiente, utilizando etapas Darlington como muestra la figura 1.

Es importante, en este circuito, que los transistores usados no tengan ninguna fuga, pues si uno de ellos tiene, por pequeña que sea, se multiplicará por la ganancia del siguiente y será muchas veces mayor que la propia corriente a la del sensor.
En la figura 2 damos el circuito completo de la versión que es accionada por la elevación de la temperatura, o sea, el indicador de elevación de temperatura.

En la figura 3 tenemos la disposición de los componentes para este montaje en una placa de circuito impreso.

El transistor de efecto de campo puede ser sustituido por equivalentes, debiendo el usuario sólo observar la corriente máxima entre el drenaje y la fuente admitida para cada tipo, y que puede variar entre 3 y 10 A.
Este componente debe estar dotado de un buen radiador de calor, y la carga debe ser obligatoriamente resistiva.
No utilice el circuito para accionar relés o motores.
El sensor puede ser de cualquier diodo de silicio común.
Si hay posibilidad de encontrar el BA315 indicamos este diodo por sus excelentes características como sensor, pero en su defecto el 1N4148 también sirve.
El cable de conexión del sensor al aparato, si es largo, debe ser blindado; en su caso, para evitar la acción de ruidos C1 debe incrementarse a 470 nF o incluso 1 uF.
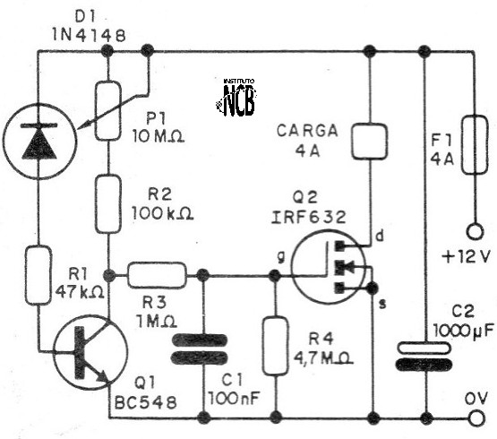
El segundo circuito, de un termostato, se muestra en la figura 4

En la figura 5 tenemos la disposición de los componentes en una placa de circuito impreso.

El transistor de efecto de campo, como en la versión anterior, admite el equivalente y debe estar dotado de un buen radiador de calor.
El transistor Q1 puede ser el BC548 o equivalente, incluso Darlington, para mayor sensibilidad. La carga debe ser resistiva, y si se utiliza un cable largo hasta que el sensor debe ser blindado, con la malla conectada al positivo de la alimentación.
Recordemos que en los dos casos el sensor no debe recibir humedad, pues ella causaría la disminución de su resistencia, con un accionamiento errático.
El blindaje del sensor con epoxi es una solución para evitar este problema. El fusible debe ser dimensionado de acuerdo con la carga, así como la fuente de alimentación, para las dos versiones.
La prueba de funcionamiento se puede realizar utilizando una pequeña lámpara de 12 V como carga: se ajusta P1 para que la lámpara permanezca apagada o encendida, conforme la versión, y calentando el sensor por la aproximación de la punta de un soldador debe se produce el accionamiento del circuito, encendiendo o apagando la lámpara, según sea el caso.
Comprobado el funcionamiento, el circuito puede ser instalado de modo definitivo.
Para el control de la temperatura del coche, el sensor se sujeta al bloque del motor con epoxi y los puntos de conexión debidamente protegidos contra la humedad con un aislamiento reforzado, principalmente en los puntos de conexión.
Circuito 1 - Sensor de temperatura
Q1 - IRF632 o equivalente -transistor de efecto de campo de potencia
D1 - 1N4148 - diodo de silicio - sensor - ver el texto
R1 - 100 k ohms - resistor de 1/8 W
R2 - 1 M ohms - resistor de 1/8 W
R, - 4,7 M ohms - resistor de 1/8 W
P1 - trimpot de 10 M ohms
C1 - 100 nF - capacitor de cerámica o de poliéster
C2 - 1 000 uF - capacitor electrolítico de 16 V
Varios:
F1 - Fusible de 5 A o más
Placa de circuito impreso, radiador de calor para el transistor de potencia, soporte de fusible, botón para el potenciómetro, carga, fuente, hilos, soldadura etcétera
Circuito 2 - Termostato
Q1 - BC548 o equivalente - transistores NPN de uso general-
Q2 - lRF632 o equivalente -transistor de efecto de campo de potencia
D1 - 1N4148 - diodo de silicio - sensor
R1 - 47 k ohms: - resistor de 1/8 W
R2 - 100 k ohms - resistor de 1/8 W
R3 - 1 M ohms -resistor de 1/8 W
R4 - 4,7 M ohms - resistor de 1/8 W
P1 - potenciómetro de 10 M ohms
C1 - 100 nF - capacitor de poliéster o cerámica
C2 - 1 000 uF - capacitor electrolítico de 16 V
Varios:
F1 - Fusible de 4 A o más
Placa de circuito impreso, radiador de calor para el transistor de potencia, botón para el potenciómetro, soporte de fusible, tío blindado para el sensor, hilos, fuente de alimentación, soldadura, etc.



