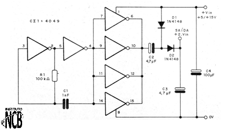
Este circuito consiste en un doblador de tensión que puede llegar a los 30 V de salida, pero con corriente de 1 o 2 mA como máximo, teniendo como base el circuito integrado CMOS 4049.
En la figura 1 tenemos el diagrama completo de este convertidor DC / DC.

La disposición de los componentes en una placa de circuito impreso se muestra en la figura 2.

Esta carpeta trabaja con apenas una fase de la señal del oscilador.
El oscilador, elaborado con dos variadores de los seis disponibles en el circuito integrado, tiene su frecuencia determinada por C1 y R1.
Esta frecuencia debe estar entre 2 y 10 kHz, y puede ajustarse en función de los valores de los componentes indicados.
Los otros cuatro inversores del mismo circuito integrado se utilizan como buffers / amplificadores para "reforzar" la salida hacia el doblador de tensión.
Los capacitores C2 y C3 deben tener tensiones de trabajo mayores que la prevista en la salida.
CI1 - 4049 - Circuito integrado CMOS
D1, D2- 1N4148-diodos de silicio
R1 - 100 k ohms - resistor de 1/8 W, 5%
C1 - 1 nF - capacitor de cerámica o de poliéster
C2, C3 - 4,7 uF - capacitores electrolíticos de 33 V
C4 - 100 uF - capacitor electrolítico de 16 V
Varios:
Placa de circuito impreso, zócalo para el circuito integrado, hilos, soldadura, etc.



