En algunas ocasiones, necesitamos transferir una señal de un lugar a otro y luego su retorno a la entrada original debe ser hecho de forma automática. Las aplicaciones para el interesante aparato que describimos en este artículo quedarán claras en el propio texto dado a continuación.
Si utilizamos nuestro transmisor de señales con la red de alimentación, con un simple toque en el sensor, hacemos que una luz más fuerte se encienda durante unos segundos para luego volver a una iluminación más suave.
Esto permite su uso en una habitación de niños, si necesitamos entrar por un momento para recoger algo, o incluso en un estudio.
Si utilizamos el aparato con señales de audio podemos pasar las señales de un amplificador, de una caja a otra, por unos instantes, volviendo la reproducción a la normal de modo automático.
En un banco de pruebas podemos, por el simple toque del sensor, hacer que la señal por un momento sea aplicada en un aparato bueno para una comparación con otro aparato, hacia donde la señal vuelve automáticamente.
La entrada del aparato permite el uso de diversos dispositivos de disparo, incluso de toque, y en la salida podemos controlar cargas de hasta 2 A.
CARACTERÍSTICAS
Tensión de alimentación: 110/220 V c.a.
Corriente de consumo: 10 mA (reposo) - 100 mA (relé accionado)
Temporización de retorno: 2 segundos a 15 minutos
Carga máxima controlada: 2 A
COMO FUNCIONA
El aparato consiste básicamente en un conmutador controlado por un temporizador 555.
Cuando una señal de mando del sensor o interruptor conectado a los puntos A y B del circuito se aplica al 555 monoestable, se dispara, y su salida al nivel alto.
El tiempo en que esta salida se mantiene en el nivel alto está determinado por el ajuste de P1 y por el valor de C1, que puede quedar entre 10 y 1000 uF.
Para intervalos de fracción de segundo a 1 o 2 minutos utilice el valor más bajo.
Para intervalos de hasta 15 minutos, utilice el valor más grande.
Con la salida del 555 en el nivel alto, el transistor Q1 se lleva a saturación, energizando la bobina del relé que activa los contactos reversibles.
Usando el par de contactos reversibles podemos entonces hacer la conmutación de las señales de una carga externa.
La alimentación del circuito viene de una fuente simple, sin estabilización, ya que su funcionamiento no es crítico.
MONTAJE
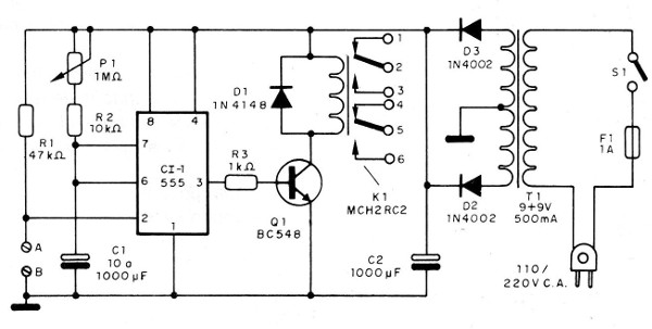
En la figura 1 tenemos el diagrama completo del aparato

Su montaje se puede hacer en una pequeña placa de circuito impreso como se muestra en la figura 2.

El conjunto se puede instalar en una caja plástica con terminales de tornillo o incluso tomas para la conmutación de las cargas, según el tipo de utilización deseada.
En la figura 3 damos una sugerencia de caja, con los controles, las salidas de control y el sensor.

El sensor admite varias posibilidades, como por ejemplo un simple interruptor de presión, un reed-switch o un sensor de tacto.
Para el sensor de tacto tenemos que cambiar R1 por un resistor de 2,2 a 4,7 M ohms, de acuerdo con la sensibilidad deseada.
Para controlar cargas de mayor potencia el relé puede ser sustituido por uno de mayor corriente de contacto.
La fuente de alimentación también puede ser sustituida por 4 pilas medias o grandes, en cuyo caso debemos cambiar el relé por una unidad de 6 V.
PRUEBA Y USO
Para probar el aparato coloque el potenciómetro P1 en la posición de menor tiempo (menor resistencia) y conecte momentáneamente los puntos A y B.
Cuando esto ocurre (un solo toque momentáneo), el relé debe cerrar sus contactos para luego abrir.
Abriendo P1, el tiempo en que el relé permanece activado después del toque aumenta.
Con la ayuda de un reloj o cronómetro podemos elaborar una escala para P1.
a) Intercambio de cargas alimentadas por la red
Esto se hace con las conexiones mostradas en la figura 4.

Con un toque en el sensor la carga B pasa a ser alimentada por un tiempo determinado por el ajuste de P1 Después de este tiempo la carga La vuelta a recibir la alimentación normal.
b) Intercambio de puntos de aplicación de señales.
En la figura 5 tenemos la indicación de cómo conectar los dos altavoces de modo que la señal de un amplificador pase de uno a otro por el mando del sensor y luego vuelva de modo automático.

Para hacer lo mismo en una versión estereofónica tenemos las conexiones mostradas en la figura 6.

Con el relé indicado podemos hacer la conmutación de altavoces en sistemas de sonido hasta 30 W por canal. Para potencias mayores es necesario utilizar un relé de mayor capacidad de corriente.
c) Inversión de polaridad.
Con un simple toque o botón de mando la polaridad de la alimentación de un circuito es invertida, o incluso la fase de la alimentación de la red, con las conexiones mostradas en la figura 7.

Esta disposición puede ser interesante para verificar la entrada de ruidos de la red en aparatos que estén en prueba.
Semiconductores:
CI1 - 555 - circuito integrado
Q1 - BC548 o equivalente -transistor NPN de uso general
D1 - 1N4148 - diodo de silicio de uso general
D2. D3 - 1N4002 - diodos rectificadores de silicio
Resistores: (1/8 W, 5%)
R1 - 47 k ohms
R2 - 10 k ohms
R3 - 1 k ohms
P1 - 1 M ohms - potenciómetro
Capacitores: (electrolíticos para 16 V o más)
C1 - 10 a 1 000 uF - ver el texto
C2 - 1 000 uF
Varios:
T1 - transformador con primario de acuerdo a la red y secundario de 9 + 9 V x 500 mA
F1 - fusible de 1 A
K1 - Relé de 12 V con contactos de 2 A
S1 - interruptor simple
Placa de circuito impreso, caja para montaje, botón plástico para P1, sockets para el integrado y el relé, soporte para fusible, cable de alimentación, puente de terminales de tornillos, hilos, soldadura, etc.



