Una etapa importante de las fuentes de alimentación, inversores, generadores de tensiones muy altas (MAT), electrificadores y otros equipos es la que hace la rectificación y eventualmente la multiplicación de la tensión, para que ella alcance valores más elevados que los disponibles en la aplicación. Para cambiar una tensión, multiplicándola por valores diversos, hay varias configuraciones que son muy útiles. Son las dobladores, triplicadores, cuadruplicadores o multiplicadores por n de tensiones, de que trataremos en este artículo.
Para obtener una tensión continua mayor que el valor de pico de una tensión alternada a partir de un proceso de rectificación y filtrado, existen diversas soluciones prácticas. En realidad, podemos multiplicar tensiones alternas, obteniendo tensiones continuas de valores mucho más altos usando sólo componentes pasivos como diodos y capacitores. Las configuraciones de las carpetas, los triplicadores o aún multiplicadores por cualquier factor entero positivo son bastante comunes en fuentes de alimentación de muchos aparatos electrónicos. Para el lector que desea hacer uso de estas configuraciones, damos algunas de ellas a continuación. Observamos que estos circuitos son básicamente creados para operar en la red de 60 Hz, sin embargo, también pueden operar con frecuencias más altas, en cuyo caso los capacitores pueden tener sus valores reducidos proporcionalmente.
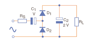
1. Doblador de tensión convencional
Esta configuración se muestra en la figura 1, usando dos diodos y dos capacitores.

Las tensiones de trabajo de los capacitores deben ser como mínimo el valor de pico de la tensión de entrada. Los valores de Rs y Rc son bastante bajos sirviendo normalmente para limitar los brotes de corriente en el momento en que el circuito está conectado, encontrando los capacitores descargados.
Una corriente muy intensa en este momento podría causar daños a los diodos. Los valores típicos para la tensión de la red de energía son de 10 a 50 uF para los capacitores. Los diodos pueden ser los 1N4004 para la red de 110 V y 1N4007 para la red de 220 V, hasta unos 500 mA de salida, típicamente.
2. Doblador de tensión en cascada
Esta configuración se muestra en la figura 2 y hace uso de dos diodos y dos capacitores.

El capacitor C2 en esta configuración, sin embargo, debe tener una tensión de trabajo que sea el doble de la tensión de pico de entrada. La finalidad de Rs en este circuito es la misma del circuito anterior. Los valores típicos para los diodos y los capacitores son los mismos del circuito anterior.
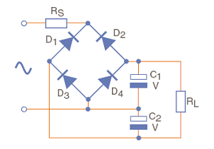
3. Doblador de tensión en puente
Esta configuración trabaja en onda completa y hace uso de cuatro diodos en puente. Muestra su circuito en la figura 3. La tensión de salida será aproximadamente el doble de la tensión de entrada.

Observe que los dos capacitores deben tener tensiones de trabajo que sean al menos del mismo valor que el pico de la tensión de entrada. También es conveniente utilizar una resistencia Rs en la entrada para evitar picos elevados de tensión en el circuito cuando la fuente está conectada.
4. Triplicador de tensión de onda completa
La tensión de salida del circuito de la figura 4 es aproximadamente el triple del valor de la tensión de entrada.

Se utilizan 3 diodos y tres capacitores, siendo las tensiones mínimas de trabajo de los capacitores por lo menos 50% mayor que la tensión de pico de entrada. Vm en este circuito es el valor medio de la tensión de entrada. Se puede añadir un resistor (Rs) en serie con la entrada como en los circuitos anteriores, para limitar la corriente en el momento en que la fuente está conectada.
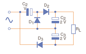
5. Triplicador de tensión en cascada
El circuito de la figura 5 proporciona en su salida una tensión que es aproximadamente el triple de la tensión de entrada.

Las tensiones mínimas de trabajo de los capacitores son al menos un 50% mayor que el pico de entrada. El resistor Rs limita la corriente en el momento en que el circuito está conectado y encuentra los capacitores descargados.
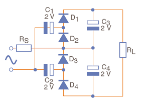
6. Cuadruplicador de tensión de onda completa
El circuito mostrado en la figura 6 proporciona en su salida una tensión aproximadamente 4 veces mayor que la tensión aplicada en su entrada.

Los valores de las tensiones de trabajo mínimo de los capacitores se indican en el diagrama. Nuevamente las tensiones de los capacitores deben ser mayores que el pico de entrada. También se recomienda el uso de un resistor (Rs) en serie con la entrada.
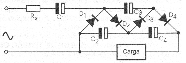
7. Cuadruplicador de tensión de media onda
Este circuito utiliza cuatro diodos y cuatro capacitores multiplicando por 4 la tensión de entrada. Los valores de las tensiones de trabajo mínimas de los capacitores son mayores que el pico de entrada y en los demás circuitos. La figura 7 muestra el circuito completo del cuadruplicador.

8. Multiplicador de tensión por n
En el circuito de la figura 8, n puede ser cualquier factor positivo entero, y por él se multiplicará la tensión de entrada.

Los capacitores usados en este circuito deben tener tensiones mínimas mayores que el pico de entrada. Recordamos a los lectores que no podemos crear energía.
Así, a medida que vamos obteniendo tensiones mayores con la multiplicación dada por estos circuitos, las corrientes disponibles en la carga se van volviendo proporcionalmente menores. Se tiene en cuenta que en el proceso de multiplicación de tensión existen pérdidas a ser consideradas, lo que reduce aún más la corriente que podemos obtener en las salidas y consecuentemente la potencia.



