La luz que incide en un sensor hace que este circuito accione un relé. Podemos modificar el circuito para que funcione con la interrupción de la luz. El circuito es muy sensible, siendo una de las aplicaciones posibles como detector de presencia.
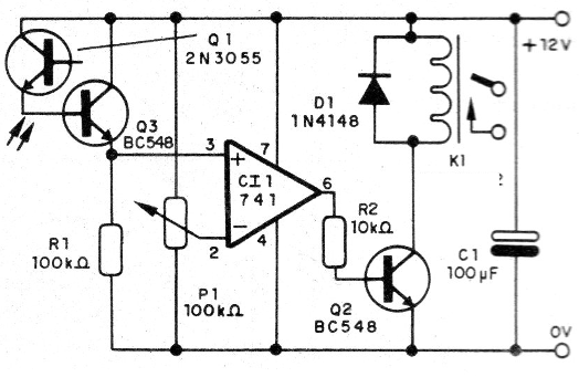
Este circuito utiliza cualquier foto-transistor como sensor e incluso un foto-diodo, con una sensibilidad muy grande dado el uso de un transistor amplificador y un amplificador operacional.
La alimentación debe ser hecha con 12 V de fuente, dado el uso de un relé para esta tensión.
La carga controlada depende exclusivamente de la capacidad de los contactos del relé utilizado.
El circuito funciona con un foto-transistor conectado a la base de un transistor amplificador.
El transistor aplica la señal a la entrada no inversora de un amplificador operacional 741 configurado como comparador de tensión.
La tensión de referencia que es la tensión sin iluminación, es fijada por el ajuste de un trimpot conectado a la entrada inversora del operacional.
Cuando el sensor está iluminado, la salida del funcionamiento que estaba en el nivel bajo va al nivel alto, saturando el transistor que controla el relé.
En estas condiciones el relé cierra sus contactos, activando una carga externa, por ejemplo, un sistema de alarma.
Montaje
En la figura 1 tenemos el diagrama completo de la foto-alarma

El montaje se puede realizar en una pequeña placa de circuito impreso con la disposición de los componentes mostrada en la figura 2.

Esta placa prevé el uso de relés basados en DIL, pero si se utilizan otros tipos, el diseño debe ser modificado.
En el montaje, observe la posición del circuito integrado y de los transistores.
Los resistores son de 1/8 W con cualquier tolerancia.
Como sensor se puede utilizar cualquier tipo de foto-transistor e incluso foto-diodos.
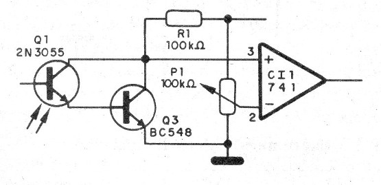
En la figura 3 damos el modo de conectar la etapa sensora para invertir el funcionamiento del circuito, que pasará a operar con el corte de la luz sobre el sensor.

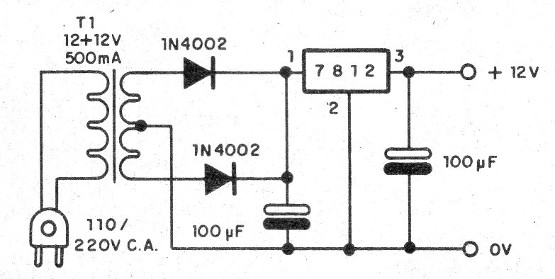
En la figura 4 tenemos una simple fuente de alimentación regulada para alimentar el circuito.

El transformador puede tener corrientes de 300 a 500 mA y el circuito integrado regulador no necesita ser montado en disipador de calor.
Para controlar una carga externa, la conexión debe realizarse como se muestra en la figura 5.

Para probar, instale el sensor en un tubo opaco y apunte a un lugar oscuro.
Ajuste P1 para que el relé quede apagado.
Apunte el sensor a un lugar iluminado, cuando el relé debe cerrar sus contactos ajustando P1 para ello.
Una lente colocada delante del tubo con el sensor permite obtener mayor directividad y sensibilidad.
En este caso, el circuito puede ser utilizado como un control remoto accionado por linterna o por el faro de un coche controlando, por ejemplo, la apertura de una puerta de garaje.
De la misma forma, en la versión por interrupción se puede utilizar como alarma de paso, sólo debe añadirse el bloqueo al relé.
Esto se puede hacer utilizando el segundo par de contactos del relé.
CI-1 - 741 - circuito integrado
Q1 - cualquier foto-transistor
Q2, Q3 - BC548 - transistores NPN de uso general
D1- 1N4148 - diodo de uso general
R1 - 100 k ohms - resistor - marrón, negro, amarillo
R2 - 10 k ohms - resistor - marrón, negro, naranja
P1- 100 k ohms - trimpot o pote
C1 - 100 uF x 16 V - capacitor electrolítico
Varios:
Placa de circuito impreso, caja para montaje, fuente de alimentación, hilos, soldadura, etc.



