Las topologías comunes de convertidores DC / DC normalmente hacen uso de inductores para obtener un dispositivo de almacenamiento de energía que se utiliza para generar la tensión mayor de salida. Sin embargo, los inductores son componentes problemáticos en algunas aplicaciones, como las automotrices. Así, habiendo la posibilidad de tener una conversión sin inductor, la solución se vuelve atractiva en muchas aplicaciones. En este artículo, basado en un Application Note de Maxim (www.maxim-ic.com) mostramos cómo es posible desarrollar estos convertidores. (2009)
La idea básica para obtener tensiones mayores a partir de fuentes de tensiones menores sin el uso de inductores es la que se basa en las bombas de carga. La gran ventaja en la utilización de esta topología está en su simplicidad y eficiencia, que es un requisito muy importante principalmente en los equipos portátiles. La ventaja principal en el uso de las bombas de carga está en la no necesidad de utilizar inductores o semiconductores adicionales.
Las bombas de carga
Los convertidores DC / DC que hacen uso de esta tecnología emplean normalmente capacitores cerámicos o electrolíticos, dependiendo de la cantidad de energía que debe ser almacenada y por lo tanto de la potencia de la carga que debe ser alimentada.
A diferencia de los inductores, sin embargo, los capacitores no pueden alterar la tensión entre sus terminales de forma abrupta como ocurre con los inductores. Simplemente apagar un inductor, para que la contracción de las líneas del campo creado generen una tensión mayor que aquella que creó este campo. En el caso de los capacitores, al ser apagados, siempre tenemos una caída exponencial de la tensión entre sus terminales.
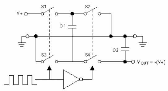
La idea básica de una bomba de carga es conmutar periódicamente capacitores que se cargan en paralelo y descargan en serie. Así, la tensión de entrada (carga) se multiplica por dos en la descarga. Para esta conmutación se deben utilizar circuitos con componentes activos. Otra posibilidad de uso para las bombas de carga consiste en hacer la carga de los capacitores con una polaridad y descargarlos en la carga con la polaridad invertida. En este caso tenemos un circuito convertidor DC / DC que invierte la polaridad de una fuente. Un ejemplo de este tipo de circuito se muestra en la figura 1.

La señal de reloj en la entrada determina la frecuencia de la conmutación de los capacitores. Esta frecuencia dependerá de la corriente en la carga y de los valores de los capacitores usados. En el circuito mostrado tenemos la inversión de la polaridad de la tensión de entrada, con el mantenimiento de su valor. Los cambios en este circuito permiten que se utilice para doblar o dividir por dos la tensión de entrada.
En el comercio existen circuitos integrados que ya poseen esta configuración completa posibilitando así la implementación de los convertidores de una forma simple, barata y rápida. Entre ellos podemos destacar los MAX600, MAX860, MAX861, MAX1680 y MAX1681 que operan con frecuencias elevadas, posibilitando así el uso de capacitores de valores pequeños. Las llaves internas para mayor rendimiento poseen baja resistencia de conducción.
Divisor de Tensión Capacitivo
Otra posibilidad de aplicación consiste en dividir por dos la tensión de entrada al mismo tiempo que se dobla la capacidad de suministro de corriente del circuito. Podemos citar como ejemplo las interfaces de 4 a 20 mA usadas en adquisición de datos y redes con sensores.
Otra aplicación es en la alimentación de amplificadores operacionales de las nuevas generaciones que pueden operar con tensiones muy bajas. Una configuración básica para este tipo de aplicación se muestra en la figura 2. Este circuito básico, divide por dos la tensión de entrada usando un divisor capacitivo formado por los capacitores C3, C4, C5 y C6. En él, los capacitores se cargan en serie y se descargan en paralelo. Así, conmutando estos capacitores alternativamente se obtiene en la carga mitad de la tensión de entrada.

El circuito integrado utilizado, MAX820, posee internamente los elementos necesarios a este tipo de conmutación, pudiendo suministrar corrientes de salida superando 1 mA con una eficiencia mayor que 90%. La frecuencia de conmutación del circuito es de 35 kHz y la corriente quiescente de sólo 35 uA. En este circuito práctico, la máxima tensión de entrada es de 5,5 V.
Bombas de carga reguladas
En las aplicaciones modernas no basta con tener un circuito inversor que altere una tensión. Para aplicaciones críticas, la tensión de salida debe ajustarse. Actualmente están disponibles en el mercado diversos circuitos integrados de inversores de este tipo que ya poseen recursos para la regulación de la tensión de salida.
Estos circuitos poseen componentes que hacen la compensación de la frecuencia para obtener una variación de la tensión de salida de acuerdo con una referencia, manteniéndola así en un determinado valor. Uno de estos circuitos se muestra en la figura 3.

Este circuito proporciona una tensión de salida fija de 5 V con una corriente máxima de 250 mA a partir de tensiones de entrada de 2,7 V a 5,5 V.
Inversor regulado
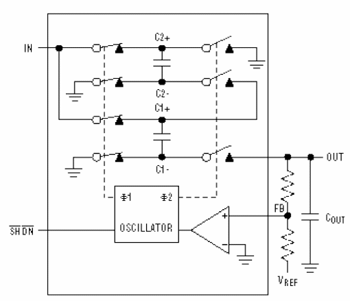
Una aplicación importante que se utiliza en algunas aplicaciones es la del inversor regulado, un inversor que proporciona una tensión negativa regulada a partir de una tensión de entrada positiva. Un ejemplo de este tipo de circuito se muestra en la figura 4. El circuito presentado proporciona una tensión negativa de 5 V a partir de una tensión de entrada positiva de 5 V.

Observe que en este circuito, que opera en 450 kHz con un MAX868 existe un comparador interno que muestra la tensión de salida a partir de una referencia para controlar el oscilador. Este control, actuando sobre el ciclo activo de la señal, posibilita un control eficiente de la tensión de salida.
Conclusión
El aspecto atractivo de estas configuraciones está en el hecho de que no necesitan de inductores en la salida. Los inductores son componentes problemáticos, principalmente en las aplicaciones que exigen mayores corrientes, lo que hace de su eliminación un punto importante de un proyecto.
El uso de bombas de carga, que trabajan exclusivamente con capacitores posibilita el desarrollo de topologías que tanto pueden invertir la polaridad de una tensión como pueden alterar su valor doblándolo o reduciéndolo a la mitad. La regulación es también un recurso importante que se puede implementar en esta topología.



