La NXP describe en una aplicación la elaboración de dos circuitos inversores para lámparas CFL de 18 W. Estos circuitos se basan en el componente UBA2024 de la NXP (www.nxp.com) que consiste en un circuito integrado de potencia de media puente para excitación de cargas de carga alta tensión.
Con el uso de este circuito integrado la elaboración de proyectos de lámparas económicas queda simplificado, pues pocos componentes externos adicionales son necesarios.
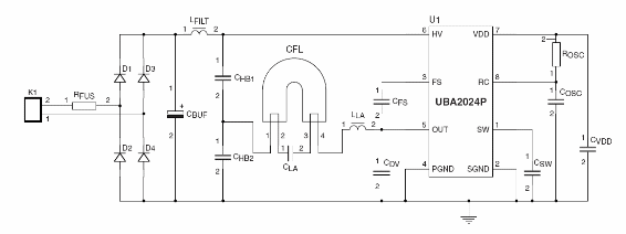
Conforme podemos ver por la figura 1 en que tenemos un primer circuito, sin doblador, además del puente de diodos, pocos resistores y condensadores son necesarios para una aplicación completa.

Ya con el circuito de la figura 2 tenemos una pequeña alteración que, con dos resistores y dos condensadores posibilita la alimentación del circuito con tensiones más bajas, pues tenemos un doblador de tensión.

El primer circuito está indicado para las redes de 110 V (a partir de 100 V) y el segundo a 220 V / 240 V. El mismo circuito se aplica a las lámparas de 3 a 18 W.
Para las aplicaciones indicadas en la siguiente tabla proporciona los valores de los componentes que se deben utilizar.

El circuito integrado UBA2024P de NXP además de la potencia de potencia también incluye el circuito oscilador interno y los recursos para alimentación con alta tensión. También tenemos el recurso del soft start con la frecuencia reduciendo a partir de un valor inicial.
El circuito integrado BA2024 está disponible en envoltorio DIP posibilitando el montaje de unidades extremadamente compactas. Más información puede obtenerse en el AN10713 de NXP que se puede descargar en formato PDF de Internet.



