Describimos en este artículo el montaje de un excelente amplificador de alta fidelidad que proporciona una potencia de 40 W (rms) por canal, utilizando para ello sólo un integrado y pocos componentes periféricos (para cada canal). La disponibilidad del circuito integrado TDA1514A utilizado como base en nuestro mercado y su excelente calidad de sonido hacen el diseño especialmente atractivo para los lectores que desean montar su propio sistema de sonido comenzando por un buen amplificador de audio.
El artículo es de 1992. Hoy existen soluciones de mayor rendimiento en clase D.
El circuito integrado TDA1514A de la SID-PHILIPS consiste en un amplificador de potencia de audio indicado para diversas aplicaciones como TV, Hl-Fl, compact disc, grabadoras de cinta, etc.
Un único TDA1514A puede proporcionar una potencia de audio de hasta 40 W en carga de 8 ohms. Dos de ellos, en configuración, puente (BTL) pueden proporcionar a una carga de 8 ohms una potencia de 95 W.
Si bien existe la posibilidad de hacer la alimentación con fuente simple, en este proyecto describimos el uso de una fuente simétrica.
El TDA 1514A posee además el recurso del mute y stand-by que serán descritos en el transcurso.
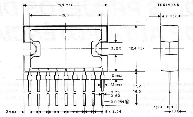
El TDA1514A se presenta en envoltorio SIL de 9 pines con funciones para montaje directo en un radiador de calor. En la figura 1 tenemos el aspecto de este integrado con la identificación de sus terminales.

Un diagrama de bloques de las funciones internas disponibles se muestra en la figura 2.

CARACTERÍSTICAS
Bandas de tensión de alimentación: -10 / 0 / + 10 V a -30 / O / + 30 V
Corriente máxima de pico de salida (pico repetitivo): 8 A
Corriente máxima disponible de salida (pico): 6,4 A
Temperatura máxima del cristal: 150 ° C
Resistencia térmica (Rthvj-mb): menor que 1 k ohmios / W
Corriente quiescente: 58 mA
Impedancia de entrada (pin 1): mayor que 1 M ohms
Impedancia de salida: 25 M ohms
Relación señal / ruido a 50 mW con Rs: 2 k ohms: 86 dB
Potencia de salida del 0,1% de THD:
Carga de 4 ohms: 52 W (-24 / 0 / + 24 V)
Carga de 8 ohms: 40 W (-27,5 / 0 / + 27,5 V)
BTL con 8 ohms: 95 W (-24 / 0 / + 24 V)
Mute y Stand-by
Con un cierto nivel de tensión entre los pines 3 y 4, el estado del TDA1514A puede cambiar.
Si esta tensión está entre 6 y 7 V el TDA1514A estará en el estado de operación. Si esta tensión está entre 2 y 4,5 V, el TDA estará en el estado de "mute". Esto significa que el circuito no funcionará, pero las corrientes c.c. permanecen en el mismo estado que el de operación.
La impedancia de salida se mantendrá baja. Con este potencial entre 0 y 0,9 V el TDA1514A estará en el estado stand-by.
La corriente quiescente caerá a un cierto valor "típico del orden de '18 mA.
El gráfico de la figura 3 muestra lo que ocurre en estas condiciones.

En este gráfico Ip y Vo son dados como función de la tensión entre los pines 3 y 4 con una entrada constante de 100 mV.
GANANCIA
La sensibilidad de entrada para una potencia de salida de 20 W con una carga de 8 ohmios es de 418 mV.
La ganancia con retroalimentación a una frecuencia de 1 kHz es 29,6 dB. La ganancia puede ser variado por los resistores R1 y R2 en un rango de 20 a 46 dB.
Puntos Críticos del Circuito
Para obtener los menores niveles de distorsión, se debe tener cuidado con el diseño de la placa de circuito impreso.
Los siguientes componentes son críticos cuando se colocan:
Los capacitores de desacoplamiento de altas frecuencias en las líneas de alimentación (C5 y C6 en el diagrama) deben montarse lo más cerca posible del TDA1514A. El cuidado debe ser tomado con los aterramientos.
La puesta a tierra de entrada de R1, R3 y C3 debe realizarse de forma única con una banda corta al pino 8.
Los capacitores C5 y C6 deben ser conectados a tierra tan cerca como sea posible del pino 8.
La resistencia R6 se conecta a tierra cerca de la clavija 8 y R7 se conecta a tierra cerca de la toma de tierra.
MONTAJE
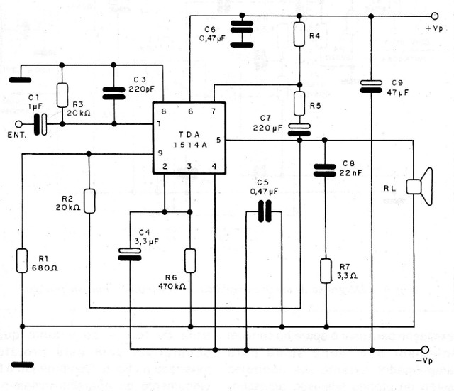
En la figura 4 damos el diagrama del amplificador (un canal) con fuente de alimentación simétrica.

La placa de circuito impreso sugerida por el propio fabricante se muestra en la figura 5.

Observe que el circuito integrado debe estar dotado de radiador de calor.
Para una carga de 4 ohms la resistencia R4 debe ser de 47 ohms y R5 de 82 ohmios. Para una carga de 8 ohmios, R4 es de 82 ohms y R5 de 150 ohms.
Se puede omitir R4, R5 y C7 (bootstrap), simplificando el proyecto, pero el pino 6 debe ser conectado al pin 7 y la potencia cae del orden de 3 a 4 W.
Los resistores son todos de 1/8 W o más y los electrolíticos deben ser para 35 V o más de tensión de trabajo.
Para la versión estéreo la corriente de la fuente sugerida en el montaje del TVBB debe ser duplicada.
La tensión de secundario del transformador se mantiene, y los electrolíticos doblan de valor.
En este caso, la cadena de la fuente debe ser triplicada.
Las tensiones se mantienen y los capacitores de filtro deben tener sus valores triplicados.
Prueba y uso
Para utilizar este amplificador necesitamos una fuente de señal con al menos 1 Vpp para excitación total.
Un buen preamplificador es fundamental.
Los altavoces deben estar aptos para soportar la potencia suministrada por el aparato.
Los controles de volumen, graves y agudos deben estar incorporados al circuito preamplificador o de excitación para usar el aparato con un televisor que tenga salida para amplificador externo, los controles serán del propio televisor, añadiendo eventualmente el de tonalidad.
Un preamplificador con control de tono y de volumen que es compatible con este proyecto se muestra en la fig. 6.

Comprobado el funcionamiento del aparato, instálelo de forma definitiva en una caja metálica con buena conexión a tierra.
Amplificador - 1 canal
Semiconductores:
CI-1 - TDA1514A - circuito integrado
Resistores: (1/8 W, 5%)
R1 - 680 ohms
R2 y R3 - 20 k ohms
R4 y R5 - ver texto
R6 - 470 k ohms
R7 - 3,3 ohms
Capacitores: (electrolíticos para 35 V)
C1 - 1 uF - electrolítico
C2 - no utilizado
C3 - 220 pF - cerámico
C4 - 3,3 uF - electrolito
C5 y C6 - 470 nF - cerámicos
C7 - 220 uF - electrolítico
C8 - 22 nF - cerámico o poliéster
C9 - 47 uF - electrolítico
Varios:
Placa de circuito impreso, radiador de calor para el integrado, caja para montaje, fuente de alimentación, hilos, soldadura, etc.



