El circuito integrado MID400 de Fairchild (www.fairchild.com) consiste en un monitor optoelectrónico para la tensión de la red de energía.
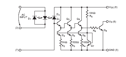
Conforme podemos ver por su circuito equivalente, mostrado en la figura 1, consiste en un LED emisor infrarrojo, ya con un diodo en paralelo y oposición para accionamiento con CA y un circuito amplificador con un paso de salida con colector abierto.

Este circuito se configura de tal forma que el transistor NPN de salida se mantiene en el corte cuando la energía está presente en la entrada, pasando a la saturación cuando la energía es cortada.
La gran ventaja en el uso de este componente está en el hecho de que es posible obtener un aislamiento completo de la red que está siendo monitoreada.
Con una resistencia de 22 k ohms en serie con el LED de entrada es posible utilizar el circuito directamente en la red de 110/127 V.
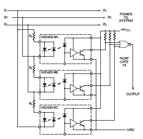
La aplicación que damos, sugerida por Fairchild en su Application Note NA-3007 es de un sistema de monitoreo para una red trifásica, usando tres sensores de ese tipo. El circuito se muestra en la figura 2.

Como podemos ver, cada sensor monitorea una de las fases y en la salida tenemos un pulso si alguna de las fases es cortada.
Los resistores de entrada pueden ser de 22 k ohms y las resistencias pull-up de salida de 3,3 k ohms. Los resistores de entrada se pueden cambiar para el seguimiento de otras tensiones.
Una característica importante en el circuito es el aislamiento de 2 500 V rms entre el sector óptico y el sector de control del CI.



