Presentamos dos preamplificadores para micrófonos de electreto que pueden ser desarrollados por el lector. El primero consiste en una aplicación profesional de ST Microelectronics y se basa en una placa de demostración para el circuito integrado TS472. Se trata de un preamplificador para ser utilizado como parte de un proyecto más avanzado como cámaras de vídeo y foto, portátiles y otras aplicaciones que implican, la captura de sonidos.
El segundo, más simple, es para el montador que desea un circuito con componente no dedicado para ser utilizado en una aplicación persona, en una instalación de sonido o para su propio uso, teniendo como base un amplificador operacional TL071 o equivalente.
Preamplificador con el TS472 - ST Microelectronics
La aplicación nota a ST Microelectronics (www.stmicro.com) describe la tarjeta de prueba DEMO TS472 específicamente diseñada para su preamplificador para micrófono TS472. Se trata de un circuito especialmente indicado para ser embutido en aplicaciones que utilizan micrófonos de eletreto.
Como primer proyecto de este artículo reproducimos el contenido básico de esa aplicación, proporcionando el diagrama del preamplificador para micrófono que presenta las siguientes características, dadas por el circuito integrado TS472 que se suministra en el envoltorio mostrado en la figura 1.

• Bajo ruido (10 nV / sqr / Hz tip) a 1 kHz
• Entradas y salidas totalmente diferenciales
• Rango de tensión de funcionamiento de 2,2 V a 5,5 V
• Bajo consumo: 1,8 mA
• Tiempo de arranque rápido; 5 ms (tip)
• Baja distorsión: 0,1% tip
• Rango pasante de 40 kHz con -3 dB y ganancia ajustable.
• Función standby de 1 uA max
• Salida de polarización de bajo ruido de 2 V
• Protección ESD
Entre las aplicaciones sugeridas por el fabricante tenemos:
• Cámaras de vídeo y fotos con entradas de sonido
• Sistemas de reconocimiento de voz y adquisición de sonido
• Sistemas de videoconferencia
• Notebooks y PDAs
La placa de demostración está diseñada para ayudar al diseñador en el desarrollo de circuitos que utilizan el circuito integrado TS472 de ST Microelectronics. Con esta tarjeta es posible ajustar la ganancia del dispositivo, utilizar el circuito con la polarización de 2 V de un micrófono de electreto, o aún polarizar externamente un micrófono de electreto.
La ganancia se puede ajustar a uno de los siguientes valores a través de los recursos existentes en la placa:
• -1,5 dB
• 0 dB
• 10 dB
• 20 dB
• 30 dB
• 40 dB
• 41 dB (máximo posible)
En la placa los lugares de los resistores R6 y R7 se dejan vacíos para permitir una evaluación del TS472 en una aplicación típica con un micrófono de electreto común usando la fuente interna de 2 V del TS472. Esta fuente consiste en un circuito de polarización de bajo ruido.
Sin embargo, los componentes R10, R11 y C11 que tienen ubicaciones previstas en la placa se pueden utilizar para polarizar un micrófono de electreto externamente.
En la figura 2 tenemos un circuito de aplicación típico para ese componente.

La información completa sobre la placa de demostración y el propio componente se puede descargar en formato PDF desde el sitio web de ST Microelectronics.
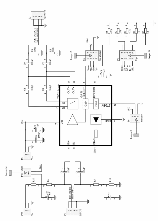
En la figura 3 tenemos el diagrama completo de la placa de demostración:

Preamplificador con el TL071
Nuestro segundo circuito hace uso de un amplificador operacional con FET en la entrada, lo que le garantiza excelentes características para ese tipo de aplicación, incluso bajo consumo. En la figura 4 tenemos el circuito completo del preamplificador, que debe tener sus componentes duplicados para una versión estéreo. El bajo consumo posibilita su alimentación a partir de una batería de 9 V.

Los capacitores de entrada y salida de 2,2 uF pueden ser electrolíticos, sin embargo, para aplicaciones en audio los capacitores de poliéster son mejores, y si hay posibilidad de ser usados, recomendamos que el lector lo haga.
Como en todo circuito de audio las conexiones deben ser cortas y las entradas de señales así como las salidas deben ser blindadas para que no ocurra la captación de zumbidos.
El resistor de 10 k ohmios puede reducirse si el circuito se alimenta con una tensión menor, en realidad, este circuito puede funcionar con tensiones a partir de 3 V. Posibles cambios en los resistores de polarización del CI pueden ser necesarios en este caso.
El lector también podrá utilizar circuitos integrados equivalentes a los indicados como el CA3140 y otros más antiguos, si están disponibles en su caja de materiales.



