Un toque de los dedos en el sensor dispara este circuito que mantiene conectado cualquier aparato por un tiempo predeterminado. Pasando el tiempo ajustado, el aparato se apaga y está listo para recibir otro comando. El circuito es muy sensible y funciona tanto con una fuente de alimentación, como con pilas comunes.
Los interruptores temporizados de toque tienen muchas utilidades importantes en la electrónica y en la vida diaria.
En el taller podemos usarlo para la prueba automática de aparatos, por ejemplo, un transmisor, manteniéndolo encendido por un tiempo mientras verificamos con un receptor su alcance.
En el hogar podemos usarlo para: activar la lámpara del balcón, escalera, pasillos o garaje por un cierto tiempo, mientras salimos o entramos.
El circuito propuesto es bastante simple y utiliza componentes de bajo costo. Se trata de un sistema monoestable, es decir, que después de activado permanece encendido, sólo por un intervalo de tiempo preestablecido.
Conforme a los valores de los componentes y el ajuste realizado, este intervalo puede pasar de media hora lo que es suficiente para la mayoría de las aplicaciones prácticas.
Los tiempos mayores pueden ser tentados con la utilización de condensadores de buena calidad (sin fugas).
Como el sector de disparo del circuito se hace con baja tensión a partir de transistores, no existe ningún peligro de choque.
La propia corriente que circula por el sensor es del orden de micro-campos, lo que no puede causar ningún daño a quien toque el sensor.
La corriente de reposo, es decir, a condición de no disparado también es muy baja, lo que significa que la durabilidad de las pilas será muy grande.
La base del circuito es un multivibrador monoestable, hecho en torno a un circuito integrado 555.
El disparo del monoestable es hecho por un transistor que tiene el sensor conectado en su base.
La polarización de base viene del tacto con los dedos en el sensor, haciendo el transistor conducir y con ello bajar su tensión de colector a punto de obtener el disparo.
Para mayor sensibilidad se puede intentar una configuración Darlington, sin embargo, esta configuración aumenta la sensibilidad del aparato a ruidos, lo que significa que debe disminuir la longitud del cable de conexión al sensor, o su blindaje.
En realidad, el ruido es un problema que impide que el sensor sea un objeto de gran tamaño, como por ejemplo: un automóvil.
Para excitar el relé utilizamos un segundo transistor, de uso general. El Relé de 2 A para sus dos contactos, que se pueden usar independientemente.
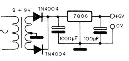
También se puede utilizar una fuente de alimentación para alimentar el circuito (figura 1).

El transformador tiene un secundario de 9 + 9 o 12 + l2 V con corriente de 100 a 500 mA y primario de acuerdo con la red local.
El electrolítico de 1000 uF debe tener una tensión de trabajo de 16 o 25 V y el integrado debe montarse en un radiador de calor.
En la figura 2, proporcionamos el circuito completo del aparato.

El montaje en placa de circuito impreso se muestra en la figura 3.

Para el integrado y el relé se utilizan sockets de tipo DIL de 8 pines. Como sensor podemos usar dos plaquitas de metal cercanas o dos alfileres.
Otra posibilidad consiste en la puesta a tierra del sensor en Xl y utilizar un solo toque para X2.
El cable de conexión al sensor no puede tener más de 3 metros de longitud.
Para longitudes mayores, debe ser blindado con la malla a tierra. Ajuste inicialmente P1 para el menor tiempo (menor resistencia). Luego toque un instante en los sensores.
El relé debe cerrar sus contactos y así permanecer por algunos segundos (dependiendo del valor del capacitor).
Pasando el tiempo de temporización el relé debe desarmar y estar listo para una nueva activación.
Si el aparato no se dispara, compruebe que no haya ningún problema de fuga del transistor.
Para ello con el sensor apagado, cortocircuite momentáneamente el emisor y el colector.
Si no hay disparo, retire el transistor y pruebe. Si es bueno el problema es el integrado. Si hay el disparo, el problema puede estar en el propio transistor y no en el integrado.
CI-1 - 555 - Circuito Integrado
Q1 y Q2 - BC548
D1 - 1N4148
K1 - - Relé de 6 V
P1 - 1 M ohms - Potenciómetro
S1 - Interruptor simple
B1 - 6 V - 4 pilas pequeñas
Resistores de 1/4 o 1/8 W
R1 - 47 k ohms
R2 - 22 k ohms:
R3 - 100 k ohms
R4- 1 k ohms
Capacitor:
C1 - 470 uF x 6 V o más - electrolítico



