Este amplificador, que cabe en su bolsillo, se puede utilizar para que usted pueda tomar conversaciones en salas adyacentes usando un cable común para conectar el micrófono oculto. El circuito tiene bajo consumo y la escucha es hecha en fuente.
El amplificador muy simple que describimos es ideal para componer el maletín de equipos "high tech" del agente secreto o detective. Se trata de un amplificador portátil para escucha de conversaciones o monitoreo, siendo tan pequeño que en la versión en placa de circuito impreso, cabe en el bolsillo.
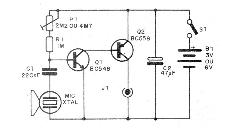
El circuito consiste en un simple amplificador de dos transistores en entrada para micrófono común pudiendo ser alimentado por dos o cuatro pilas AA o AAA. El sonido puede ser configurado para que la banda de voz sea realzada, lo que se consigue cortando los agudos con el aumento de un capacitor, como muestra la figura 1.
Montaje
En la figura 2 damos el diagrama completo del sistema.
Para el montaje tenemos dos opciones que dependen de los recursos que cada uno posea.
La primera, que no lleva a un montaje tan compacto, es la que hace uso de un puente de terminales, con la disposición de componentes mostrada en la figura 3.
La segunda, recomendada, es la que hace uso de una pequeña placa de circuito impreso y que se muestra en la figura 4.

En el montaje, observe las posiciones de los transistores y aunque sean de tipos diferentes. El auricular es de baja impedancia y el micrófono puede ser tanto del tipo dinámico como piezoeléctrico.
El cable de micrófono debe ser delgado y del tipo blindado. Tenga un micrófono preparado con un cable de unos 5 metros de longitud. En la figura 5 tenemos el modo de utilizar el sistema.
Para probar, basta hablar delante del micrófono y comprobar si hay reproducción, ajustando el potenciómetro para una mejor calidad de sonido.
Lista de material
Q1 - BC548 - transistores NPN de uso general
Q2 - BC558 - transistores PNP de uso general
S1 - Interruptor simple
B1 - 2 o 4 pilas pequeñas (AA) o palillo (AAA)
MC - micrófono - ver texto
P1 - 2M2 ohms - potenciómetro
C1 - 220 nF - capacitor de poliéster o cerámico
C2 - 47 uF x 6 V - capacitor electrolítico
R1 - 1 M ohms x 1/8 W - resistor - marrón, negro, verde
J1 - jack para auriculares
X1 - Auricular de baja impedancia
Varios:
Puente de terminales o placa de circuito impreso, soporte de pilas, caja para montaje, hilos, soldadura, cable blindado, etc.







