La configuración de amplificadores de puente se utiliza muy bien cuando se desea multiplicar la potencia de un sistema. Sin embargo, para estas configuraciones es necesario contar con un inversor de fase para las señales de audio. Es justamente ese circuito que describimos en este artículo.
Al conectar dos amplificadores en puente (Bridge Tied Load o BTL) como muestra la figura 1, podemos multiplicar por dos la potencia de un sistema.
De hecho, conectando dos amplificadores de 50 vatios no obtenemos sólo 100 W, sino 200 W, dada la aplicación simultánea de señales en oposición de fase, lo que significa multiplicar por 2 la tensión de pico en la carga. Como la potencia es proporcional al cuadrado de la tensión (P = V2 / R), tenemos en realidad una potencia cuatro veces mayor.
Sin embargo, para obtener una configuración BTL o puente no basta con tener dos amplificadores iguales. Si los amplificadores tienen entradas inversoras y no inversoras, el problema de la conexión en puente está resuelto, como muestra la figura 2.
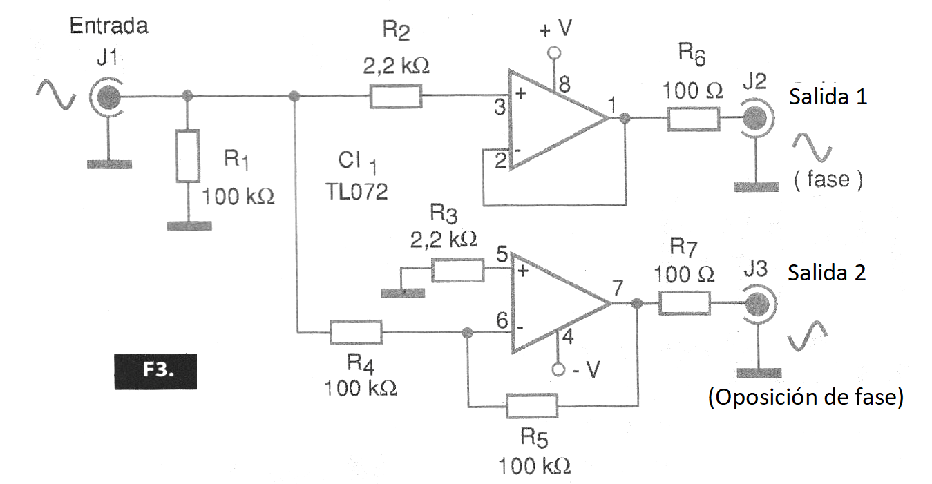
Sin embargo, si esto no ocurre, debemos tener un circuito que proporcione señales de la misma amplitud pero en oposición de fase para la excitación de estos amplificadores. Un circuito de este tipo se muestra en la figura 3.
Este circuito hace uso de dos amplificadores operativos que, en la configuración indicada operan como seguidores de tensión, o sea, presentan ganancias unitarias. Aplicamos las señales de entrada en la entrada inversora y no inversora de estos amplificadores, obteniéndose así en las salidas señales de audio idénticas, pero con fases opuestas. Estas señales se pueden utilizar para excitar un paso de potencia BTL o puente.
La fuente de alimentación para este circuito debe ser simétrica de 12 + 12 V o 15 + 15 V con excelente filtrado para que no ocurran roncos, pues la entrada de señal es de alta impedancia. Los resistores de 100 ohms conectados en serie con las salidas de los operativos tienen por finalidad prevenir inestabilidades. Si las oscilaciones ocurren en el circuito, lo que debe evitarse, esas oscilaciones que pueden llegar a cientos de kilohercios pueden destruir los transistores de salida de los amplificadores de potencia o incluso los circuitos integrados.
La sensibilidad de entrada del circuito requiere su operación con señales entre 500 mV y 1 Vpp.
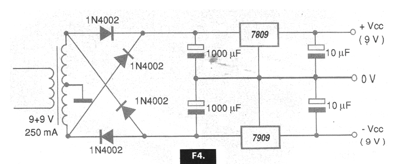
Se recomienda el uso de resistores de película metálica para mayor estabilidad y para que los ruidos no se introduzcan en el circuito. En la figura 4 tenemos una sugerencia de fuente simétrica para la alimentación de ese circuito.
Dependiendo de la aplicación, si los amplificadores de potencia ya utilizan fuentes simétricas, la alimentación de ese circuito puede derivarse de esas fuentes, ya que el consumo es extremadamente bajo.
Lista de material
CI-1 - TL072- circuito integrado
R1, R4, R5- 100 k ohms x 1/8 W - resistor
R2, R3 - 2,2 k ohms x 1/8 W - resistores
R6, R7 - 100 ohms x 1/8 W - resistores
J1, J2, J3 - jack de entrada y salida (opcionales)
Varios:
Placa de circuito impreso, fuente simétrica, hilos, soldadura, etc.







