Los capacitores pueden ser utilizados muchas formas y con muchas finalidades en los circuitos electrónicos. Sin embargo, existen dos funciones en las que estos componentes se utilizan que necesitan ser entendidos por los profesionales. En este artículo trataremos de los capacitores usados en los circuitos de acoplamiento y desacoplamiento.
Sabemos que los capacitores están formados por dos conductores (armaduras) separados por un material aislante, denominado dieléctrico. Cuando aplicamos una tensión en las armaduras, se cargan con una carga y, después de eso, ninguna corriente circulará, como muestra la figura 1.
Sin embargo, estos conceptos son válidos cuando tratamos de los circuitos de corriente continua. La mayoría de los circuitos electrónicos, sin embargo, trabajan con señales, que son corriente alternada de las más diversas frecuencias. Así, debemos analizar otras propiedades de los capacitores que son importantes en este caso.
Reactancia Capacitiva
Cuando conectamos un capacitor a una fuente de corriente continua, la corriente fluye sólo por un instante, el intervalo de tiempo en que el capacitor tarda en cargarse. Después de eso, el capacitor pasa a presentar una resistencia infinita y ninguna corriente puede circular.
Conectando un LED en serie con un capacitor de valor algo elevado, en una experiencia que el propio lector puede hacer. Cuando cerramos el interruptor, el LED parpadea, indicando la corriente de carga, pero luego se apaga, ya que ya no puede circular ninguna corriente. La figura 2 muestra el circuito utilizado en este experimento.

Sin embargo, si conectamos el capacitor en un circuito en el que la corriente varía constantemente, es decir, en un circuito de corriente alterna, cuando la tensión varía de cero al máximo, en una fracción de segundo el capacitor acompaña y se carga. Después, cuando la tensión cae, las cargas que estaban acumuladas en las armaduras se desprenden, y con la inversión de la tensión, ellas vuelven a descargar y cargar con la polaridad opuesta, como muestra la figura 3.
Como la corriente se invierte constantemente, la carga y descarga del capacitor acompaña, de modo que, constantemente, circulará una corriente por el circuito. Ver que las cargas que se mueven no son las mismas.
Las cargas de una armadura inducen en la armadura opuesta a las cargas que entonces se mueven por el circuito. Si conectamos un LED para indicar esta corriente en un circuito de corriente alterna, no se encender sólo en el instante en que tengamos la carga, sino constantemente acompañando las inversiones de polaridad de la tensión de la red, como muestra la figura 4.
El "tamaño" del capacitor en, es decir, su valor, determina la intensidad de la corriente que circulará a través del LED. Por otro lado, la frecuencia con que la corriente varía también determina la intensidad de la corriente en el circuito.
La mayor velocidad en las variaciones también determina mayor intensidad de la corriente. Podemos decir que el capacitor, en estas condiciones, se comporta como una especie de 'resistencia' para la corriente alterna, ofreciendo mayor o menor oposición según su valor y la frecuencia. Definimos entonces un término para indicar esta "oposición" o resistencia que los capacitores presentan en relación a la circulación de una corriente alterna.
El término es "Reactancia Capacitiva" y la representamos por Xc.
Su valor depende de la frecuencia y de la frecuencia, pudiendo ser calculado por la siguiente fórmula:
Xc = [ 1 / ( 2x π x f x C ) ]
Donde:
Xc es la reactancia capacitiva en ohms
π vale 3,1416 - constante
F es la frecuencia de la corriente en hertz (Hzx)
C es la capacitancia del capacitor en farads (F)
Lo importante para nosotros es que podemos ver en un capacitor un dispositivo que tiene una propiedad muy importante. Él ofrece una pequeña oposición al paso de una corriente alterna.
Acoplamiento
Llegamos entonces a una primera aplicación para los capacitores. Normalmente, los circuitos que amplifican señales de audio o RF, como los encontrados en radios y amplificadores, se forman por etapas que funcionan de manera independiente y que se elaboran alrededor de uno o más componentes activos. En la figura 5 tenemos un paso amplificador típico usando un transistor bipolar.
En este tipo de amplificador, denominado configuración de emisor común, aplicamos la señal a ser amplificada a la base y lo retiramos del colector. Entonces encontramos resistores de base Rb1 y Rb2 que polarizan la base del transistor llevando el amplificador al funcionamiento deseado.
También tenemos los resistores de emisor (Re) y colector (Rc) que completan la polarización. Si conectamos un paso a otro de modo directo para transferir la señal a nueva amplificación, puede ocurrir una interferencia en los circuitos de polarización, lo que no es deseable, como muestra la figura 6.
Como la señal a ser amplificada es alternada y la polarización es continua, podemos fácilmente aislar los circuitos si usamos un capacitor, como muestra la figura 7.
En este caso, el capacitor acopla los circuitos, dejando pasar de uno a otro la señal a ser amplificada, pero aísla la polarización, pues ella es hecha por una corriente continua. Los valores de los capacitores utilizados en esta función dependen tanto de la frecuencia y de la intensidad de la señal que se va a transferir.
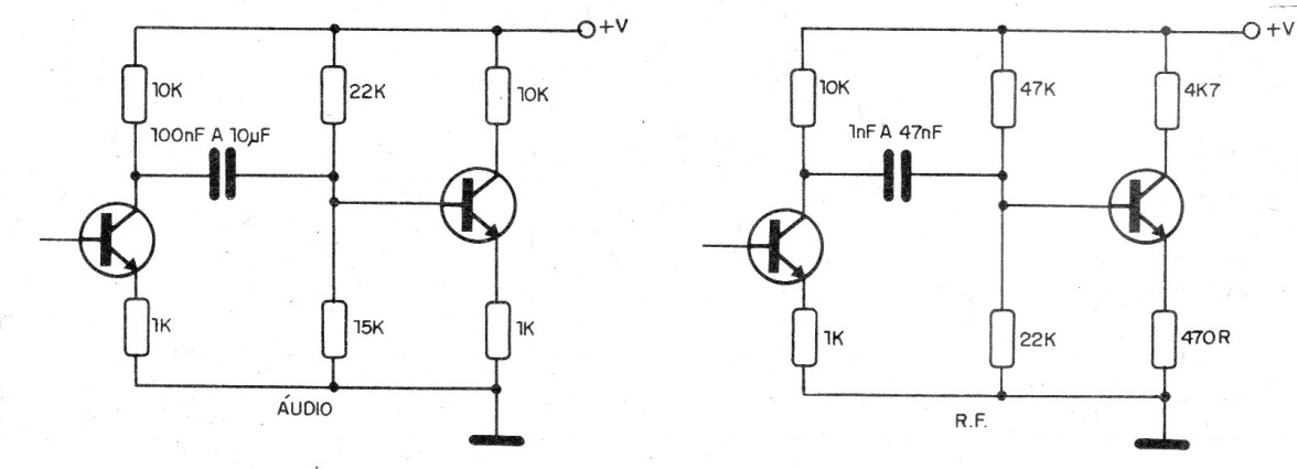
Para los pasos preamplificadores de audio con señales de poca intensidad, los capacitores tienen valores típicos de 10 nF a 1 uF. Para señales de mayor intensidad o frecuencias muy bajas, los valores pueden llegar a 470 uF. En los circuitos de RF, encontramos valores muy pequeños en la banda de los picofarads.
Vea que el tipo de capacitor utilizado en esta función también es muy importante. Encontramos los electrolíticos, cerámicos y poliéster en los circuitos de audio y los cerámicos en los circuitos de RF. En la figura 8 tenemos pasos de audio y RF, con los valores típicos de los capacitores de acoplamiento.
Desacoplamiento
Un capacitor de valor apropiado puede ser visto como un verdadero "cortocircuito" para una señal. Por otro lado, el mismo capacitor puede ser considerado una resistencia infinita para una corriente continua.
Una función importante que puede obtenerse con la ayuda de un capacitor es precisamente la de eliminar señales de frecuencias determinadas de un circuito, sin alterar, sin embargo, las tensiones de polarización, o bien una señal de frecuencias mucho más bajas.
Esta aplicación del capacitor consiste en desacoplar el circuito, para eliminar una determinada señal. En la figura 9 tenemos una primera aplicación de un capacitor con esta finalidad, desacoplando la señal de alta frecuencia.
Después del diodo detector de una radio AM tenemos dos señales: la señal de alta frecuencia de la portadora y la señal de audio en forma de una envoltura. Colocando a la tierra un capacitor de valor suficientemente bajo para dejar pasar la señal d RF pero no el de audio, podemos separar los dos. La señal de audio va al circuito amplificador y la señal de RF se toma tierra, por no ser necesario. Otra aplicación importante de los capacitores de desacoplamiento se muestra en la figura10.
Las fuentes de alimentación, como las pilas y las baterías, presentan cierta resistencia interna que tiende a aumentar a medida que se desgastan. Como estas fuentes deben alimentar diversas etapas de un mismo aparato, la presencia de resistencia hace que la posibilidad de la señal pase de una etapa a la otra de forma indeseable, o sea, produciendo realimentaciones.
Estas realimentación pueden ser lo suficientemente fuertes cuando la pila está débil, para causar distorsiones en el sonido y oscilaciones como el pipocar del circuito, denominado "motorboating".Un capacitor conectado en paralelo con la fuente cortocircuita las señales de retroalimentación, evitando este problema.
Otra aplicación de capacitores de desacoplamiento es junto a la alimentación de circuitos integrados que operan con altas velocidades de conmutación. Los capacitores se instalan muy cerca de los terminales de alimentación evitando que las oscilaciones fuertes de las corrientes pasen a otros circuitos integrados del mismo aparato.
En la figura 11 mostramos cómo se hace.
Tenemos finalmente otro caso de desacoplamiento, mostrado en la figura 12.
Al mismo tiempo que el resistor de emisor fija el punto de funcionamiento de la etapa, representa una impedancia para la señal que reduce la ganancia.
Conectando en paralelo con este resistor un capacitor de valor conveniente, bajamos la impedancia para la señal de entrada, de modo que pueda entrar en el circuito y con ello obtener mayor ganancia. Los valores de este capacitor dependen de la aplicación quedando entre 1nF y 1 uF para circuitos de RF y 10 uF 1 000 uF para circuitos de audio.
Conclusión
Acoplar y desacoplar convenientemente una señal es fundamental para el funcionamiento de una etapa de amplificación. Seleccione los valores y los tipos correctos de los capacitores para que el circuito funcione de la manera esperada.














