Esta alarma alimentada por pilas o batería puede ser usada en la protección de pequeños objetos, bicicletas e incluso maletas con contenidos valiosos. Cuando el sensor está abierto, la alarma dispara emitiendo bips por un transductor de alto rendimiento. El consumo en la condición de reposo es extremadamente bajo lo que le permite permanecer permanentemente encendido.
Describimos el montaje de una alarma compacto alimentada por pilas o batería y que se caracteriza por una corriente muy baja en la condición de reposo, del orden de 1 mA solamente. Esto permite que se encienda durante mucho tiempo sin problemas de desgaste para la batería o las pilas usadas en su alimentación.
El sensor utilizado es del tipo eslabón que, al ser abierto por un instante que sea, provoca el disparo del circuito. Evidentemente, el sensor puede ser modificado en función de la aplicación.
Así, reed-switches o incluso micro-switches se pueden utilizar también como elementos de disparo.
Sólo hay que recordar que el disparo se produce cuando se abre el sensor. También existe la posibilidad de conectar varios sensores en serie con la protección de diversos puntos al mismo tiempo.
En el circuito original colocamos un transductor piezoeléctrico del tipo cerámico para reproducir los bips generados en el disparo. Pero, una vez más, dependiendo de la aplicación podemos hacer cambios.
Esto significa que si el aparato se utiliza con fuente o aún alimentado por batería de coche (también funciona con 12 voltios, sin cambios), un paso transistorizado de potencia puede ser previsto en su salida.
COMO FUNCIONA
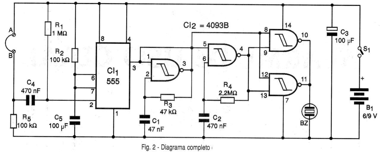
Un circuito integrado 555 se conecta en la configuración monoestable donde el tiempo en que la salida permanece en el nivel alto y por lo tanto el tiempo de timbre de la alarma en caso de disparo, es determinado por la resistencia R2 y el capacitor C5.
Este tiempo, del orden de algunos minutos puede ser extendido hasta más de media hora con la utilización de una resistencia de 1,5 M ohms y un capacitor de 1 000 o 1 500 uF.
El resistor R1 mantiene el pino 2 de disparo del 555 en el nivel alto.
Cuando el sensor AB está abierto, el condensador que se encontraba con los dos terminales en el nivel alto y, por lo tanto, descargado, empieza a cargarse por la resistencia R5. Esto es suficiente para hacer caer la tensión en el pin 2 al punto que provoca el disparo del monoestable.
Aunque el eslabón sensor sea rehecho, una vez disparado, el 555 mantendrá su salida en el nivel alto por el tiempo determinado por R2 y C5. La salida del 555 controla dos osciladores disparados elaborados alrededor de las puertas NAND disparadoras de un circuito integrado CMOS del tipo 4093B.
El primer oscilador, que tiene por elementos determinantes de la frecuencia R3 y C1, genera un tono de audio, mientras que el segundo oscilador que tiene su frecuencia determinada por R4 y C2 genera pulsos intervalados.
Combinando estas dos señales en las otras dos puertas del circuito integrado 4093, que funcionan como búfer o amplificadores digitales tenemos en la salida bips intervalados. Los bips son reproducidos por el transductor cerámico de alta impedancia conectado en los pines 10 y 11, que corresponden a la salida del circuito.
Los lectores pueden cambiar R3 y R4 en una amplia gama de valores para obtener el mejor tipo de señal de audio para la alarma. Sólo debemos recordar que R3 no debe ser menor que 10 k ohms y que R4 no debe ser menor que 100 k ohms.
Para obtener una potencia mayor de audio en el disparo sugerimos el circuito de la figura 1.
El transistor de potencia utilizado en esta etapa debe estar dotado de un radiador de calor.
MONTAJE
En la figura 2 tenemos el diagrama completo de la alarma.
La disposición de los componentes en una placa de circuito impreso se muestra en la figura 3.
Los resistores son todos de 1/8 W o mayores y los condensadores electrolíticos deben tener tensiones de trabajo un poco más grandes que la tensión usada en la alimentación. La polaridad de estos condensadores debe ser observada en el montaje.
Los demás capacitores tanto pueden ser cerámicos como de poliéster y no son polarizados. Para la conexión del eslabón sensor se puede utilizar una pequeña barra de terminales con tornillos.
En la figura 4 mostramos cómo la alarma se puede instalar en una pequeña caja de plástico y se utiliza para proteger una bicicleta.

El transductor es del tipo cerámico piezoeléctrico de cualquier tipo. Incluso una cápsula de auriculares de alta impedancia o incluso un tweeter piezoeléctrico sin el transformador interno se puede utilizar para este propósito.
Si bien hemos indicado un interruptor general, dependiendo de la aplicación se puede omitir. Para conectar el aparato bastará con colocar las pilas en el soporte o la batería en el conector.
PRUEBA Y USO
Para probar basta conectar la alimentación con el sensor colocado entre A y B. Desactivando por un instante el sensor debe haber el disparo de la alarma por el tiempo determinado por R2 y C5.
Disfrute de la prueba para cambiar estos componentes si desea un tiempo diferente de toque. Si desea también cambiar los componentes que determinan el tipo de tono emitido en el disparo.
Comprobado el funcionamiento es sólo hacer la instalación definitiva del aparato en la forma en que se desea su utilización. Evidentemente, el instalador debe tener cuidado de colocar la alarma de modo que no pueda ser llevado junto con el objeto protegido y así no poder cumplir con su propósito.
LISTA DE MATERIAL
Semiconductores:
CI-1 - 555 - circuito integrado - Timer
CI-2 - 4093B - circuito integrado CMOS
Resistores: (1/8 W, 5%)
R1 - 1 M ohms
R2, R5 - 100 k ohms
R3 - 47 k ohms
R4 - 2,2 M ohms
Capacitores:
C1 - 47 nF - cerámico o poliéster
C2, C4 - 470 nF - cerámico o poliéster
C3, C5 - 100 uF / 12 V - electrolítico
Varios:
S1 - Interruptor simple
B1 - 6 o 9 V - 4 pilas pequeñas o batería
BZ - Transductor piezoeléctrico cerámico
AB - sensor de la alarma - ver el texto
Placa de circuito impreso, zócalo para los circuitos integrados, soporte de pilas o conector de batería, caja para montaje, puente de dos terminales con tornillos, sensor, hilos, soldadura, etc.






