Esta es una alarma fotoeléctrica del tipo usado en bancos, museos, y otros lugares que guardan cosas de valor, detectando el paso de una persona por un lugar por el corte de un haz de luz. Para mayor economía usaremos luz visible, pero bien disfrazada en un sistema direccional que no puede ser percibido fácilmente por un intruso.
Sin embargo, con el uso de una fuente emisora infrarroja y un detector apropiado, se puede transformar este sistema en una sofisticada alarma de infrarrojos de paso. Lo que caracteriza al proyecto, sin embargo, es su simplicidad y también la posibilidad de acoplar a un sistema "inteligente" que tome decisiones en el caso del disparo, o incluso que sólo lo habilite en determinadas condiciones, por ejemplo, si la puerta de la puerta se abre y un dispositivo de identificación no está activado.
También podemos decir que la sensibilidad del sensor es mayor que la del propio ojo humano, significado que por más rápida que sea el paso del intruso, no puede "engañar" al sistema.
FUNCIONAMIENTO
Iniciamos por llevar al lector el diagrama de la alarma, el cual se muestra en la figura 1.

El sensor de este aparato es el mismo que se utiliza en nuestro sistema de iluminación automática, un LDR. La resistencia del LDR aumenta cuando hay un corte de luz que incide en su parte sensible, hecha de sulfuro de cadmio. A continuación, conectamos el LDR en la compuerta de un SCR que tiene como carga un relé. El circuito se mantiene permanentemente alimentado, pero con un consumo de energía muy bajo. El LDR también debe permanecer permanentemente iluminado por una pequeña lámpara de 5 vatios (bajo consumo), oculta en una cajita con sólo un agujero para la salida de la luz en la dirección del LDR.
Cuando la luz se corta, el SCR dispara y activa el relé. Incluso si la luz se restablece rápidamente en el sensor, el sistema no se apaga y la alarma permanece activada. Para desactivar la alarma es necesario apagar por un momento su alimentación.
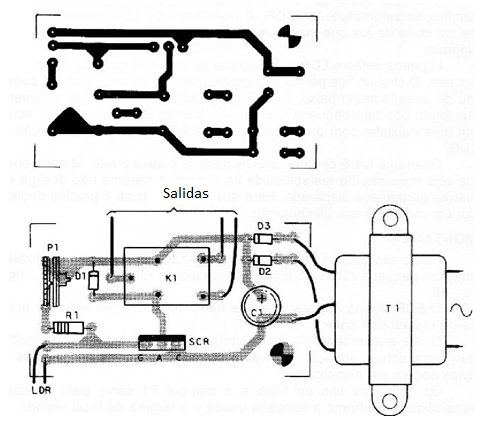
MONTAJE
Como son pocos los componentes usados, se pueden fijar en una pequeña placa de circuito impreso de la forma indicada en la figura 2.

El SCR acciona sólo el relé de bajo consumo, por lo que no necesita radiador de calor. El relé se recomienda para controlar hasta 10 amperios, lo que significa que los timbres, las sirenas, los cigarrillos y otros dispositivos ruidosos de advertencia pueden ser alimentados. Los resistores son de 1 / 8W y el trimpot P1 sirve para ajustar la sensibilidad según la lámpara usada y la anchura del local vigilado.
La alimentación se realiza con un transformador de 12 + 12V con al menos 200 mA de corriente. Si se puede alimentar una pequeña lámpara de 12V con el mismo transformador, esto puede ser previsto, pero el secundario de ese componente debe tener una corriente mayor. El condensador usado debe tener tensión de trabajo de al menos 25V.
INSTALACIÓN Y AJUSTES
Para usar y probar, coloque una lámpara de 5W en una cajita con una abertura apuntando hacia el LDR a una distancia de al menos 3 metros. Si el LDR tiene una lente delante de usted, tendremos más sensibilidad y directividad. Ajuste entonces P1 para el umbral del disparo. Cuando el SCR dispare, para apagarlo desconecte la alimentación por un instante. Cuando alguien pase delante del LDR debe ocurrir el disparo del relé.
Después de instalar el sistema en el lugar deseado. El cable que va al LDR puede ser largo, lo que facilita la colocación de toda la central junto a un sistema de control general "inteligente".
Lista de material
SCR - TIC106B o D - según la tensión de la red
D1 - 1N914 o 1N4148 - diodo de uso general
D2, D3 - 1N4002 - diodos de silicio
R1 - 10 k - resistor
P1 - 1M o 2M2 - trimpot
C1 - 470 uF x 25 V - capacitor
K1 - Relé sensible de 12 V
T1 - Transformador con primario según la red y secundario de 12 V x 12 V con300 mA o más
LDR - LDR común
Varios: placa de circuito impreso, caja para montaje, hilos, soldadura, etc.



