Este circuito produce un sonido similar al de un grillo, y se puede utilizar en juegos y partidos. El circuito es simple, con alimentación de pilas comunes.
Describimos el montaje de un circuito que produce sonidos similares a los de un grillo.
A medida que el circuito se basa en la tecnología TTL, sirve como un trabajo simple para aquellos que estudian electrónica digital.
Su funcionamiento se basa en el uso de osciladores que interactúan producen un sonido intermitente con la forma de onda mostrada en la figura 1.
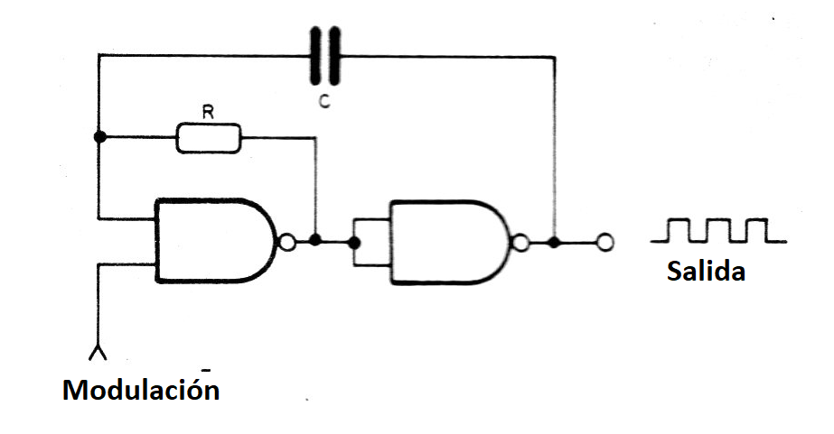
Para generar esta señal usamos 4 osciladores con puertas de un circuito integrado 7400 con la configuración básica mostrada en la figura 2.
En este circuito, la frecuencia de la señal viene determinada por los valores de R y de C.
Los circuitos osciladores están interconectados como se muestra en la figura 3, lo que nos lleva al diagrama de bloques del aparato.
Los cuatro osciladores aplican la señal a un paso de amplificación consistente en un transistor con un altavoz. A continuación, el altavoz transforma la señal en sonido, lo que conduce a los efectos deseados.
Como los circuitos TTL funcionan con tensiones de 4,5 a 5,5 V o 5 V nominales, y usamos una batería de 6 V tenemos un diodo para reducir en 0,7 V, lo que nos lleva a 5,3 V para alimentación de circuito.
Montaje
En la figura 4 tenemos el diagrama completo del grillo electrónico.
La placa de circuito impreso para su montaje se muestra en la figura 5.
En el montaje, observe la posición del circuito integrado y del transistor, así como la polaridad del diodo y los capacitores electrolíticos.
Los capacitores electrolíticos pueden ser para 6 V o más y los resistores son de 1/8 W con cualquier tolerancia. El altavoz es de tipo pequeño con 2,5 o 5 cm de diámetro, 4 u 8 ohms de impedancia. Para la alimentación puede ser usadas las pilas pequeñas (AA) o palito (AAA).
Al eliminar el paso de salida del transistor, puede excitar directamente un pequeño transductor piezoeléctrico conectado al pino 6 de CI- 1. Las únicas configuraciones se hacen en P1 y P2 para obtener el sonido más cercano posible de la producida por un grillo.
Material
CI - 1 – 7400 – circuito integrado TTL
Q1 – BC548 – transistor NPN de uso general
D1 – 1N4001 o 1N4002 – diodo de silicio
FTE – 4 u 8 ohms – Altavoz pequeño
S1 – Interruptor simple
B1 – 6 V - 4 pilas
P1, P2 - 1 k ohms – trimpots
R1, R2, R3, R4 – 330 ohms – Resistores – naranja, naranja, marrón
R5 – 1 k ohms – resistor – marrón, negro, rojo
C1 – 470 nF – capacitor de cerámica o de poliéster
C2 – 22 uF – capacitor electrolítico
C3 – 100 uF – capacitor electrolítico
C4 – 1 000 a 1 500 uF – capacitor electrolítico
Varios:
Soporte de la batería, placa de circuito impreso, caja de montaje, hilos, soldadura, etc.








