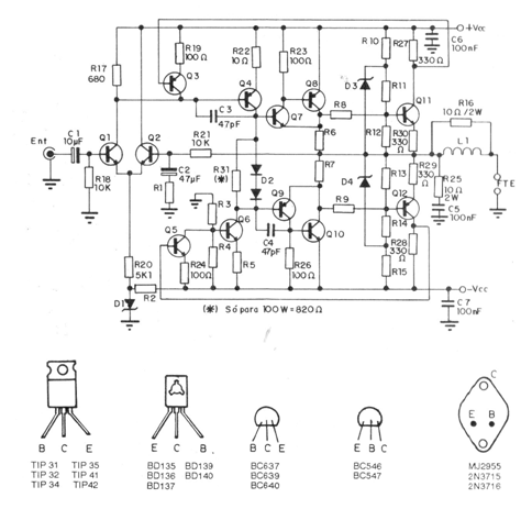
Los cincos amplificadores, parten de un mismo circuito, con cambios sólo de valores de componentes. Algunos de los transistores usados no son muy comunes en nuestro mercado, pero damos sus características para que el lector pueda fácilmente utilizar equivalentes.
Como los circuitos operan con potencias elevadas, será necesario tener mucho cuidado con las pistas de mayor corriente en la placa, que deben ser anchas, y también con la colocación de los transistores de salida en disipadores de calor de buen tamaño.
Las características generales de los amplificadores son:
Potencia: 35 a 100 W con cargas de 8 ohms (ver tabla ll)
Distorsión armónica: 0,1% a 60 W
Sensibilidad: 1V de entrada a 60 W de salida
Resistencia de entrada: 10 k ohms
Respuesta de frecuencia con 3 dB: 10 Hz a 100 000 Hz
Corriente de reposo: 90 mA
Corriente de 60 W de salida: 1,2 A
En la tabla I tenemos los valores de los resistores y tensiones de alimentación para las diversas potencias de salida:
En la tabla II tenemos los transistores indicados para los diversos amplificadores citados.
MONTAJE
La bobina L1 está formada por 20 espiras juntas de hilo 20 sobre el cuerpo de la resistencia R16.
En la figura 1 tenemos el diagrama básico de los amplificadores.

En la figura 2 tenemos la placa de circuito impreso.

La resistencia R17 sólo se utiliza en la versión de 100 W y tiene 820 ohmios. Los condensadores electrolíticos deben tener tensiones de trabajo de 16 V, mientras que los demás pueden ser cerámicos o de poliéster para al menos 50 V.
Los diodos D3 y D4 son del tipo 1N53368 o equivalentes. Los diodos D1 y D2 pueden ser de silicio de uso general como los 1N4002. Para los resistores de hilo y conveniente observar un alejamiento de la placa de circuito impreso para evitar el calor.
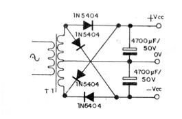
En la figura 3 tenemos una fuente de alimentación para todos los amplificadores, alterando sólo las tensiones de secundaria como sigue:

Tensión Vcc Secundaria del transformador:
21 V 15 V x 2 A
25 V 17 V x 2 A
27 V 18 V x 2 A
32 V 22 V x 2,5 A
30 V 20 V x 2,5 A
36 V 24 V x 3 A
34 V 23 V x 4 A
40 V 27 V x 3 A
45 V 32 V x 4 A
Los valores de datos corresponden a la alimentación de un canal. Para una versión estéreo, las cadenas se deben duplicar. Los transistores de potencia deben instalarse en excelentes radiadores de calor. Los cables de entrada de señal deben ser blindados. El diodo D1 es de 16 V x 1 W - diodo zener, mientras que D3 y D4, son zeners de 7,5 V x 1W.
USO
Conecte el amplificador y una carga de acuerdo con la potencia y alimente. Compruebe con un multímetro las tensiones de alimentación. Proteja el circuito con un fusible de 5A en serie con la alimentación. Si el fusible se rompe por cualquier motivo, apague el aparato y compruebe su montaje.
Si hay calentamiento excesivo de los transistores de salida, apague la alimentación y compruebe el montaje. Aplique después una señal en la entrada con suficiente intensidad para excitarlo. Si la reproducción es normal, agregue el preamplificador con el control de tonalidad e instale el circuito en una caja apropiada.
Asegúrese de que haya una buena ventilación para los radiadores de calor y, para que no haya ningún contacto de cables de alimentación con el chasis. Sólo el punto de 0 V debe conectarse al chasis, así como a todas las tierras.
Lista de material
SEMICONDUCTORES
Q1 y Q2 - Transistores del par diferencial de entrada - silicio de media potencia NPN - ver tabla
Q3 - BC64O - transistores PNP
Q4 y Q6 - transistores pre-conductores - ver tabla
Q5 - BD135 - transistores NPN de media potencia
Q7 y Q9 - Transistores controladores - ver tabla
Q8. Q10 - Transistores de salida - ver tabla
D1 - M2500-16 o equivalente - ver texto
D2 - M22361 o equivalente - ver texto
D3 y D4 - 1N5236-16 - zeners de 16V o equivalente - ver texto
Resistores
R1 a R15 - 0,5 W ver tabla
R6 y R7 - 5 W - ver tabla
R16 - 10 ohms, 2 W - hilo
R17 - 680 ohms (azul, gris, marrón)
R18 - 10 k (marrón, negro, naranja)
R19 - 100 ohms (marrón, negro, marrón)
R20 - 5,1 k (verde, blanco, rojo)
R21 - 10 k (marrón, negro, naranja)
R22 - 10 ohms (marrón, negro, negro)
R23 - 100 ohms (marrón, negro, marrón)
R24 - 100 ohms (marrón, negro, marrón)
R25 - 10 ohms - 2W - hilo
R26 - 100 ohms (marrón, negro, marrón)
R27 y R28 - 330 ohms (naranja, naranja, marrón)
R29 y R30 - 330 ohms (naranja, naranja, marrón)
Capacitores
C1 - 10 uF x 12V - electrolítico
C2 - 47 uF x 16V - electrolítico
C3 - 47 pF - cerámico
C4 - 47 pF - cerámico
C5 - 100 nF - poliéster o cerámico
C6 y C7 - 100 nF - poliéster
VARIOS
Placa de circuito impreso, radiadores de calor para los transistores, caja de metal, material para fuente de alimentación, cables blindados, etc.





