Usted apoya sus dedos en un sensor y la luz suavemente aumenta de brillo hasta el punto que desee. Vuelve a tocar los dedos en otro sensor y la luz disminuye de brillo hasta el punto deseado o se apaga completamente. A diferencia de todo lo que usted conoce, este dimmer se puede instalar en una lámpara.
El artículo es de 1987 y sólo funciona con lámparas incandescentes.
No usamos ningún circuito integrado especial de difícil obtención. El proyecto es desarrollado en función de un integrado absolutamente común y que hasta admite equivalentes: un simple amplificador operacional con FET.
Y, más allá, el circuito puede controlar cargas resistivas de hasta 800 watts en la red de 110 V o 1600 watts en la red de 220 V.
Simple de montar, el lector podrá encontrar otras utilidades para este aparato.
Entre las otras utilidades destacamos:
- Control de lámparas en la iluminación normal con graduación continua por tacto;
- Control de temperatura de calentadores de ambiente.
COMO FUNCIONA
La intensidad de la corriente que se aplica a una carga en un circuito con Triac depende del ángulo de conducción, es decir, del instante en cada semiciclo en que se hace su disparo.
Si el disparo se realiza al principio del semiciclo (disparo rápido), el ángulo de conducción será mayor y más potencia se puede aplicar a la carga.
Por otro lado, si el disparo se hace al final del semiciclo, menos potencia se aplica a la carga. En la figura 1 ilustramos esto a través de un gráfico.
El disparo, en nuestro caso, viene de un transistor unijunción. En el emisor de este transistor tenemos un capacitor que se carga a través de un potenciómetro (P1) y de un resistor (R5).
Si la resistencia total de estos dos elementos es pequeña, el disparo ocurre al principio del semiciclo y tenemos mayor potencia. Si la resistencia es grande, el disparo ocurre al final del semiciclo y tenemos menor potencia.
Una manera de controlar el punto de disparo del unijunción (Q1) sin mover en P1 y R5, que sólo fijar los límites de actuación, sería con ayuda de un circuito de derivación.
Este circuito se basa en el transistor Q2 conectado entre el emisor y la masa del circuito.
Cuando Q2 se polariza para conducir más la corriente, su resistencia disminuye y esto hace que el disparo del triac se retarde. De igual modo, cuando Q2 deja de ser polarizado (corte) el disparo se hace al inicio del semiciclo y la lámpara L1 brilla a lo máximo.
Pero, ¿cómo hacer el control de la conducción de Q2 por tacto?
En este punto entra un amplificador operacional con transistores de efecto de campo en la entrada. Su impedancia de entrada es tan alta que un capacitor conectado a ella mantiene la tensión en sus armaduras durante largos períodos, aunque no sea de valor muy alto.
Así, tenemos un capacitor de valores entre 2,2 y 4,7 uF que puede ser cargado o descargado por los sensores X1 y X2 en serie con resistores de 1M5.
Tocando en estos sensores, la resistencia de los dedos es tan baja en relación al resto del circuito que equivale a un cortocircuito. Los dedos funcionan como un interruptor que permite la carga (X1) o descarga (X2) de C3.
El amplificador operacional "ve" la tensión entre las armaduras de C3 y se compara con la tensión de salida, a través de la entrada inversora que corresponde al pin 2.
Así, el circuito mantiene en su salida la tensión fijada en el capacitor C3, vía Q3.
La tensión aplicada al transistor Q2 corresponde entonces a la tensión que fijamos por tacto en las armaduras de C3. Como la resistencia de entrada de CI es muy alta, la carga puede ser mantenida por mucho tiempo.
De la misma manera, la transición de carga para descarga, y viceversa, del capacitor, por el toque se hace de modo suave permitiendo así un control perfecto de la luminosidad de la lámpara.
Evidentemente, para obtener los efectos, deseados, el capacitor C3 debe presentar el mínimo de fugas. No se recomienda para esta función un capacitor electrolítico que pierde rápidamente su carga.
Preferimos en el montaje del prototipo un capacitor de poliéster metalizado. Los tipos de 1 uF a 5,6 uF, con tensiones superiores a 100 V, se pueden encontrar con relativa facilidad.
También tenemos la fuente de alimentación para este sector que viene de un integrado 7806 y de una fuente que hace uso de un transformador de 9 + 9 V con al menos 100 mA de corriente.
El circuito puede operar también en la red de 220 V bastando para que el primario del transformador sea especificado para esta tensión y que R2 sea alterado a 56 k.
MONTAJE
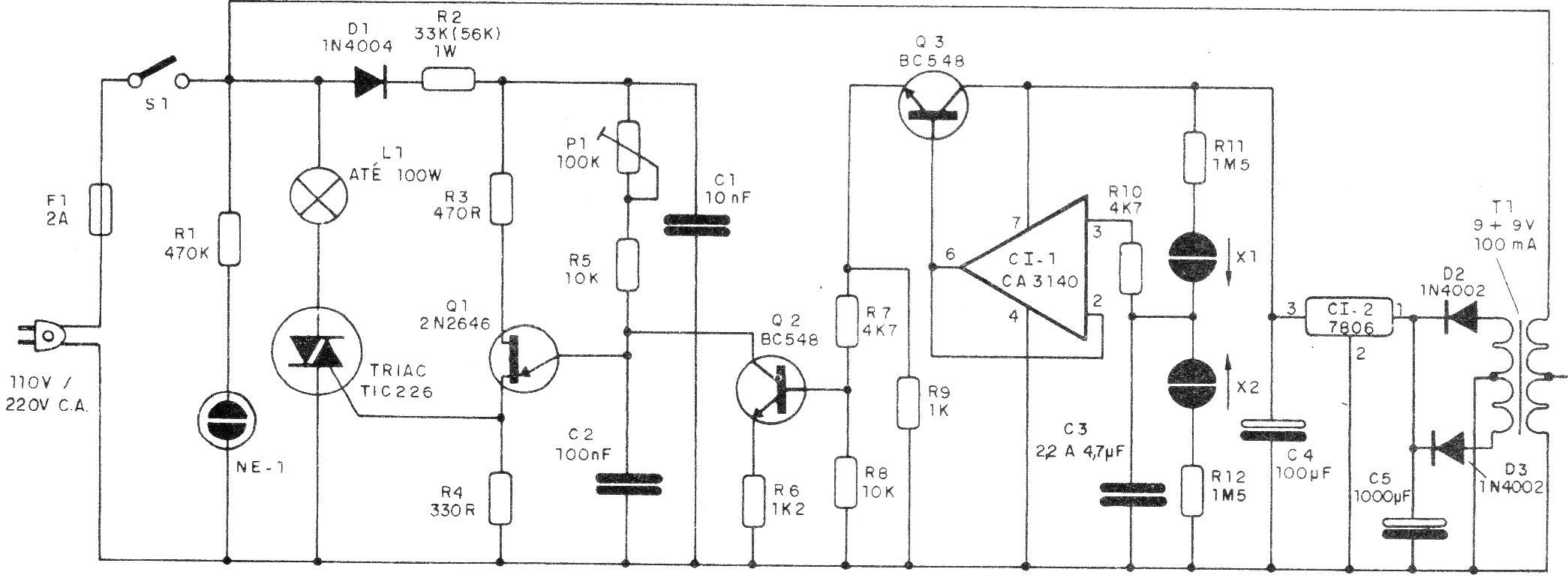
En la figura 2 tenemos inicialmente el diagrama completo de la lámpara con dimmer.
Todos los componentes, excepto los de mayor tamaño, pueden instalarse en la placa de circuito impreso mostrada en la figura 3.
Todos los componentes, excepto los de mayor tamaño, pueden instalarse en la placa de circuito impreso mostrada en la figura 3.
Los sensores están formados por placas de circuito impreso y no deben alejarse del circuito principal para que no se produzcan fugas que inestabilicen el funcionamiento del sistema.
No será necesario dotar al regulador de tensión de radiador de calor, dada la pequeña corriente requerida por el circuito.
El transformador de alimentación T1 es de 9 + 9 V de secundaria con al menos 100 mA de corriente (cuanto menor, mejor) y primario de acuerdo a su red.
En el caso de que el resistor R2 sea de 33 k si su red es de 110 V y de 56 k si su red de 220 V. Los resistores, con excepción de R2, son todos de 1/8 W.
La lámpara de neón indica que el circuito está activo. Esto es necesario, pues podemos: apagar la lámpara por tacto, pero sin apagar el circuito electrónico, de modo que pueda encenderse con toque X2.
Los capacitores de menos de 1 uF son de poliéster o cerámica, con tensiones de trabajo de al menos 25 V, y los electrolíticos son para 16 o 25 V.
El Triac soporta potencia hasta 1600 watts en la red de 220 V y la mitad en la red de 110 V. Sugerimos, sin embargo, en el caso de una lámpara de no más de 100 watts, de modo que el radiador de calor usado en este componente de control sea pequeño y el fusible de sólo 2 A.
En este circuito tenemos pulsos de disparo sólo en los semiciclos positivos (dada la presencia de D1), lo que lleva a un control de media onda.
Para aprovechar mejor las características del Triac de control de onda completa, se puede utilizar el puente de la figura 4 con 4 diodos.
Con este circuito tenemos muñones en los dos semiciclos, con una potencia máxima de hasta 95% aplicada a la lámpara
El capacitor C3 obligatoriamente debe ser de poliéster, aunque sea de alto valor, dada la exigencia de no admitir fugas. Los tipos de TV se pueden encontrar con relativa facilidad.
PRUEBA Y USO
Coloque inicialmente una lámpara de 1 a 100 watts en el soporte y un fusible de 2 A. Conecte la unidad a la red local y accione S1.
Coloque los dedos en el sensor X1 que baja la tensión de salida del CI y ajuste P1 para el máximo brillo de la lámpara.
A continuación, coloque los dedos sobre X2 y asegúrese de que el brillo de la lámpara caiga a cero.
La posición ideal de P1 es aquella en que obtenemos variación total de brillo de la lámpara actuando sobre los dos controles: desde cero al máximo y del máximo a cero.
Hay una pequeña "banda muerta" que eventualmente puede corregirse en función de la tolerancia de los componentes modificando el valor de R7 y R8. R8 puede incluso ser reemplazado por un trimpot para este propósito.
En caso de funcionamiento anormal, existen algunos procedimientos muy simples, con ayuda del multímetro que permite analizar las etapas defectuosas.
a) Conecte un multímetro en la escala de 0-12 o 0-15 V DC a la salida del transistor Q3 (emisor). Actuando sobre los sensores con los dedos, la tensión debe subir y bajar. El valor máximo dependerá del integrado, quedando típicamente en tomo de 4 volts.
Si al sacar los dedos la tensión no se mantiene fija en el valor deseado por al menos 5 minutos, entonces el capacitor C3 presenta fugas debiendo ser sustituido.
b) Conecte un multímetro en el emisor del transistor Q2 (punta negra en el negativo de la fuente). Al actuar sobre los sensores debe haber una modificación de la tensión medida.
c) Si la lámpara brilla totalmente en cualquier posición del ajuste de P1, apague inicialmente la compuerta del triac que es el hilo que va a la R4. Si la lámpara no se apaga, es señal de que el triac se encuentra con problemas.
d) Si la lámpara no se enciende, apague el colector de Q2 y actúe sobre P1. Si la lámpara brilla normalmente aumentando de brillo con el movimiento del potenciómetro, es señal de que el problema está en Q2.
Comprobado el funcionamiento, es sólo hacer la instalación definitiva.
En la figura 5 damos una sugerencia de una lámpara de construcción casera, pero de buena apariencia, que utiliza el sistema de accionamiento gradual por tacto.

Triac - TIC226 a 200V si su red es de 110 V o para 400V si su red es 220 V
CI-1 - CA3140 o TL080 - Circuito integrado - amplificador operacional con FET
Cl-2 - 7806 - regulador de tensión integrado
Q1 - 2N2646 - transistores unijunción
Q2 - BC548 - transistores NPN de uso general
Q3 - BC548 - transistores NPN de uso general
D1 - 1N4004 - diodo de silicio (1N4007 para la red de 220 V)
D2, D3 - 1N4002 o equivalentes - diodos de silicio
NE-1 - Lámpara de neón
F1 - 2A - fusible
S1 - Interruptor simple
T1 - Transformador Con primario de acuerdo con la red local y secundaria de
9 + 9 V x 100 mA
P1 - 100 k - trimpot o potenciómetro
L1 - lámpara común hasta 100 watts (no usar fluorescente o electrónica)
Resistores (1/4 o 1/8 W x 20% excepto R2)
R1 - 470 k - resistor (amarillo, violeta, amarillo)
- R2 - 56 k x 1 W - resistor (verde, azul, naranja) - 220 V o 33 k x 1 W - resistor (naranja, naranja, naranja) - 110V
R3 - 470 ohms - resistor (amarillo, violeta, marrón)
R4 - 330 ohms - resistor (naranja, naranja, marrón)
R5 - 10 k - resistor (marrón, negro, naranja)
R6 - 1k2 - resistor (marrón, rojo, rojo)
R7 - 4k7 - resistor (amarillo, violeta, rojo)
R8 - 10 k - resistor (marrón, negro, naranja)
R9 - 1 k - resistor (marrón, negro, rojo)
R10 - 4k7 - resistor (amarillo, violeta, rojo)
R11, R12 - 1M5 - resistor (marrón, verde, verde)
C1 - 10 nF - capacitor de cerámica o de poliéster
C2 - 100 nF - capacitor de cerámica o de poliéster
CS - 2,2 a 4,7 pF - capacitor de poliéster (ver texto)
C4 - 100 uF x 16 V - capacitor electrolítico
C5 - 1000 uF x 16 V - capacitor electrolítico
Varios: placa de circuito impreso, caja para montaje, sensores, zócalo para lámpara, cable de alimentación hilos, soldadura, etc.







