Las cargas resistivas de alta potencia pueden ser controladas por un simple toque con el circuito presentado. El "secreto" del proyecto que no usa relés, está en el transistor de efecto de campo de potencia. El circuito opera con tensiones de 6 a 12 V.
Presentamos un control de tacto temporizado para cargas de potencia que no hace uso de relés, sino de un transistor de efecto de campo de potencia.
La principal característica de este transistor, que lo diferencia mucho de los transistores comunes de potencia, es que en la plena conducción la resistencia entre su drenaje y fuente (equivalente al colector y emisor) es de fracción de ohmios, lo que significa que prácticamente no hay caída tensión y pérdidas en el circuito.
Nuestro proyecto es temporizado y la temporización puede ser ajustada por P1 en una franja que va de unos segundos a varios minutos.
Esto significa que, al tocar el sensor, la carga se activará (o desactivada) durante un tiempo que depende del ajuste de P1.
El circuito es bastante simple y en la condición de espera presenta un consumo de corriente muy bajo, del orden de 0,5 mA lo que lo hace propio para aplicaciones automotrices, donde debe permanecer constantemente conectado a una batería.
Características:
* Tensión de alimentación: 6 a 12 V
* Corriente máxima de carga: 5 A
* Corriente en reposo: 0,5 mA
Temporización: 2 segundos a 20 minutos
COMO FUNCIONA
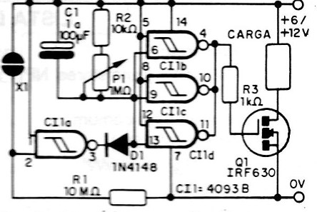
El circuito integrado 40938 consiste en 4 puertos NAND disparadores CMOS.
La primera de estas puertas se utiliza como sensible sensor de tacto, cuya salida va al nivel alto cuando la resistencia de X1 cae, con el toque de los dedos.
Con el paso al nivel alto, el condensador C1 se carga y se descarga lentamente a través de P1.
El nivel alto que C, determina en las entradas de las tres puertas restantes, que funcionan como inversores, hace que la salida vaya al nivel bajo, polarizando el FET de potencia en el sentido de conducción.
Con ello, se activa la carga.
Tan pronto como ocurra la descarga de C1, al punto en que las puertas no reconocen más la tensión como nivel alto, ocurre la conmutación y el FET de potencia va al control desactivando la carga.
MONTAJE
En la figura 1 tenemos el diagrama completo del aparato.

La disposición de los componentes en una placa de circuito impreso se muestra en la figura 2.

El transistor de potencia debe estar dotado de un radiador de calor, y para el circuito integrado sugerimos la utilización de un zócalo DIL (Dual ln Line) de 14 pines.
Los resistores pueden ser de 1/8 W o 1/4 W con un 5% de tolerancia y el sensor consiste en dos plaquitas de metal separadas que deben ser tocadas simultáneamente.
El capacitor electrolítico tendrá valores que dependen de la temporización deseada, pudiendo variar entre 1 pF y 1 000 uF.
Los mayores valores proporcionan mayores temporizaciones. La fuente de alimentación debe poder suministrar la corriente requerida por la carga controlada.
Si se controlan cargas inductivas como solenoides, motores o relés, se debe conectar en paralelo con estos dispositivos un diodo 1N4002 o equivalente, a título de protección.
PRUEBA Y USO
Para probar el aparato podemos conectar como carga una lámpara de 12 V por 200 mA a 2 A, u otro tipo de carga resistiva, dentro de los límites admitidos por el aparato.
Para operación inversa, podemos modificar el circuito, con la utilización del sensor y condensador de forma mostrada en la figura 3.

Semiconductores:
Cl1 - 4093B - circuito integrado CMOS
Q1 - IRF630, IRF640, lRF720 o equivalente - FET de potencia
D1 - 1N4148 - diodo de silicio
Resistores (1/8 W, 5%):
R1 - 10 M ohms - (marrón, negro, azul)
R2 - 10 k ohms - (marrón, negro, naranja)
R3 - 1 k ohms: - (marrón, negro, rojo)
P1 - 1 M ohms - pote
Capacitores:
C1-1 uF a 1 000 uF x 12 V o 16 V- electrolítico
Varios:
X1 - Sensor - ver texto
Placa de circuito impreso, caja para montaje, radiador de calor para el transistor, conector para la carga, botón para el potenciómetro, tíos, soldadura, etc.



