El circuito presentado puede controlar cargas c.c. de corrientes elevadas y utiliza dos componentes no muy populares: un transistor de efecto de campo de potencia y un acoplador óptico. El aislamiento entre el circuito de excitación (control) y el controlado, dado por el aislador óptico, garantiza una seguridad muy grande para el sistema.
El circuito que describimos puede ser excitado tanto por salidas TTL como CMOS y se caracteriza por la seguridad dada por el acoplador óptico.
Este componente tiene un aislamiento perfecto para tensiones de hasta 7 500 V.
Por otro lado, otro componente interesante utilizado en el proyecto es el transistor de efecto de campo de potencia, que puede controlar corrientes muy altas con una caída de tensión muy baja.
De hecho, el transistor indicado tiene una resistencia entre el drenaje y la fuente (Rds) de 0,4 ohms para el IRF630 y sólo 0,18 ohms para el IRF640.
El circuito puede ser alimentado con tensiones en el rango de 12 V a 20 V sin problemas, y pocos componentes adicionales se utilizan.
Una aplicación importante para este circuito es en el control de cargas de altas corrientes, .tales como motores de paso e incluso elementos de calefacción, directamente desde el bus de salida paralelo de una microcomputadora.
Características:
Tensión de entrada: 5.a 18 Vc.c
Corriente de excitación: 10 a 20 mA
Corriente de carga: 9 o 18 A, según el transistor
Tensión de carga: 12 a 20 Vc.c
Resistencia del transistor en la conducción (Rds): 0,18 ohms a 0,4 ohms
La señal de control debe encender el LED infrarrojo interno al acoplador óptico 4N25.
Para ello, una corriente entre 10 mA y 20 mA debe circular, determinando entonces el valor de la resistencia Rx en serie.
La tabla junto al diagrama da los diversos valores de Rx en función de las tensiones de entrada, conforme la excitación.
El LED encendida excita un foto-transistor que polariza el transistor de efecto de campo para saturarlo.
Como carga de drenaje, el transistor de efecto de campo de potencia puede tener motores, lámparas, calentadores o solenoides con corrientes elevadas, de valores que dependen del componente usado.
El resistor de conducto puede tener el valor cambiado en función de la sensibilidad deseada en el accionamiento, o si se utilizan otros transistores diferentes de los indicados o incluso otros acopladores ópticos.
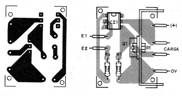
Para el montaje damos el diagrama completo en la figura 1.

En el diseño de la placa hay que observar las conexiones de drenaje y fuente del transistor de efecto de campo de potencia que deben ser compatibles con las intensidades de corriente controladas.
En la figura 2 damos una sugerencia para esta placa de circuito impreso.

Evidentemente, el transistor de potencia necesitará un buen radiador de calor.
La prueba de funcionamiento se puede realizar con una carga de menor corriente y una fuente de alimentación.
Se produce el LED con una fuente de corriente continua verificándose el accionamiento de carga
CI1 - 4N25 o equivalente acoplador óptico
Q1 - IRF63O o lRF640 - transistores MOSFET de potencia
R1 -180 k ohms o 220 k ohms - resistor de 1/8 W, 5%
Rx, - ver tabla
C1 - 1 000 uF - capacitor electrolítico de 25 V.
Varios:
Placa de circuito impreso, radiador de calor para el transistor de potencia, hilos, soldadura, etc.



