Este circuito ayuda a aumentar la intensidad de las señales captadas por una antena antes de ser llevadas al receptor. Fue diseñado para funcionar con señales entre 200 kHz y 30 MHz, 0 que corresponde a la banda de ondas medias y ondas cortas. La corriente requerida por este circuito y extremadamente baja, luego, la durabilidad de la batería usada en su alimentación es muy grande. Las señales se aplican a la base de un transistor y se retiran de su colector.
Las señales amplificadas se pueden aplicar a la entrada o antena del receptor con el que va a funcionar. La conexión a tierra es muy importante para obtener el máximo rendimiento del circuito.
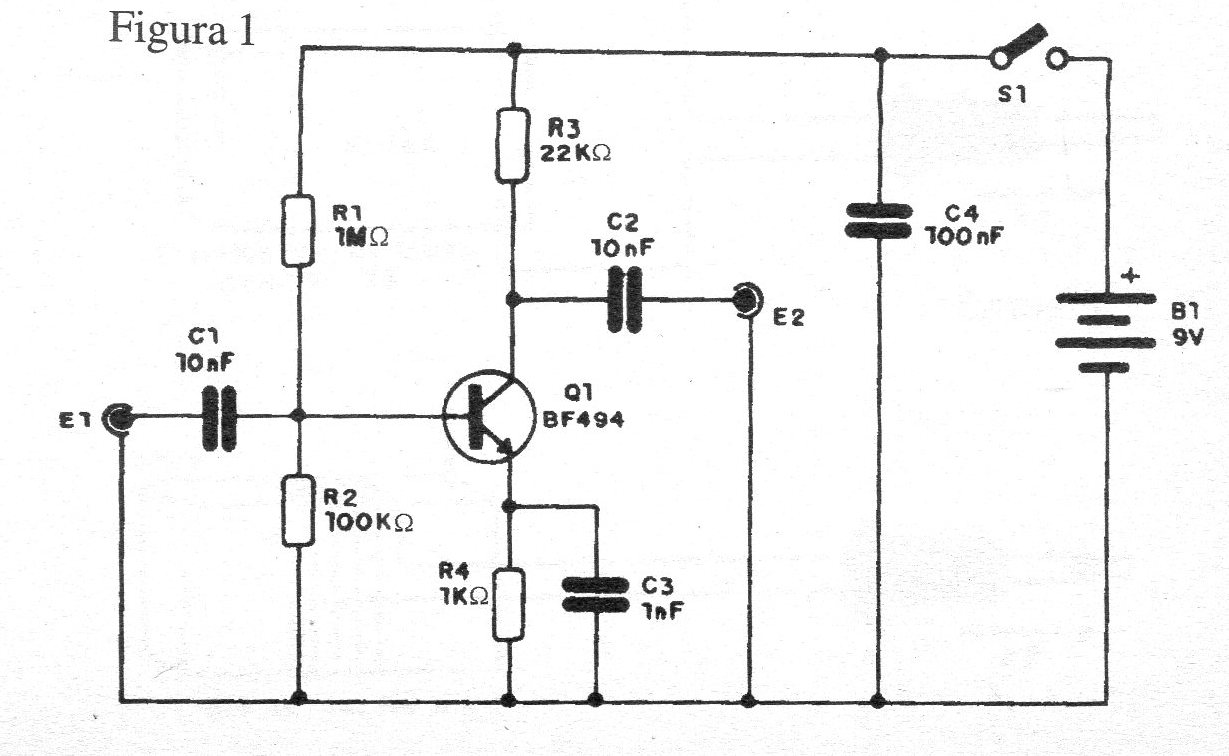
El transistor utilizado puede ser de cualquier tipo de RF como el BF494 o sus equivalentes.
MONTAJE
En la figura 1 tenemos el diagrama completo del aparato y en la figura 2 su montaje realizado en un puente de terminales aislados.
El aparato puede instalarse en una caja cerrada para mayor facilidad de uso. Los resistores son de 1/8 W o mayores y los capacitores deben ser todos cerámicos.
En la figura 3 tenemos dos modos de conectar el amplificador en los receptores.
El primero es para receptores que tienen entrada de antena y tierra. Si la conexión a tierra no es accesible, se puede hacer en el polo negativo del soporte de pilas o en cualquier punto de su chasis que corresponda a la tierra.
El segundo es para receptores sin antena. En este caso, hacemos una "antena de cuadro" de irradiación que consiste simplemente en enrollar de 2 a 8 vueltas de hilo común alrededor de la radio. La antena externa debe tener al menos 5 metros de longitud y la conexión a tierra puede realizarse en un tubo de agua, en el polo neutro de la toma o en una barra de hierro enterrada en el suelo. Si al conectarlo no obtiene amplificación, invierta las conexiones del enchufe que va a la antena.
Q1 - BF494 o equivalente - transistores de RF
C1, C2 - 10 nF - capacitores cerámicos
C3 - 1 nF - capacitor de cerámica
C4 - 100 nF - capacitor de cerámica
R1 - 1 M - resistor - marrón, negro, verde
R2 - 100 k - marrón, negro, amarillo
B1 - 9 V - pilas o batería
S1 - Interruptor simple
E, E2 - Jaques de entrada y salida
Varios:
Puente de terminales, soporte de pilas o conector de batería, hilos, soldadura, etc.






