Este circuito hace que un relé cierra sus contactos sólo en un rango determinado de intensidades de luz incidente sobre el sensor. Podemos usarlo tanto para detectar el exceso de iluminación como la falta de ella en un lugar. Con un ajuste apropiado podemos emplearlo como detector para el nivel de luz en una cámara de secado, exposición de películas o en otras aplicaciones.
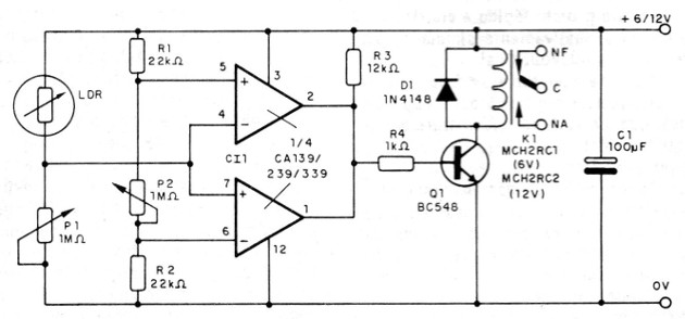
Este circuito se basa en dos comparadores de tensión de los cuatro disponibles en un circuito integrado CA139, 239 o 339.
Los dos comparadores se conectan como un discriminador de ventana con apertura controlada externamente, y además tenemos un control de sensibilidad que posiciona esta ventana en el rango de iluminaciones deseado, como sugiere la figura 1.

El relé sugerido es para 2 A, pero podemos cambiarlo por otro si necesitamos controlar cargas mayores, de hasta 10 A.
La alimentación se realiza con tensiones de 6 V o 12 V, según el relé utilizado y también la aplicación. Como sensor, cualquier LDR común puede ser utilizado.
La gran sensibilidad del circuito permite su operación con intensidades de luz muy pequeñas, lo que facilita su utilización como alarma.
En la condición en que el relé se encuentra desarmado, el consumo de corriente del aparato es muy bajo.
Características:
-Tensión de alimentación: 6 V a 12 V
- Corrente con el relé disparado: 100 mA (12 V)
Corriente de reposo: 10 mA (tip)
COMO FUNCIONA
Los dos comparadores de tensión utilizados en el proyecto se conectan para formar un comparador de ventana. El diagrama completo del aparato se da en la figura 2.

En este circuito tenemos dos tensiones de referencia, establecidas en los comparadores por medio de una red divisora formada por R1, P2 y R2.
P2 permite que la separación entre las tensiones de referencia sea ajustada entre 0 y un máximo cercano a la tensión de alimentación. Este ajuste influirá en la anchura de la ventana del comparador.
La señal del sensor se aplica en las otras dos entradas, que corresponden a los pines 4 y 7. Observe que una entrada es inversora y la otra no es inversora.
El LDR más un potenciómetro (P1) de control de sensibilidad forman el circuito de entrada. En este circuito la tensión aumenta cuando la intensidad de luz en el LDR también aumenta.
A partir de una condición de poca iluminación en el LDR tenemos una baja tensión de entrada en el comparador. Si esta tensión es menor que la referencia en el pino 5 y también menor que la referencia en el pino 6, las tensiones en las salidas de los comparadores serán positivas y el transistor, será saturado en el sentido de cerrar los contactos del relé.
Si la tensión de entrada es intermedia entre los valores de referencia entonces la salida será tal que tendremos el corte del transistor. Esto se ejecutará hasta que el nivel de la señal de entrada supere la referencia en el pin 6
Cuando esto ocurra, nuevamente las salidas serán tales que el transistor va a saturación y el relé es nuevamente energizado. Una banda "negativa" de actuación puede ser obtenida cambiando de posición el LDR con P1.
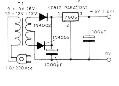
La alimentación del circuito se puede hacer con una fuente como la mostrada en la figura 3.

El transformador tiene un secundario de 9 + 9 V con 250 mA o más, y todos pueden ser 1N4002, 1N4004 o equivalentes. El circuito integrado regulador de tensión no necesita radiador de calor.
MONTAJE
En la figura 4 tenemos la placa de circuito impreso.

Sugerimos el uso de zócalo para el integrado y también para el relé.
Los otros dos comparadores del circuito integrado se pueden utilizar con otro propósito, como un oscilador de audio modulado para un sistema de aviso.
El transistor admite el equivalente, y el LDR puede ser de cualquier tipo redondo común.
Si el cable de conexión al LDR es largo debe ser blindado para evitar el accionamiento errático por la captación de zumbidos.
PRUEBA Y USO
Basta con variar la intensidad de luz sobre el LDR y ajustar tanto P1 como P2 para tener el accionamiento del relé en el rango indicado.
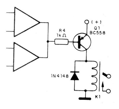
Para un accionamiento "invertido" también podemos usar un transistor en la activación del relé, como muestra la figura 5.

CI-1 LM139, 239 o 339 - Comparador
Q1 - BC548 - transistores NPN de uso general
D1 - 1N4148 - diodo de uso general
R1, R2 - 22 k ohms x1 / 8 W - resistor
R3 - 12 k ohms x 1/8 W - resistor
R4 - 1 k ohms x 1/8 W - resistor
P1, P2 - 1 M ohms - potes
C1 - 100 uF - electrolítico
K1 - Relé de 6 o 12 V sensible
Varios:
Placa de circuito impreso, caja para el montaje, fuente de alimentación, hilos, soldadura, etc.



