Esta serie proporciona pequeños circuitos para soluciones de problemas en diversos sectores profesionales como en la industria, telecomunicaciones, instrumentación, etc. Los circuitos presentados fueron previamente probados, y los resultados finales en la aplicación específica depender sólo de la calidad de los componentes usados y de la habilidad del ensamblador.
La idea básica de esta serie es proporcionar soluciones simples basadas en componentes tradicionales y que por eso pueden desarrollarse fácilmente en un mínimo de tiempo y sin la necesidad de recursos especiales para cálculo y simulación.
SENSOR DE HUMEDAD
El circuito presentado en la figura 1 consiste en una óptima aplicación para paneles eléctricos, con la posibilidad de que la señal sea enviada a un IHM (Interface Hombre-Máquina) accionando sistemas de advertencia y protección.
El tipo de sensor utilizado depende de la aplicación.
Para detectar la presencia directa de líquidos se puede emplear como sensor un par de hilos pelados.
Cuando el líquido toca los dos hilos al mismo tiempo, la caída de la resistencia polarizará los transistores en el sentido de llevar el relé al disparo.
Otro tipo de sensor puede ser una pequeña almohadilla o un pedazo de tejido poroso que tenga alto grado de absorción de humedad colocado entre dos pequeñas pantallas de alambre o cobre en las que se conectan los hilos de señal.
Cuando la resistencia de este sensor baja, por la absorción de humedad, el circuito disparará, cerrando los contactos del relé.
En la condición de espera con una corriente prácticamente nula fluyendo por el sensor, la corriente consumida por el circuito es muy baja.
El trimpot P1 ajusta el punto de disparo.
Sin embargo, a medida que la humedad aumenta, y el punto de disparo se aproxima, la corriente consumida aumenta llegando al punto que corresponde a lo necesario al disparo del relé.
Otras aplicaciones para este circuito incluyen la detección y alarma de fugas, control automático de bombas de agua, detector de lluvia, etc.
En la figura 2 tenemos una sugerencia de placa de circuito impreso para el montaje, teniendo en cuenta la utilización de un socket Dual In Line para el relé.
Para otros tipos de relés, se debe cambiar el diseño de la placa.
La alimentación depende del relé que debe ser del tipo sensible con una corriente máxima de disparo de 100 mA.
Q1. Q2 - BC548 o equivalentes - transistores NPN de uso general
D1 - 1N4148 - diodo de uso general
K1 - Relé de 6 o 12 V sensible (hasta 100 mA - contactos según el circuito controlado)
X1 - Sensor de humedad - ver texto
R1 - 10 k ohms x 1/8 W - resistor - marrón, negro, naranja
R2 - 1 k ohms x 1/8 W - resistor - marrón, negro, rojo
P1 - 10 k ohms - trimpot
Varios:
Fuente de alimentación, placa de circuito impreso, hilos, soldadura, zócalo para el relé (opcional), etc.
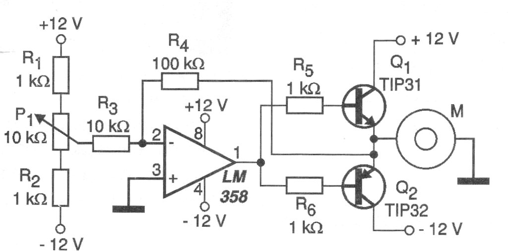
CONTROL BIDIRECCIONAL DC PARA SERVO-POSICIONAMIENTO
El circuito mostrado en la figura 3 tiene por objetivo controlar la potencia de un motor de corriente continua y también su sentido de rotación.
Entre las posibles aplicaciones sugerimos el uso en posicionamiento de servos utilizados en aplicaciones industriales de control de movimiento.
Los dos transistores deben montarse en radiadores de calor compatibles con la potencia del motor.
Con los transistores utilizados se pueden controlar motores de corriente continua especificados para tensiones entre 6 y 12 V con corrientes hasta 2 A.
La fuente de alimentación debe ser simétrica de acuerdo con la tensión del motor.
Dependiendo de la aplicación, el circuito puede volverse sensible al ruido de las escobillas del motor en caso de que los capacitores de desacoplamiento despolarizados de 10 a 100 uF pueden ser necesarios.
Este capacitor debe conectarse en paralelo con el motor.
Los amplificadores operacionales equivalentes al LM358 pueden ser empleados y la ganancia del circuito que va a determinar su respuesta puede ser cambiada en R4, dependiendo de las características del motor utilizado.
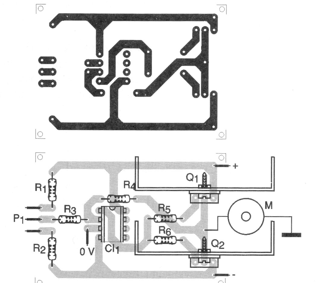
En la figura 4 tenemos una sugerencia de placa de circuito impreso, observándose el espacio dejado para los disipadores de calor de los transistores.
En el montaje, mantenga las pistas de las corrientes principales amplias para poder trabajar con la corriente requerida por el motor.
CI-1 - LM358 - amplificador operacional
Q1 - TIP31 - transistores NPN de potencia
Q2 - TIP32 - transistores PNP de potencia
M - Motor DC - ver el texto
R1, R2, R5, R6 - 1 k ohms x 1/8 W - resistores - marrón, negro, rojo
R4 - 100 k ohms x 1/8 W - resistor - marrón, negro, amarillo
P1 - 10 k ohms - potenciómetro lineal
Varios:
Placa de circuito impreso, radiadores de calor para los transistores, hilos, soldadura, etc.
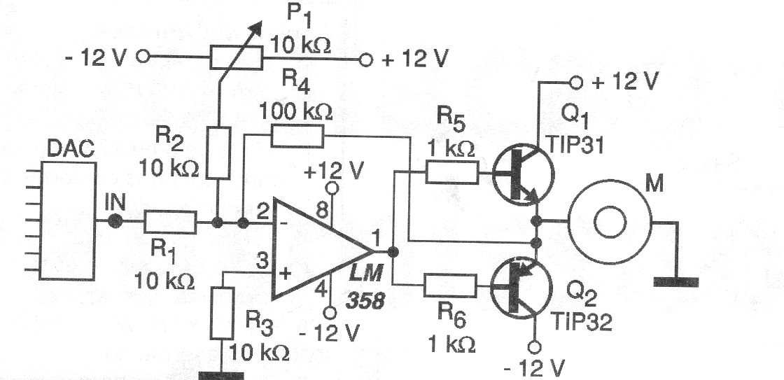
CONTROL DE MOTOR DC POR CONVERTIDOR D / A
El control de un motor de corriente continua directamente a partir de señales digitales a través de un convertidor digital a analógico puede ser implementado a partir del circuito mostrado en la figura 5.
En este circuito, las señales analógicas (tensión) obtenidas en la salida del convertidor D / A van a determinar la conducción de los transistores y con ello tanto la potencia aplicada al motor como su sentido de rotación.
La resolución del convertidor D / A utilizado determinará la precisión en el control, recordando que el rango de valores de salida va a ser simétrico con el centro de la escala significando 0 V o motor parado.
Esto ocurre porque la alimentación del motor es simétrica.
El ajuste correcto de esta pista se puede lograr a través del trimpot o el potenciómetro de ajuste P1.
El circuito está especificado para motores de 12 V, pero motores de otras tensiones en el rango de 6 a 15 V pueden ser empleados.
La corriente máxima del motor para los transistores indicados es de 2 amperios.
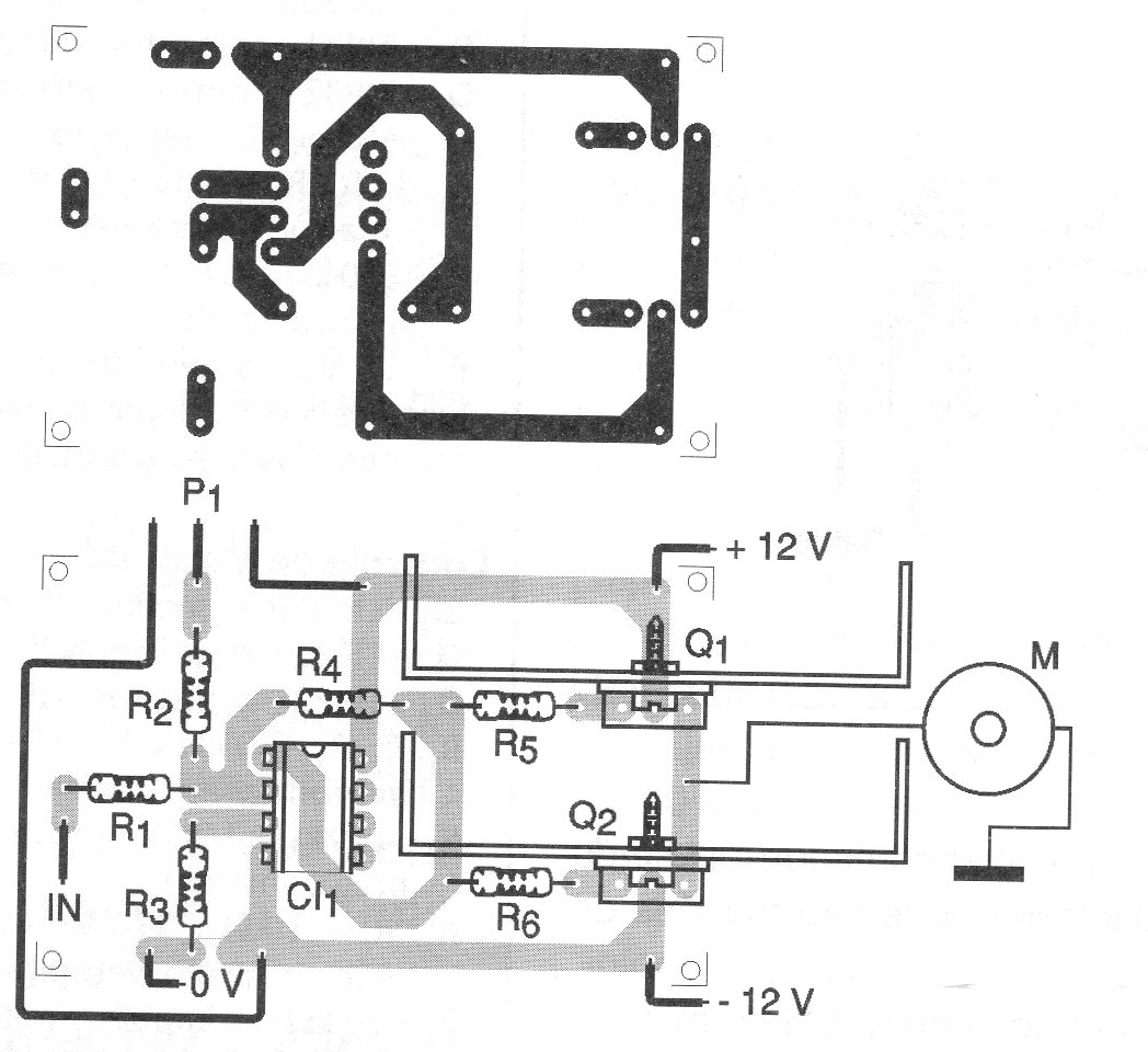
En la figura 6 tenemos una sugerencia de placa de circuito impreso para el montaje de este control.
Observe que las pistas que trabajan con las corrientes más intensas para el motor deben ser más anchas.
Los amplificadores operacionales equivalentes al LM358 se pueden utilizar y la ganancia del circuito se puede cambiar en R4.
CI-1 - LM358 - amplificador operativo
Q1 - TIP31 - transistores NPN de potencia
Q2 - TIP32 - transistores PNP de potencia
R1, R2, R3 - 10 k ohms x 1/8 W - resistores - marrón, negro, naranja
R4 - 100 k ohms x 1/8 W - resistor - marrón, negro, amarillo
R5, R6 - 1 k ohms x 1/8 W - resistores - marrón, negro, rojo
P1 - 10 k ohms - trimpot o pote
Varios:
Placa de circuito impreso, radiador de calor para los transistores, hilos, soldadura, etc.
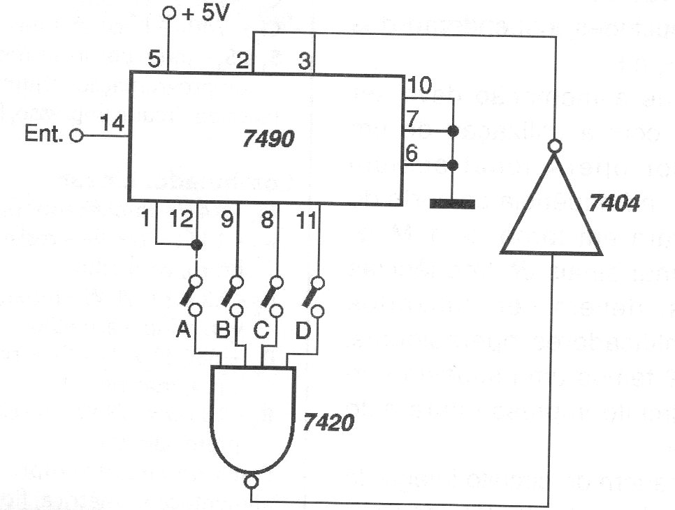
DIVISOR PROGRAMABLE
La división de la cuenta de pulsos por valores programables es un recurso que puede ser de gran utilidad en el diseño de pequeñas automa- e e incluso en la elaboración de PLCs simples a partir de circuitos lógicos convencionales.
El circuito mostrado en la figura 7 hace la división de los pulsos de entrada por un valor que depende de la programación de las llaves BCD A, B, C y D.
Como el circuito utiliza componentes de la familia TTL la alimentación debe ser hecha con una tensión de 5 V.
La misma idea, sin embargo, puede ser fácilmente transferida a circuitos equivalentes de tecnología CMOS, recordando que el 7490 es contador divisor por 10.
Para los componentes indicados con TTL rápidos la frecuencia máxima de entrada puede llegar a los 125 MHz.
Como se trata de circuito para ser implementado como parte de otros proyectos no damos la placa de circuito impreso.
Recordamos también que los pines no utilizados del 7420 y 7404 pueden ser aprovechados con otras finalidades en el mismo proyecto.
CI-1 - 7490 - circuito integrado TTL
CI-2 - 7420 - circuito integrado TTL
CI-3 - 7404 - circuito integrado TTL
S1 a S4 - Interruptores simples o clave de programación "thumbwell" BCD
Varios:
Placa de circuito impreso, hilos, soldadura, etc.
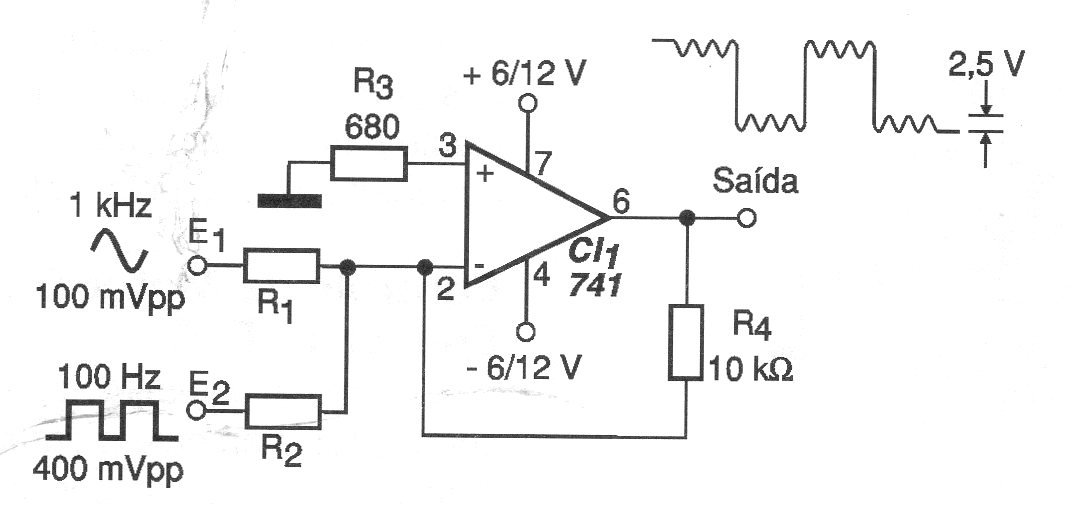
COMBINADOR LINEAR
El circuito mostrado en la figura 8 combina señales de dos frecuencias pudiendo ser empleado en instrumentación como modulador o aún para multiplexación de informaciones de sensores.
La ganancia del circuito se determina por la relación entre R4 y R3, pudiendo el valor de R4 ser alterado según la aplicación y la intensidad de las señales de entrada.
La forma en que se combinan las señales de entrada, es decir, sus amplitud dependen de los valores de R1 y R2.
La fuente de alimentación debe ser simétrica y con el uso de un amplificador operacional común como el 741 la frecuencia de corte del circuito está alrededor de 1 MHz.
Para combinar señales de frecuencias más altas deben utilizarse otros amplificadores operacionales.
En la figura 9 tenemos una sugerencia de placa de circuito impreso para este combinador.
Si la pinza del circuito integrado utilizado es diferente de los 741 cambios en la placa deben realizarse.
CI-1 - 741 - amplificador operativo
R1 - 1 k ohms x 1/8 W - resistor - marrón, negro, rojo
R2 - 2,2 k ohms x 1/8 W - resistor - rojo, rojo, rojo
R3 - 680 ohms x 1/8 W - resistor - azul, gris, marrón
R4 - 10 k ohms x 1/8 W - resistor - marrón, negro, naranja
Varios:
Placa de circuito impreso, fuente de alimentación simétrica, hilos, soldadura, etc.












