Muchos equipos domésticos, e incluso industriales pequeños, no admiten caídas acentuadas en la tensión de alimentación de la red de corriente alterna. Sin embargo, en determinados horarios (en los picos de consumo), estas caídas son inevitables. Para evitar estos problemas, damos un simple circuito de estabilizador automático de tensión.
En los horarios de consumo de energía eléctrica, generalmente por la noche, cuando miles de lámparas, televisores y duchas eléctricas están conectadas, la tensión en la red no puede mantenerse en los 110 o 117 V normales, requeridos para el funcionamiento apropiado de la mayoría de los aparatos electrodomésticos, e incluso pequeños equipos industriales.
Los televisores pueden presentar una reducción en el marco o en el brillo, las lámparas parecen brillar de forma más débil y los motores de refrigeradores, acondicionadores de aire y otros hacen una "enorme fuerza" para conseguir "dar la salida" y alcanzar la velocidad normal.
En algunos casos, este "esfuerzo" puede ser perjudicial, con una corriente excesiva que puede terminar por quemar los elementos del circuito.
No son raros los casos de motores de refrigeradores y otros equipos que se estropean justamente por un funcionamiento prolongado en régimen de tensión por debajo de lo normal.
Hay reguladores de tensión para este propósito que pueden ser tanto del tipo manual como automático.
En un regulador manual lo que tenemos es un autotransformador dotado de una llave selectora que permite elegir una relación apropiada entre las espiras de primario y de carga para aumentar o disminuir la tensión según sea necesario (figura 1).
En los reguladores automáticos tenemos transformadores especiales que pueden compensar, en el propio grado de saturación del núcleo, las variaciones de la tensión de entrada, manteniendo constante la tensión de salida.
El circuito que proponemos es intermedio, en el sentido de que es simple, con sólo una posible variación de tensión, pero totalmente automático.
Si la tensión de la red cae por debajo de un valor determinado (que se ajustará en un trimpot), como por ejemplo alrededor de 100 V, se activa un relé, añadiendo, a través de un autotransformador, una tensión de 9 a 12V a la carga, que puede funcionar normalmente.
El circuito está previsto para cargas de hasta 8 A (tanto inductivas como resistivas), lo que significa cerca de 880 W en la red de 110 V.
Pequeñas modificaciones en el circuito permitirán su operación también en la red de 220 V con la misma eficiencia.
EL CIRCUITO
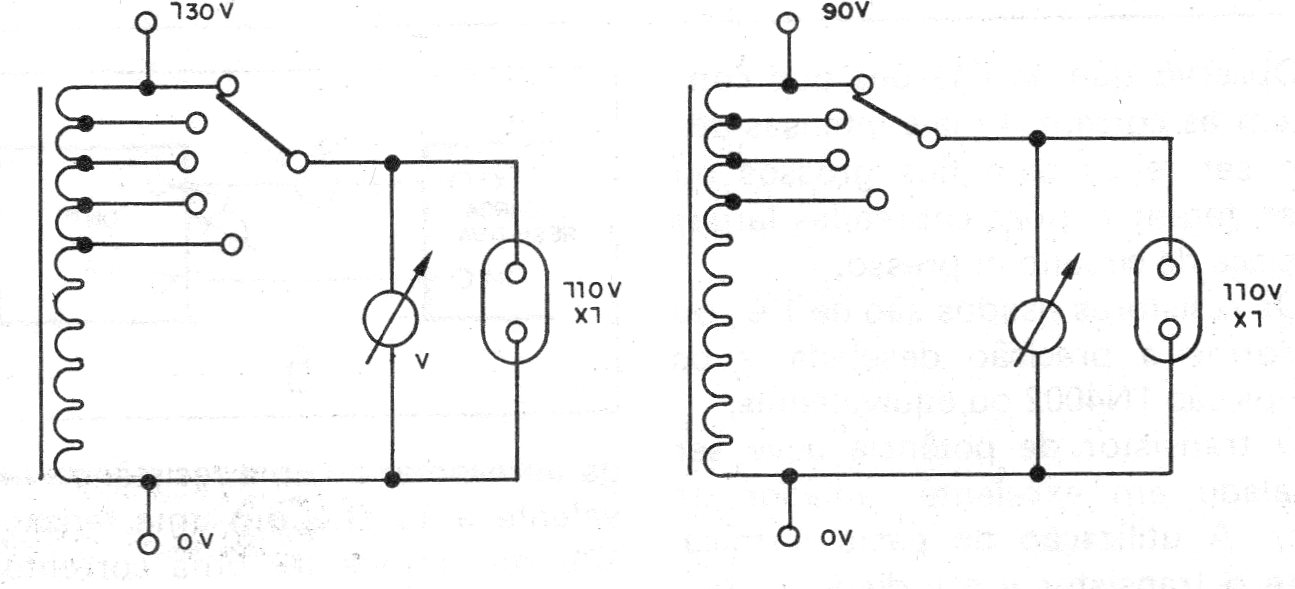
Tomando como ejemplo un pequeño transformador de alimentación con secundario de 12 V x 8 a 10 A, como muestra la figura 2, podemos fácilmente transformarlo en un auto-transformador.
Por la figura podemos observar que, dependiendo de cómo enlazamos el devanado secundario al primario, podemos sumar o disminuir la tensión en relación a su entrada.
Si la conexión de los devanados es en el mismo sentido, las tensiones se suman, y si es en sentido opuesto las tensiones se sustrae.
La conexión del transformador del modo correcto es el único punto crítico de nuestro montaje, pero se verá enormemente facilitada con la ayuda de un simple multímetro.
Usamos entonces en nuestro circuito un relé, que será activado cuando la tensión caiga por debajo de cierto valor.
Sin su activación, la tensión en la salida (X1) será igual a la de la entrada.
Sin embargo, con la activación del relé, el autotransformador se coloca en el circuito, añadiendo algunos voltios la alimentación de la salida, permitiendo así que la carga funcione normalmente.
La corriente del secundario de este transformador debe ser del mismo orden que la del aparato alimentado, pero teniendo en cuenta que sólo usamos el transformador para añadir algunos voltios (de 9 a 12V típicamente), incluso un transformador para 8 o 10 A es de pequeño tamaño, que no ocurriría si tuviéramos que usar un autotransformador para esta corriente pero de 110 V o incluso 220 V (figura 3).
¡Multiplique la tensión por la corriente en cada caso y vea la diferencia!
Para activar el relé con la subtensión, usamos un circuito simple que tiene por elemento básico un SCR, una lámpara neon y algunos resistores, además del trimpot de ajuste.
Este circuito funciona de la siguiente manera: ajusta el trimpot P1 para que el umbral del encendido de la lámpara, es decir, el punto en que se desconecta corresponda al valor mínimo de tensión deseado en la entrada, o aproximadamente 100 V.
Si la tensión se mantiene por encima de los 1ooV, la lámpara de neón estará encendida y el SCR-disparado, haciendo la conexión directa de la línea de energía de la entrada a la salida.
Sin embargo, si hay una caída de tensión momentánea, o de mayor duración en la tensión de entrada, la lámpara de neón no podrá mantenerse encendida, haciendo que el SCR se apague y con ello el relé sea desactivado.
En estas condiciones, con la conmutación se coloca en el circuito el autotransformador, que suma una pequeña tensión a la salida para compensar la caída.
El capacitor C1 en paralelo con el relé tiene por finalidad proporcionar cierta inercia al sistema para que fallas de corta duración en el suministro de energía, o caídas cortas, no hagan el circuito oscilar.
Se observa que el SCR tiene una acción rápida tanto en la activación como en la desactivación del relé, porque tanto su conducción como el circuito de ánodo se alimentan con corriente alterna.
La clave ST tiene por finalidad desactivar el sistema, permitiendo una alimentación directa de la carga.
MONTAJE
El circuito completo del sistema se da en la figura 4.
La instalación de los principales elementos en una placa y el pinado del relé, se dan en la figura 5.
El relé es del tipo SBM (subminiatura), que se puede encontrar con contactos de 3 a 8 A, según la aplicación.
La bobina es de 110 V, pero se puede utilizar una de 220 V, si ésta es la tensión de la red de energía.
Los resistores son todos de 1/8 W y el SCR puede ser del tipo MCR106.
Para el TIC106, eventualmente, será necesaria la reducción del valor de R3 para no haber el disparo incluso cuando la lámpara neta se apague.
El uso provisional de un trimpot de 47 k en este caso es recomendable.
El capacitor C1 es un capacitor de poliéster de 5,6 a 32 nF x 400 V.
La lámpara de neón es común y el transformador tiene devanado primario de 110 V y secundario de 9 a12 V con corriente de 6 a 8 A.
Un transformador de filamento de válvulas o incluso de tubos de TV puede servir para esta aplicación.
Los cables de conexión que conducen la corriente principal del circuito deben ser gruesos.
La llave S1 de conmutación de función debe ser de tipo robusto para soportar la corriente principal del circuito.
USO
Conecte su estabilizador en serie con un tipo manual común utilizado en televisión, un multímetro en la escala de tensión alterna, que permita leer de 90 a 120 V, y una lámpara de 100 W como carga, como muestra la fig. 6.
Ajuste en el estabilizador manual una tensión de aproximadamente 100 V.
A continuación, actúe en P1 para que la lámpara neta se apague.
Aumentando la tensión en el estabilizador manual de modo que vaya a 105 V o poco más, la lámpara de neón debe encenderse.
Volviendo a la posición anterior la lámpara debe apagarse y el relé desencadenará.
Al conectar el multímetro en la salida, en paralelo con la lámpara, o simplemente observando su variación de brillo, usted notará que, al disminuir este grado de tensión en el estabilizador manual, con la desactivación del relé la tensión sube o la lámpara aumenta su brillo.
Si esto no ocurre, es decir, la tensión disminuye mucho más y la lámpara brilla mucho menos, luego invierte el secundario de T1, pues su tensión está siendo sustraída.
Para utilizar el aparato, basta mantener el ajuste en la tensión mínima en que se desea el disparo y hacer la conexión de la carga en X1, respetando los límites de potencia indicados.
Recordamos que este es un estabilizador automático de paso único.
Así, la tensión sumada de 12 V por ejemplo, será eficiente en un rango de 95 a 100 V en el que pasamos a obtener de 107 a 112 V, llevando la carga a un funcionamiento normal.
El aparato no servirá si las caídas son muy acentuadas o si hay también elevaciones muy grandes de tensión.
Se trata de un sistema que suma una cierta tensión cuando se hace necesaria, no actuando de otra forma.
Para el uso con la red de 220 V, basta con cambiar el transformador con primario para esta tensión y secundario de 12 a 18 V x 8 A, y el relé para el SBMSZRA4 (*).
(*) El artículo es de 1989. Vea un tipo equivalente para la aplicación actual.
R1 debe ser de 82 k x ½ W en este caso.
Los demás componentes permanecen inalterados y el ajuste debe ser hecho para que el accionamiento del sistema ocurra en aproximadamente 200 V.
SCR - TIC106 o MCR106 para 200 V - diodo controlado de silicio
NE-1 - NE-2H o equivalente - lámpara de neón común
C1 - 5,6 a 32 nF - capacitor de poliéster para 200 V o más
T1 - transformador con secundario de 12 V x 8 A o más y primario de acuerdo con la red local
F1 - fusible de 10 A
K1 - relé de 110 V x 8 A
X1 - toma
S1 - llave de 2 polos x 2 posiciones (250 V x 8 A)
P1 - 100 k - trimpot
R1 - 47 k x 1/8 W - resistencia (amarillo, violeta, naranja)
R2 - 10 k - resistor (marrón, negro, naranja)
R3 - 100 k - resistor (marrón, negro, amarillo)
Varios: soporte para fusíve1, caja para montaje, cables, cable de alimentación etc.









