En la prueba de fuentes de alimentación es común que necesite resistencias de valores relativamente bajos y de altas disipaciones. Lo que ocurre de más grave en este caso, sin embargo, no es la disipación necesaria, sino los valores deseados, que no siempre corresponden a los de las series comerciales disponibles. Con el circuito presentado podemos simular resistores de bajos valores y altas disipaciones con facilidad y precisión. Si usted trabaja con fuentes de alimentación o necesita cargas resistivas precisas para su prueba, he aquí la oportunidad de tener un equipo de gran utilidad.
Utilizando el integrado CA1458E, que consiste en un doble-operativo (cada uno equivalente al conocido 741), y un transistor Darlington de potencia de 4 A, elaboramos una carga resistiva de gran utilidad para la prueba de fuentes de alimentación y otros circuitos que requieran resistores de bajos valores y altas disipaciones.
Esta carga puede operar con tensiones hasta 60 V y disipar potencias del orden de 50 W.
La precisión para el valor simulado depende exclusivamente del resistor utilizado como patrón y de los resistores utilizados en el montaje del circuito que, preferentemente, para una aplicación profesional deben ser del 1%.
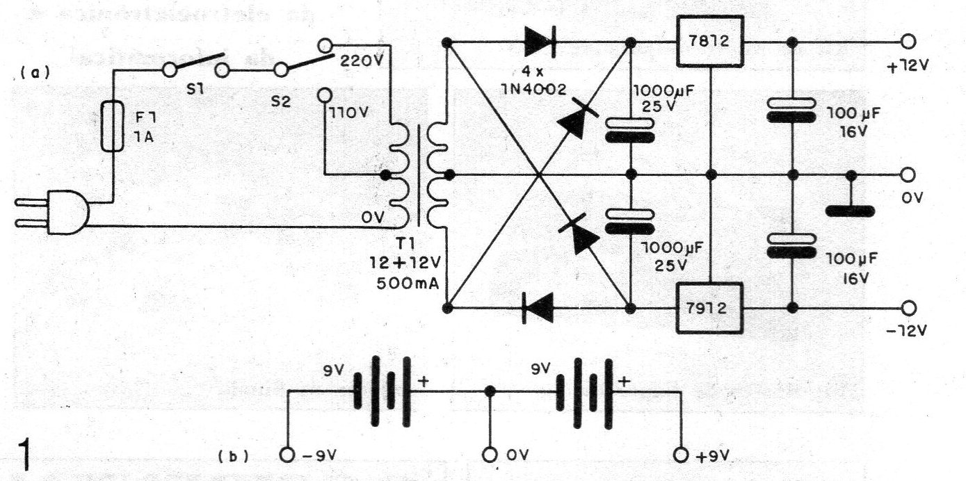
La alimentación del circuito se puede realizar con baterías comunes de 9 V como a través de una fuente fija, cuyo diagrama se da en la figura 1, que proporciona una salida de 12 V.
Como el consumo de corriente del sector operativo que es alimentado por la fuente o las pilas, es muy bajo, las baterías pequeñas de 9 V tendrán buena durabilidad, permitiendo así la realización de un equipo portátil.
EL CIRCUITO
La idea básica consiste en programar el valor resistivo que el circuito presenta a través de un resistor estándar externo Rx.
Los amplificadores operativos se conectan de forma que se produzca una amplificación de 1000 veces, lo que significa que el valor de la resistencia externa se dividirá por 1000.
Así, teniendo en cuenta que existe una resistencia adicional de 10 intrínseca al circuito, si conectamos entre los pines X1 y X2 un resistor de 12 k, la resistencia que pasará a ser vista entre X3 y X4 será de:
(12000/1000) + 1 = 12 +1 = 13 ohms
La corriente máxima permitida está determinada por las características del transistor Darlington de salida, en el caso 4A, así que la disipación en este caso será del orden de 50 W.
Ver que la ganancia de los operativos son dados por los resistores de realimentación.
Tomando como referencia el circuito, vemos que la resistencia de realimentación que determina la ganancia debe tener un valor no comercial de 499 ohms.
Para obtener este valor podemos simplemente seleccionar dos resistores de 1k que, conectados en paralelo, proporcionen este valor.
Podemos hacer la medida con un multímetro de alta sensibilidad para obtener precisión del mismo orden para la carga.
Es importante observar que la resistencia representada por el transistor de potencia es polarizada, o sea, debe haber una tensión positiva en el colector, en relación al emisor, para que el sistema funcione.
En el caso, la tensión puede tener un valor mínimo de 3 V y máximo determinado por las características de este mismo transistor.
MONTAJE
En la figura 2 damos el diagrama completo de la carga resistiva de potencia.
La disposición de los componentes en placa de circuito impreso se muestra en la figura 3.
Observe que las conexiones que conducen las corrientes más intensas deben ser hechas con hilos gruesos o bien tener regiones cubiertas amplias en la placa de circuito impreso.
Las resistencias usadas son del 1%, o según la precisión deseada, y los diodos son 1N4002 o equivalentes.
El transistor de potencia debe instalarse en un excelente radiador de calor.
El uso de pasta térmica, entre el transistor y el radiador, es importante y la ubicación en la caja debe ser tal que permita la transferencia de calor al ambiente con facilidad.
Sugerimos la instalación fuera de la caja en su parte posterior, muestra la figura 4.
La resistencia R6 también tiende a calentarse durante el funcionamiento a plena potencia, por lo que este componente no puede estar cerca de elementos del circuito sensibles al calor.
PRUEBA Y USO
La precisión de funcionamiento se puede comprobar con la conexión de la carga a una fuente y un amperímetro en serie, como se muestra en la figura 5.

Colocando un resistor de 100 k, por ejemplo, entre X1 y X2 tendremos la carga presentando una resistencia equivalente a 100 ohms.
Con una tensión de 10 V deberemos tener una corriente de 100 mA.
Para una resistencia de 10 k, la resistencia equivalente será de 11 ohms lo que significa que, con una tensión de 11 V, tendremos una corriente de 1A.
Una sugerencia consiste en la utilización de un potenciómetro lineal entre X1 y X2 que permitiría el ajuste de la corriente en la carga en una amplia gama de valores.
Comprobado el funcionamiento es sólo utilizar la carga, recordando sus limitaciones de corriente y tensión y observando su polaridad.
En la figura 6 tenemos el modo de hacer una prueba de funcionamiento de una fuente de alimentación.
Ajustamos la resistencia externa a un valor que resulte en la corriente en que se desea hacer la prueba de la fuente.
CI-1 - CA1458E - circuito integrado (Doble operativa)
Q1 - TIP110 - transistor Darlington de potencia S
D1, D2 - 1N4002 - diodos de silicio
R1 a R5 - 1 k - resistores (marrón, negro, rojo) - ver texto
R6 - 0,5 ohms x 10 W - resistor de hilo
Varios: placa de circuito impreso, radiador para el transistor, hilos, soldadura, fuente de alimentación, caja para montaje etc.








