El proyecto relacionado con la música electrónica que presentamos en este artículo es un sistema de seguimiento que imita el sonido de bongôs y que es accionado por el toque en sensores. Podemos utilizar este circuito en conjunto con un amplificador de potencia mayor, o con su propio amplificador cuyo diagrama también se da en el artículo. Se producen sonidos de cuatro timbres, que pueden ser ampliados por el simple acrecimiento de nuevos osciladores.
Los osciladores de doble T, cuando están ajustados para producir oscilaciones amortiguadas, imitan con precisión los sonidos de instrumentos como los tambores, tambores y bongôs.
Lo que proponemos en este artículo es un conjunto de cuatro osciladores que operan en frecuencias crecientes y que imitan un conjunto de bongôs de excelente desempeño.
La alimentación del circuito se realiza con baterías o pilas comunes, o, si lo prefiere, por una fuente de alimentación (que también servirá para un amplificador).
El circuito es bastante simple, usando transistores de uso general y el amplificador es un integrado, con aproximadamente 1 W de potencia en la versión dada.
Los ajustes necesarios son mínimos, correspondiendo sólo al punto ideal de oscilación o afinación de cada bongô.
Las características principales de este circuito son:
Tensión de alimentación: 9 a 12 V
Número de osciladores: 4
Consumo de corriente del oscilador múltiple: 2 a 3 mA
Tipo de accionamiento: por tacto
EL CIRCUITO
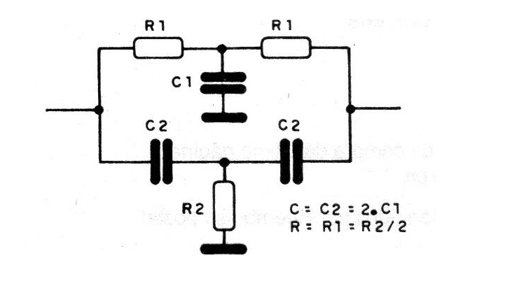
En la figura 1 tenemos la red de realimentación positiva que determina la frecuencia de operación.
Esta frecuencia depende de los valores de los resistores y de los capacitores, que deben mantener una relación definida, dada junto al propio diagrama:
f: 1 / (2 x 3,14 x R x C)
Donde:
3,14 es el PI
f es la frecuencia en Hz
R es el valor del resistor, en ohms (Con R = R1 = R2 / 2)
C es el valor del capacitor, en Farads (con C = 2 C1 = 2xo2)
En un oscilador con realimentación apropiada la amplitud de las oscilaciones se mantiene constante y tenemos una oscilación continua.
Sin embargo, si la retroalimentación es insuficiente para mantener las oscilaciones, lo que tenemos es la producción de oscilaciones amortiguadas, o sea, oscilaciones cuya amplitud decrece con el tiempo, como muestra la figura 2.
Dependiendo de la amortiguación tenemos la imitación de diversos tipos de percusión.
Una amortiguación larga imita el sonido metálico, obtenido cuando golpeamos un pedazo de hierro, en un cristal o aún la campana.
Una amortiguación rápida imita un golpe seco, como la obtenida cuando dos bloques de madera chocan uno contra el otro.
Por el ajuste de la retroalimentación, con un trimpot en punto apropiado, podemos obtener los timbres que caracterizan estos instrumentos.
En nuestro caso, como deseamos el sonido de bongôs, lo que representa un golpe seco con prolongación que no llega a ser metálico, tendremos un ajuste intermedio, con una amortiguación media.
En nuestro proyecto tenemos cuatro osciladores de doble T, cuyas frecuencias aumentan en una escala que permite imitar los bongôs.
Sus salidas se mezclan y se llevan a un punto único, que puede conectarse a la entrada de un amplificador.
El nivel de señal del orden de 1Vpp obtenido, con impedancia superior a 10 k, permite el acoplamiento del conjunto a la entrada de cualquier amplificador.
El accionamiento del oscilador se realiza de una manera interesante.
Como tenemos oscilaciones amortiguadas, por sí solo, cada oscilador no entra en funcionamiento sin una excitación externa.
Esta excitación consiste en el ruido de red, que se aplica cuando tocamos en sensores acoplados a las bases de los transistores vía doble T.
El toque provoca la excitación que produce el pulso inicial y lleva a las oscilaciones amortiguadas ajustadas en cada trimpot.
Para aquellos que no quieren depender de un amplificador externo, y con ello hacer el instrumento de uso portátil sugerimos la utilización de un simple amplificador integrado.
Este amplificador utiliza un TBA820M (versión de 8 pines del TBA8208) que se puede alimentar con tensiones de 9 a 12 V.
La buena potencia y ganancia de este pequeño amplificador deben estar casadas con la utilización de un altavoz que tenga buena respuesta de medios y graves.
Sugerimos el uso de un altavoz pesado de al menos 15 cm de diámetro para que no se pierdan o atenúen excesivamente los sonidos más graves del último oscilador.
Si se utiliza sólo el conjunto de osciladores, sin el amplificador, una batería de 9 V es suficiente para proporcionar una autonomía de funcionamiento bastante larga.
Sin embargo, con el amplificador, que tiene una corriente drenada un poco elevada, se deben utilizar pilas comunes, pequeñas o medianas (6 unidades), o incluso una fuente de alimentación con capacidad de al menos 250 mA.
El filtrado de esta fuente es muy importante para no obtener el ronquido en la reproducción.
En la figura 3 tenemos una sugerencia de fuente.

El transformador tiene un secundario de 12 + 12 V o 15 + 15 V (o valores intermedios) con una corriente de 50 mA o más.
Los diodos de esta fuente son los del tipo 1N4002 y el electrolítico es de 15oouF con 16 V de tensión de operación o más.
El integrado 7812 debe estar dotado de un radiador de calor.
MONTAJE
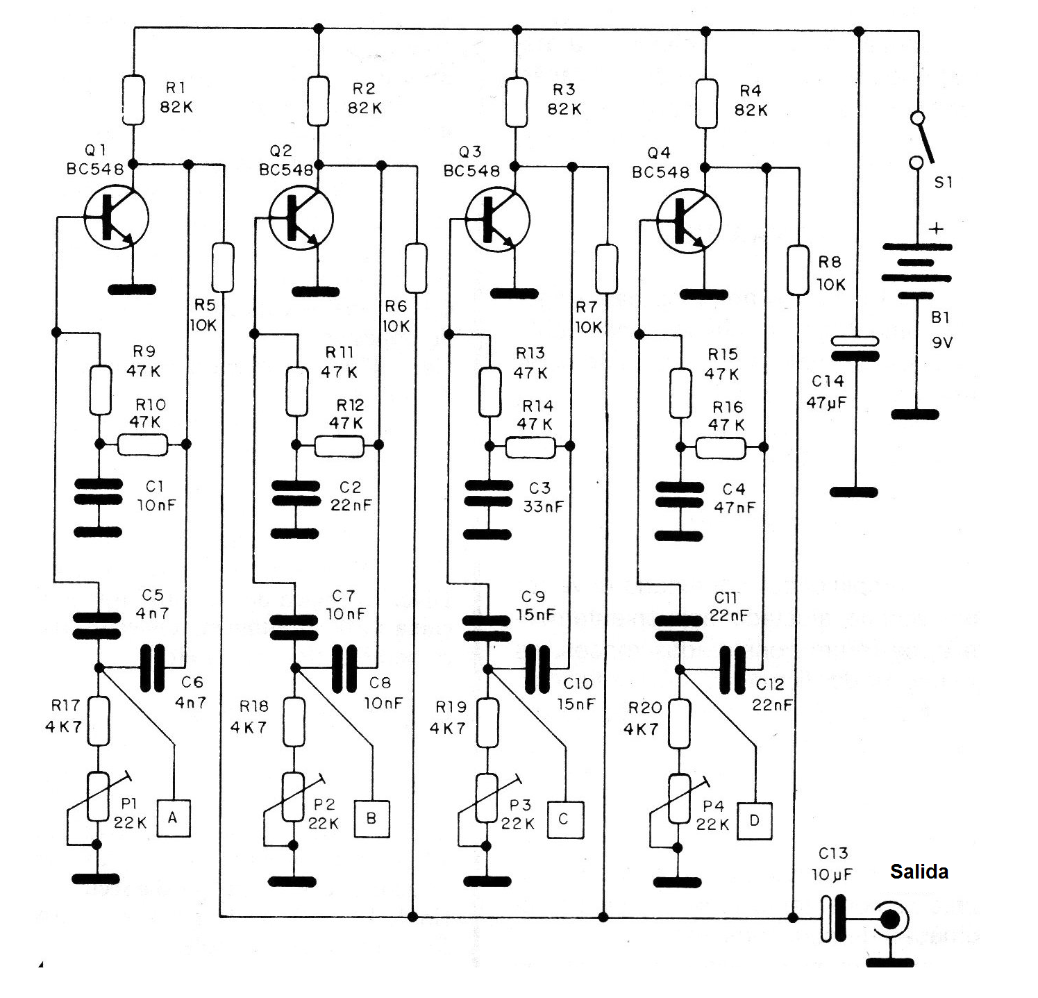
En la figura 4 tenemos el diagrama completo de los cuatro osciladores que se utilizan en el bongô básico.
El montaje, basado en una placa de circuito impreso universal con patrón de matriz de contactos, se muestra en la figura 5.
Los accionadores de tacto (de A a D) consisten en chapas de metal o incluso placas de circuito impreso conectadas a los puntos indicados
Los transistores usados son NPN de uso general, como los BC548 o equivalentes tales como BC237, 80238, BCS47 etc.
Los resistores son todos de 1/8 o 1 / 4W, con 5 o 10% de tolerancia, y los capacitores pueden ser tanto cerámicos como de poliéster.
Los electrolitos deben tener una tensión de trabajo de 16 V o más.
Los trimpots son comunes y el cable de salida para el gato debe ser blindado.
Para la batería se debe utilizar el conector apropiado y el interruptor simple puede ser deslizante o de palanca.
El conjunto podrá ser instalado en una caja plástica, como muestra la figura 6.

En la figura 7 tenemos el diagrama del amplificador sugerido para este proyecto, incluyendo el control de volumen.

El altavoz se puede instalar en un pequeño altavoz o incluso disfrutar de una caja más grande de equipos de sonido comercial, sin problemas.
Los resistores son todos de 1/8 o ¼ W, con 5 o 10% de tolerancia y los electrolíticos deben tener tensión de trabajo de 16 V.
El potenciómetro de control de volumen debe ser Iog y, eventualmente, puede incluirse el interruptor general.
Para el integrado sugerimos la utilización de un soporte DIL de 8 pines, lo que facilitará su sustitución en caso de necesidad y evitará problemas de calor que pueden ocurrir durante el proceso de soldadura.
Observe que el cable de entrada debe ser blindado.
En la figura 8 tenemos la disposición de los componentes de este amplificador en una placa de circuito impreso universal.
En la ampliación para tonos más graves, sugerimos utilizar los siguientes valores para los osciladores a ser aplicados:
C = 47 nF y 2C = 100 nF
C = 68 nF y 2 C = 120 nF
C = 82nF y 2C = 150 nF
Con la finalidad de mejorar.a.respuesta de los graves en el caso de utilización de estos nuevos osciladores, sugerimos aumentar el valor de C4 del amplificador a 1 000 uF.
PRUEBA Y USO
Para probar el aparato basta con conectar su alimentación y ajustar inicialmente todos los trimpotes, de modo que no se produzcan oscilaciones continuas.
Después, tocando rápidamente en cada sensor, vamos a ajustar los trimpotes correspondientes a fin de obtener las oscilaciones amortiguadas que caracterizan los bongôs.
El amplificador conectado debe tener su volumen ajustado convenientemente y, si se constatan roncos, los blindajes de los hilos deben ser verificados.
La producción de ronquidos en el tacto puede ser eliminada por la utilización de contactos eléctricos en lugar del contacto de los dedos.
Interruptores de presión de acción ligera e incluso reed-switches pueden ser usados, pero en este último caso el accionamiento sería hecho por el acercamiento de pequeños imanes.
El otro polo de estos interruptores puede ser conectado al positivo de la alimentación.
a) osciladores
Q1 a Q4 - BC548 o equivalentes transistores NPN de uso general
P1 a P4 - 22k - trimpots
S1 - interruptor simple
B1 - 9 o 12 V - batería o fuente de alimentación
R1 a R4 - 82 k - resistores (gris, rojo, naranja)
R5 a R8 - 10 k - resistores (marrón, negro, naranja)
R9 a R16 - 47 k - resistores (amarillo, violeta, naranja)
R17 a R20 - 4k7 - resistores (amarillo, violeta, rojo)
C1, C7, C8 - 10 nF - capacitores cerámicos o de poliéster
C2, C11, C12 - 22 nF - capacitores cerámicos o de poliéster
C3 - 33 nF - capacitor de cerámica o de poliéster
C4 - 47 nF - capacitor de cerámica o de poliéster
C5, C6 - 4n7 - capacitores cerámicos o de poliéster
C9, C10 - 15 nF - capacitores cerámicos o de poliéster
C13 - 10 uF - capacitor electrolítico
C14 - 47 uF - capacitor electrolítico
Varios: placa de circuito impreso, caja para montaje, conector para batería, hilos, soldadura, etc.
b) Fuente de alimentación
CI-1 - 7812 - circuito integrado
D1, D2 - 1N4002 o equivalentes diodos de silicio
C1 - 1 500 uF - capacitor electrolítico
T1 - transformador con primario de acuerdo con la red local y secundaria de 12 + 12 V o 15 + 15 V x 500 mA
S1 - interruptor simple
F1 - fusible de 500 mA
Varios: puente de terminales, cable de alimentación, radiador para el integrado, soporte para el fusible.
c) Amplificador
C1-1 - TBA820M - circuito integrado
P1 - 10 k - potenciómetro
FTE - altavoz de 4 u 8 ohms x 15cm
R1 - 10 k - resistor (marrón, negro, naranja)
R2 - 33 ohms - resistor (naranja, naranja, negro)
C1 - 10 uF - capacitor electrolítico
C2, C5 - I00 uF - capacitores electrolíticos
C3 - 220 pF - capacitor de cerámica
C4 - 470 uF - capacitor electrolítico
Varios: placa de circuito impreso, zócalo para el integrado, knob para el potenciómetro, hilos, cable blindado, enchufe P2, etc.








