Para aplicaciones de control de gran cantidad de LED como, por ejemplo, paneles de iluminación, los diseñadores pueden contar con el circuito integrado LED 171596 de Texas Instruments, distribuido por Mouser Electronics. En este artículo enfocamos algunas características de uso para este componente obtenidas directamente del datasheet del fabricante.
El artículo fue elaborado sobre la base de la información obtenida en el datasheet del componente que se puede acceder en: http://www.ti.com/lit/ds/symlink/led171596a.pdf
Para adquirir el componente a través de Mouser Electronics acceda al enlace: https://www.mouser.com/new/Texas-Instruments/ti-led171596a-led-driver/
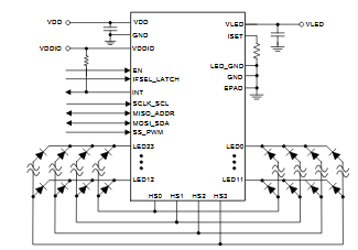
El circuito integrado LED171596A de Texas Instruments consiste en un driver (excitador) para 96 ??LED con 4 salidas para el estado HI (source) y 24 salidas para el estado LO conforme muestra la aplicación básica de la figura 1.

Naca canal tiene la capacidad de 60 mA de corriente y el control PWM es de 9 bits para el control de los LED.
El control se puede hacer tanto por señales PWM como interfaz SPI e I2C.
Los valores máximos, condiciones de operación y modo de control se pueden encontrar en el datasheet del fabricante.
La pinza del componente con la función de cada perno se muestra en la figura 2. Observe el tipo de envoltura de 48 pines para montaje SMD.

Las curvas de rendimiento así como el detalle del funcionamiento también se pueden encontrar en el datasheet de 156 páginas.
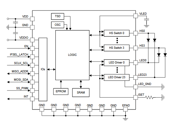
En la figura 3 tenemos los bloques funcionales del LED171596A de Texas Instruments.

Para excitación directa la corriente máxima por LED es de 15 mA.



