La corriente de reposo de esta alarma es del orden de micro-camiones lo que permite su utilización con alimentación por pilas que durarán una eternidad. El circuito es muy sencillo de montar, instalar y utilizar componentes de bajo costo.
La alarma simple que describimos tiene una característica que puede ser muy importante en determinadas aplicaciones: consumo muy bajo.
La baja corriente de espera (sin disparar) permite que las pilas se utilizan en la alimentación, o incluso una fuente de pequeña capacidad de corriente.
El retardo es un punto importante que se debe considerar en algunos casos, ya que impide la acción inmediata de la alarma haciendo que el intruso intente desactivar el circuito.
Si la alarma se dispara cuando el intruso está lejos del sensor, psicológicamente no tendrá condiciones de volver y desarmarlo, pensando únicamente en escapar del lugar.
El retardo en nuestro circuito puede ser fijado entre algunos segundos hasta algunos minutos, dependiendo exclusivamente del valor de un condensador.
El relé utilizado puede controlar las sirenas y los dispositivos de advertencia de altas corrientes.
Como funciona
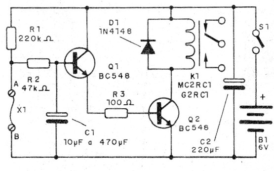
Para el accionamiento del relé tenemos dos transistores conectados en una etapa Darlington de alta ganancia.
La impedancia de entrada de este paso es muy alta, del orden de millones de ohmios, lo que significa la necesidad de una corriente muy pequeña de base para accionar un relé en su colector.
Así, como muestra la figura 1, lo que hacemos es desviar la corriente de base muy pequeña a la tierra a través de los sensores conectados en los puntos A y B, lo que impide el disparo del relé.

Cuando el sensor entre A y B se interrumpe la corriente polariza la base del transistor Q1, pero tarda un cierto tiempo para alcanzar la plena conducción, dada la presencia del condensador de retardo.
Los valores entre 10 uF y 470 uF se pueden utilizar para el condensador de retardo.
Como la corriente en el sensor es muy baja, se pueden utilizar hilos muy finos en su conexión, lo que facilita su ocultación.
Diversos sensores pueden ser conectados en serie y la distancia grande uno del otro, protegiendo así una gran área, como muestra la figura 2.

Hay varias posibilidades para la utilización de sensores.
La más simple consiste en utilizar clavillos pequeños colocados en puertas y ventanas como muestra la figura 3.

Cuando el cable se interrumpe, por la apertura de la ventana o la puerta, la alarma se dispara.
La otra solución consiste en utilizar sensores tipo reed que se mantienen cerrados por la acción de un imán, como muestra la figura 4.

La ventaja de estos sensores es que pueden ser adquiridos listos y tienen una apariencia mejor cuando se instalan.
Cuando el imán se aleja del sensor, abre sus contactos disparando la alarma.
Montaje
El diagrama completo de la alarma se muestra en la figura 5.

Tenemos dos posibilidades de montaje que dependen de los recursos del ensamblador.
Para los que desean una apariencia mejor y mayor confiabilidad tenemos la placa de circuito impreso mostrada en la figura 6.

Esta placa prevé el uso de relés basados ??en DIL. Si se utilizan relés de otras bases, el diseño debe cambiar.
El relé debe ser de 6 V con corriente de disparo máxima d 100 mA.
Para un montaje en puente de terminales tenemos la disposición de componentes de la figura 7.

Uso
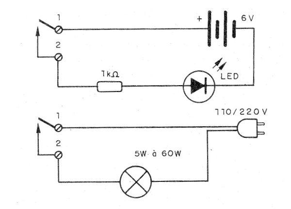
En la figura 8 tenemos el modo de conectar la carga de prueba.

Conecte los puntos A y B de la alarma y alimente el circuito.
Desconectando los puntos A y B después de algún tiempo, que depende del condensador, la alarma debe dispararse.
En la figura 9 tenemos el modo de hacer la instalación de una cigarra y una lámpara.

Q1, Q2 - BC548 - transistores NPN de uso general
D1 - 1N4148 - diodo de silicio
S1 - Interruptor simple
B1 - 6 V - 4 pilas pequeñas
K1 - Relé de 6 V x 100 mA o menos
C1 - 10 uF a 470 uF x 6 V o más - electrolítico
C2 - 220 uF x 12 V o más - electrolítico
R1 - 220 k ohms x 1/8 W - resistor - rojo, rojo, amarillo
R2 - 47 k ohms x 1/8 W - resistor - amarillo, violeta, naranja
R3 - 100 ohms x 1/8 W - resistor - marrón, negro, marrón
Varios:
Placa de circuito impreso o puente de terminales, soporte de pilas, sensores, hilos, soldadura, etc.



