Con el circuito presentado podremos captar el sonido de un altavoz o de un auricular por su campo magnético, obteniéndose así una señal libre de interferencia del sonido ambiente para grabaciones. Vea en este artículo cómo hacerlo.
La forma convencional de grabar el sonido reproducido en un altavoz o en el auricular del teléfono consiste en acercar el micrófono de los medios de los mismos.
Sin embargo, este procedimiento tiene algunos inconvenientes como la alteración de la fidelidad y también la posibilidad de captar el sonido ambiente que interfiere.
Lo que proponemos en este artículo es un circuito de interfaz que capta los sonidos de un altavoz por su campo magnético y hace su transferencia a medios de grabación que pueden ser, desde un grabador antiguo del tipo todavía utilizado por reporteros, grabadoras digitales e incluso incluso la entrada de micrófono de un ordenador.
El circuito tiene bajo consumo, es sensible siendo alimentado por una batería de 9 V.
Como funciona
El elemento de captación es una bobina formada por muchas espiras de hilo muy fino en una forma rectangular.
Si bien podemos encontrar esta bobina lista en algunas tiendas, ya que los radioaficionados brasileños la utilizan mucho, llamándola cariñosamente de "Maricota", el enrollamiento primario de un transformador sin núcleo puede ser utilizado.
Esta bobina capta las señales por el campo magnético que crean aplicando a un amplificador operacional del tipo 741.
En este amplificador la ganancia se puede ajustar según la intensidad por el potenciómetro de realimentación P1.
Así, basta colocar la bobina captadora cerca de un altavoz como muestra la figura 1, y ya tendremos la señal aplicada al circuito.

La salida de la señal en J1 se puede entonces aplicar a los medios deseados a través de cable y enchufe apropiados.
Montaje
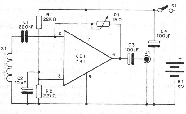
En la figura 2 tenemos el diagrama completo del aparato.

En la figura 3 damos una sugerencia de placa de circuito impreso para el montaje.

En el montaje, observe la posición del circuito integrado y la polaridad de la batería.
Los resistores son de 1/8 W y los condensadores electrolíticos para 12 V o más.
Prueba y uso
Para probar, conecte la salida del circuito a un amplificador y acerque la bobina captadora de una radio u otro aparato que esté reproduciendo sonido.
Ajuste P1 para tener el sonido con mayor intensidad sin distorsión.
Para usar basta con colocar la bobina en relación a la fuente de audio.
En la figura 4 tenemos el uso en un teléfono común que tiene un auricular magnético.

En algunos tipos de teléfonos que utilizan transductores piezoeléctricos esta posición no funciona se debe encontrar otro lugar cerca del aparato.
CI-1 - 741 - circuito integrado
X1 - Bobina captadora - ver texto
S1 - Interruptor simple
B1 - 9 V - batería
P1 - 1 M ohms - pote
R1, R2 - 22 k ohms x 1/8 W - resistores - rojo, rojo, naranja
J1 - jack de salida
Varios:
Placa de circuito impreso, conector de batería, caja para montaje, hilos, soldadura, etc.



