Por su simplicidad, este circuito es mucho más una idea práctica que propiamente un proyecto electrónico avanzado. De hecho, utilizando lámparas de neón común es posible monitorear el nivel de un depósito de agua a distancia con facilidad y poco costo. Es lo que veremos a continuación.
El encendido de las lámparas de este indicador depende del nivel de agua en un depósito. Con el depósito lleno, todas las lámparas están encendidas, apagándose gradualmente a medida que el depósito se vacía.
Las lámparas son del tipo neón de bajísimo consumo (cada una requiere menos de 0,001 W (1 mW) lo que significa que, incluso con todas permanentemente encendidas, el lector no tendrá ningún aumento sensible en su cuenta de energía.
Otra ventaja del uso de lámparas de bajísimo consumo es la posibilidad de que sean accionadas directamente sin la necesidad de usar sensores especiales.
El simple contacto de la punta de un hilo con el agua es suficiente para encender la lámpara de neón.
Para los lectores que utilizan agua de pozo o cisterna bombeada para cajas en niveles más altos o aún que poseen dos o más cajas haciendo la transferencia del líquido por medio de bombas, la posibilidad de monitorear en cualquier instante el nivel con un sistema simple de bajo costo es muy interesante.
COMO FUNCIONA
Las lámparas de neón necesitan una tensión del orden de 80 voltios para encender, pero una vez encendidas, no consumen prácticamente ninguna energía pues la corriente circulante por el gas ionizado es extremadamente baja.
Así, incluso la corriente muy débil que circula por la punta de un hilo descascarado en contacto con el agua de un depósito es suficiente para encender este tipo de lámpara.
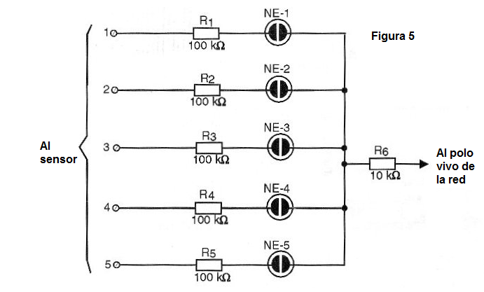
Lo que hacemos en este proyecto es posicionar cada sensor a un nivel diferente y conectar a él una lámpara de neón con una resistencia para limitar la corriente a un valor seguro. Este resistor es muy importante para no electrificar el agua por el contacto con el hilo lo que podría ser extremadamente peligroso, causando choques, ya que el circuito es alimentado por la red de energía.
Con un resistor de valor muy alto, la corriente queda limitada a un valor que no causa choques y, por lo tanto, no presenta peligros.
La alimentación se realiza directamente a través de la red de energía, específicamente por el polo vivo.
MONTAJE
En la figura 1 tenemos el diagrama completo de este indicador de nivel.
En la figura 2 tenemos la disposición de los componentes en una placa de circuito impreso.
En realidad, como se utilizan pocos componentes, hasta la placa de circuito impreso puede ser dispensada, montando los componentes en terminales aislados u otro recurso cualquiera.
Los hilos que van hasta el conjunto del sensor deben ser flexibles y aislados, pero pueden ser finos y largos, de hasta más de 20 metros, ya que en las aplicaciones normales el sistema indicador quedará lejos del sistema sensor. Los sensores deben montarse en contacto con el agua del depósito.
Los hilos del sensor deben ser rígidos y tener longitudes según la variación del nivel de agua que se desea monitorear.
El hilo más corto se corresponde con el depósito lleno, mientras que el más largo corresponderá al nivel mínimo o vacío.
Las puntas de los hilos sensores se descascar en aproximadamente 1 cm para hacer contacto con el líquido.
Importante: utilice este sistema sólo para el agua.
Las lámparas de neón son del tipo NE-2H o equivalentes de terminales paralelo.
En la figura 3 damos una sugerencia de panel indicador con las lámparas directamente en él fijadas. Vea que la cantidad de lámparas usadas depende exclusivamente del lector.

Los resistores pueden tener valores entre 100 k ohms y 470 k ohms de cualquier disipación. Los valores no son críticos, pero no pueden ser menores de 100 k ohms para todos, menos R6, por medida de seguridad.
En la figura 4 damos el modo de hacer la identificación del polo vivo de la toma o red de energía donde debe ser alimentado el circuito indicador.
Vea que este aparato no necesita tener los dos polos conectados a la alimentación pues el otro es el propio líquido del depósito en conexión con la tierra.
En el indicador de polo vivo, el resistor en serie con la lámpara de neón debe ser de 220k a 1 M ohms para evitar choques.
Una vez montado el aparato es sólo hacer su instalación.
NE-1 a NE-5 - lámparas neón NE-2H o equivalentes
R1 a R5 - 100 k ohms x 1/4 W - resistores
R6 - 10 k ohms x 1/4 W - resistor
Varios:
Placa de circuito impreso, caja para montaje, material para sensores, hilos, soldadura, etc.





