Una técnica más avanzada en la realización de montajes es el uso de la placa de circuito impreso. Esta placa, a la vez de servir para colocar y fijar en ella los componentes, lleva grabada o impresa unas líneas de cobre, las cuales sirven como unión de distintos componentes, formando así el circuito deseado.
Una montaje en placa de circuito impreso es mostrada en la figura 1.

La placa suele ser de fibra de vidrio. Tiene por una de sus caras una lámina de cobre de distinto grosor, dependiendo del circuito que se vaya a realizar en ella. Este lado de la placa va a formar la parte conductora del circuito.
También existen placas con las dos caras de cobre.
Para cada circuito que se vaya a montar, las líneas de cobre tendrán una disposición determinada, correspondiente a ese circuito. Se planifica la disposición de los componentes y se diseñan las líneas de modo que correspondan al circuito real, como se indica en la fig. 2.

Cuando se realizan y diseñan montajes por primera vez en este tipo de placas, suele resultar difícil proyectar el circuito que irá en la placa a partir de su diagrama. Para esto, se exige el conocimiento del tamaño y formato de los componentes, una interpretación de los símbolos y también cierta práctica para evitar líneas de conexión muy largas.
El principiante puede, en un principio, copiar circuitos ya existentes y comenzar desarrollando otros donde intervengan pocos componentes, hasta adquirir cierta práctica en su realización.
Realización de una placa de circuito impresa
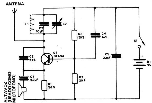
Para ensenar al lector a realizar su propia placa vamos a partir de un circuito bastante interesante. Consiste en un transmisor de FM, mediante el cual podamos transmitir nuestra voz y ser recogida a su vez en un receptor de FM.
Su esquema es el de la fig. 3 y puede optar por realizar el montaje o aprender simplemente cómo se ejecuta el circuito impreso. La realización de los futuros circuitos será la misma.

Para lograr en la placa de circuito impreso este transmisor, lo primero que precisamos es proveernos del material básico:
a) Una placa virgen para circuito impreso del tamaño correspondiente al proyecto. Se puede adquirir más grande y posteriormente cortarla al tamaño adecuado. Una placa se considera virgen cuando no existe nada grabado en la cara de cobre, cuya superficie estará totalmente lisa y limpia.
b) Un rotulador para circuito impresa. Este rotulador es un tanto especial, ya que la tinta que contiene y con la que se van a dibujar las líneas que forman las pistas no es atacada por el ácido que utilizaremos posteriormente en su realización.
c) Una bandeja con la solución corrosiva a utilizar. La solución puede adquirirse ya preparada o podemos realizarla nosotros mismos mediante la mezcla adecuada de las sustancias que la componen. Si Io hacemos nosotros, la mezcla se debe remover con un utensilio de madera para conseguir una perfecta dilución. No utilice nunca Un metal, ya que le atacaría el ácido. Con la misma solución se pueden realizar varias placas.
d) Una taladradora para hacer los agujeros donde colocaremos los componentes.
di)
Realización de una placa
1) Partiendo del diseño básico mostrado en la fig. 4 que corresponde a la placa vista por abajo (lado de cobre), se copia a lápiz en una hoja de papel vegetal.

2) A continuación, mediante cinta adhesiva, la placa virgen ya cortada a su tamaño real se sujeta sobre una base de madera así como la copia del diseño del circuito, como se ve en la fig. 5.

3) Después, usando un puntero y un martillo, se marcan con un leve golpe los puntos correspondientes a los agujeros donde se colocarán los componentes, como vemos en la figura anterior. Todo esto, sobre el lado de cobre de la placa.
4) Se retira el papel usado como modelo y se unen los distintos puntos mediante un rotulador, dibujando las líneas que forman las pistas exactamente igual a la muestra de papel. Este rotulador debe ser de tinta especial, como ya vimos anteriormente. Fig. 6

5) Terminado el diseño, se introduce la placa en el bano de ácido, removiéndola o agitándola suave- mente, de modo que el ácido ataque por igual y más rápidamente a toda la parte de cobre. El tiempo que tarde en desaparecer el cobre dependerá del grado de pureza de la solución. Cuantas más placas realicemos con el mismo baño más tardará en atacar al cobre, ya que su poder de corrosión habrá disminuido.
Verifique si el cobre de las partes no pintadas va desapareciendo poco a poco. Para ello, levante de vez en cuando la placa del baño. Procure no tocar la solución con los dedos o derramarla, pues mancha bastante. Si cae en la piel, lávese con agua corriente.
6) Terminada la corrosión del cobre, lave la placa con agua y con algún disolvente, por ejemplo acetona. A continuación, y una vez seca, se pasa un estropajo de acero fino para quitar la tinta y dejar al descubierto las tiras de cobre que forman el circuito impreso y que habíamos dibujado anteriormente.
Comprobar si existe alguna imperfección en el mismo, como alguna pista cortada o unida, lo cual provocaría que el circuito montado no funcionase.
7) Por último, con un taladro pequeño y una broca fina se realizan los agujeros necesarios para colocar y fijar los componentes.
Después de esta operación la placa queda lista para su montaje. Bastará con ir colocando cada componente en su sitio correspondiente e ir soldando el mismo por el lado del cobre, como se indica en la fig. 7.

En otro artículo de este sitio usted encontrará el proyecto completo del transmisor de FM.



