Un instrumento musical de juguete era lo que faltaba en nuestra selección de montajes. Los 5 lectores que gustan de este tipo de montaje ya no necesitan preocuparse aquí va un interesante y sencillo juguete musical electrónico para que usted pueda tomar canciones simples.


No se trata de un órgano de verdad, pues para ello necesitaríamos muchos componentes que en total tendrían un costo muy alto. Lo que damos al lector es un juguete electrónico musical, un mini-trono con 7 notas que puede incluso tomar algunas canciones más simples, dependiendo de la habilidad y del oído del lector.
Cada una de las notas de este órgano puede ser afinada independientemente, lo que facilita mucho la ejecución de canciones por parte de los que posean alguna sensibilidad musical.
La alimentación del circuito se realiza con sólo dos pilas pequeñas de gran durabilidad en este juguete. El sonido sale alto y claro en un pequeño altavoz.
En la figura 1 tenemos una sugerencia de caja para este juguete.

Ver que hay varias posibilidades para el teclado, siendo la mejor la que hace uso de pequeños interruptores de presión. Estos interruptores deben ser blandos para facilitar la ejecución de cualquier pieza sin esfuerzos del músico y evitando así fallas.
Como funciona
La nota de un órgano electrónico depende de su frecuencia, es decir, del número de vibraciones en cada segundo.
Para producir electrónicamente estas notas tenemos que generar señales eléctricas cuyas frecuencias correspondan. Esto se logra a través de un circuito denominado oscilador de audio.
Nuestro oscilador lleva sólo dos transistores complementarios en una configuración ya usada en otros montajes (figura 2)

Los dos transistores se acoplan directamente para formar un pequeño amplificador en el que la entrada es en la base del primer transistor y la salida en el colector del segundo.
Entre estos dos puntos existe un circuito de realimentación cuyo componente principal es el capacitor C1.
Este capacitor junto con el resistor R1 determina la frecuencia del oscilador y, por lo tanto, la nota que produce.
Para tener todas las notas de la escala, o por lo menos de una octava que son 7, lo que hacemos es mantener C1 a fijo e intercambiar R1.
Para ello hacemos un teclado con 7 llaves cada una pudiendo colocar en un instante un R1 diferente.
Este R1 de cada clave en realidad son trimpots, es decir, resistores que pueden tener sus valores alterados. Con eso, moviendo en cada trimpot podemos ajustar la resistencia para nota. Este es el proceso de afinación.
Ver el lector que, como tenemos sólo un oscilador, cambiando sólo el resistor en cada tecla, no podemos presionar dos teclas al mismo tiempo. Si eso se hace no tendremos dos notas pero una sola que no corresponde a ni una ni otra.
Este órgano de juguete no sirve para dar acordes, por lo tanto.
La alimentación del circuito se realiza con dos pilas y el sonido sale bastante alto en un altavoz.

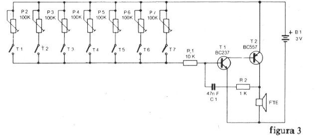
En la figura 3 tenemos el diagrama completo del órgano.

En caso de dificultades con la obtención de los componentes usados, el lector debe consultar la lista de equivalencias al final de esta edición.
La placa de circuito impreso es la dada como regalo en esta edición. Si el reproductor ya la utilizó en otro montaje debe proporcionar una copia. Para ello debe tener los recursos para su elaboración a partir de los dibujos.
La disposición de los componentes en la placa y fuera de ella se da en la figura 4.

Algunos cuidados son muy importantes en la realización del montaje. El lector debe seguirlos:
a) Véase bien la posición de los transistores en la placa y cuidado para no intercambiarlos, pues los tipos usados son diferentes.
b) Los resistores tienen sus valores dados por las bandas coloreadas. Compruebe la relación de material.
c) El único capacitor C1 determina el rango de frecuencia del órgano. Si el reproductor desea sonidos más agudos puede usar uno de 33 o 39 nF y si desea más graves puede usar de 56 o 68 nf. Se pueden probar valores hasta 100 nF.
d) La conexión de los trimpots se realiza en un pedazo de puente de terminales. Compruebe las conexiones de los cables a la placa.
e) Los interruptores del teclado se conectan mediante pedazos de hilo.
f) En la conexión del soporte de pilas tenga cuidado de no cambiar la polaridad de los cables.
Terminar el montaje encajando todo en la caja, y fijando el altavoz.
Prueba
Para probar el órgano de juguete de 7 notas basta colocar las pilas en el soporte.
Después presione una de las teclas y ajuste el trimpot correspondiente hasta que haya sonido continuo en el altavoz.
Ver si apretando todas las teclas y moviendo los trimpotes correspondientes hay la emisión de sonido.
Uso
Antes de usar su órgano de juguete de 7 notas usted debe afinarlo. Para ello ajuste cada nota apretando el interruptor y moviendo el trimpot. Es conveniente que alguien que toque algún instrumento haga eso.
Después es sólo tocar. La habilidad de cada uno en la ejecución de música dependerá de muchos factores como, por ejemplo, el entrenamiento, la facilidad para tocar otros instrumentos, etc.
Posibles fallos
Si no se obtiene ningún sonido de su órgano de 7 notas, compruebe:
a) la posición de los transistores y si no hubo su cambio
b) la polaridad y el estado de las pilas
c) Las conexiones del teclado si no están equivocadas o sueltas
d) la continuidad del altavoz
e) las conexiones de todos los componentes.
T1 - BC237 o equivalente - transistores NPN
T2 - BC557 o equivalente - transistores PNP
P1 a P7 - 100 k - trimpots comunes
Ts1 a Ts7 - interruptores del teclado (ver texto)
B1- 3 V - batería - 2 pilas pequeñas
FTE - altavoz de 8 ohms
R1 - 10 k x ¼ W - resistor (marrón, negro, naranja)
R2 - 1 K x ¼ W - resistor (marrón, negro, rojo)
Cl - 47 nF o 0,05 uF - capacitor de cerámica o poliéster
Placa de circuito impreso universal
Caja de montaje
Soporte para 2 pilas pequeñas
Teclado (ver texto)
1 metro de alambre
soldadura



