Dos pequeños puntos de luz roja que parpadean alternativamente forman este indicador de juguete. Usted puede dejarlo conectado en la ventana de su casa para avisar a sus colegas que están en casa.


Este indicador portátil sirve para muchas cosas. Usted puede usarlo como juguete combinando con los compañeros que lo dejará encendido en su ventana si está en casa o para avisarles de algo combinado.
Puede dar a los niños para decorar una bicicleta como luz de alerta y en muchos otros casos.
Su circuito es muy simple usando sólo dos transistores. Las lámparas en realidad no son lámparas, sino dispositivos luminosos de estado sólido, es decir, LED que tienen una duración prácticamente ilimitada y son mucho más robustos que las lámparas comunes.
El montaje de este juguete no ofrecerá problemas a los lectores.
Como funciona
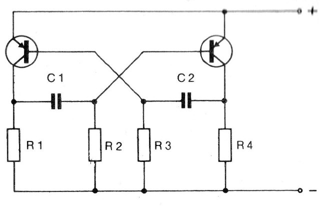
Lo que tenemos en este circuito es un multivibrador asequible con dos transistores PNP, como muestra la figura 1.

En este circuito los dos transistores se conectan a la desconexión alternadamente a una velocidad que depende tanto de los capacitores C1 y C2 como de los resistores R1 y R2.
En nuestro caso, estas resistencias se calculan para que los intermitentes sean del orden de 1 a cada uno o dos segundos o poco más.

Los lectores que quieran pueden aumentar la velocidad de los intermitentes con la reducción de C1 y C2 a 22 o 47 uF o disminuir con el aumento de estos componentes a 220 o incluso 470 uF.
Los resistores en serie con los LED determinan su brillo. Sus valores también se pueden cambiar desde que se mantienen en el rango de 220 ohms hasta 1 k.
Importante en este circuito son los LED que funcionan como pequeñas lámparas de estado solido emitiendo luz roja en la conducción de corriente.
Estos componentes se polarizan lo que quiere decir que su conexión en el aparato debe obedecer la polaridad.
De nuevo no usamos el interruptor general, ya que el consumo de energía no es demasiado alto, y cuando las baterías se retiran de su soporte.
Los LED más comunes son los rojos, de bajo costo, pero si el reproductor quiere un efecto más colorido, puede utilizar LED verde o incluso amarillo.
Observamos también que este circuito funcionará bien también con una tensión de alimentación de 6V. Con mayor tensión los resistores R1 y R4 deben ser aumentados.
Montaje
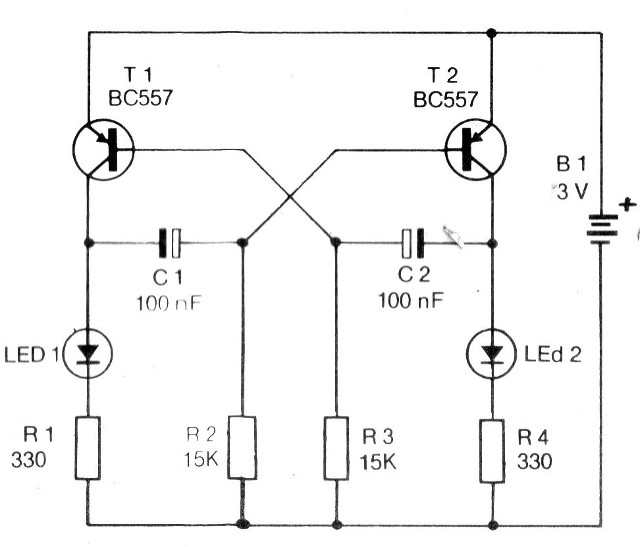
En la figura 2 damos el circuito del intermitente indicador.

Las dificultades con la obtención de los componentes pueden resolverse fácilmente después de la consulta a la sección de equivalencias al final de esta edición.
La placa de circuito impreso usada es la universal dada como regalo en esta edición. Si ya se ha utilizado en otra aplicación, el lector debe preparar otro usando para ello su laboratorio de circuitos impresos.
En la figura 3 mostramos la colocación de los componentes en esta placa así como los componentes externos.

Los principales cuidados que el montador debe tomar durante el montaje para que su aparato funcione satisfactoriamente son:
a) vea bien la posición de los dos transistores. Tenga cuidado de no invertirlos porque esto afectará el funcionamiento del parpadeante.
b) Los valores de las resistencias se basan en los colores de las bandas que deben afrontar con la lista de materiales.
e) Los capacitores electrolíticos tienen polaridad que debe ser seguida en su colocación en la placa. Cuidado para no invertirlos.
d) Los LED (diodos emisores de luz) también tienen polaridad que es dada por el pequeño aplanamiento en su parte plástica. Ver la posición en la que se encuentran en el montaje.
e) Al conectar el soporte de las pilas observe bien su polaridad. Si hay inversión, el aparato no funciona.
Complete el montaje con la verificación de las soldaduras y la instalación del aparato en la caja. (figura 4)

Prueba
Para probar el aparato es sólo colocar las pilas en el soporte siguiendo su posición y verificar si los LED parpadean alternativamente. Si esto sucede es porque todo está en orden.
Uso
No hay que decir en relación al uso. Como indicador basta dejar los LED parpadeando donde puedan ser bien vistos.
Una sugerencia es como recordatorio. Déjelo parpadeando junto al bloque de recados y nadie dejará de verlo.
Posibles fallos
Si los LED no parpadean como se esperaba, debe comprobar:
a) las posiciones de los transistores si no están invertidas.
b) las posiciones de los LED. Tenga cuidado, no pruebe los LED en las pilas, ya que se encienden directamente. Para probar los LED, conecte los terminales del colector y de emisor de cada transistor. El LED correspondiente debe encenderse.
c) la polaridad de las pilas y su contacto en el soporte.
d) las soldaduras de todos los componentes.
T1, T2 - BC557 o equivalente - Transistores PNP
LED1, LED2 - diodos emisores de luz, LED rojos comunes
C1, C2 - 100 uF x 6 V - capacitores electrolíticos
B1 - 3 V - 2 pilas pequeñas
R1, R4 - 330 ohms x l / 4 W - resistores (naranja, naranja, marrón)
R2, R3 - 15 k x ¼ W - resistores (marrón, verde, naranja)
Placa de circuito impreso universal
Caja de montaje
Soporte para 2 pilas pequeñas
1 metro de alambre
soldadura



