¿Qué es lo que el lector puede repeler con este aparato? ¡Es una buena pregunta! Insectos, personas "chatas", etc. es la respuesta que podemos dar. Evidentemente, la idea de que los aparatos electrónicos pueden realmente rechazar ciertos tipos de insectos necesita ser mejor investigada y el lector puede perfectamente el ocio eso.


La idea de que los ruidos de ciertas frecuencias pueden repeler ciertos tipos de insectos como, por ejemplo, los mosquitos, los muñecos, los pernilongos (Como llaman en Brasil.) y otros no es nuevo. En realidad, algunas empresas ya han lanzado en el mercado repelentes electrónicos, que nada más son que circuitos osciladores que producen un "silbato" que según se afirma tendría la propiedad de ahuyentar a los insectos.
La comprobación de la eficiencia de tales repelentes aún no existe, de ahí existir muchas controversias respecto a su venta al público, incluso con quejas de muchos que al comprarlo verificaron que su funcionamiento no era el esperado.
No pretendemos afirmar que este aparato repelente realmente insectos, eso queda por cuenta del montador, pero podemos garantizar una cosa: él apita y eso podrá ser verificado.
Es claro que este silbido constante e irritante tiene realmente algunas propiedades repelentes que el lector no puede negar. Deje que se encienda durante horas a su lado y vea si usted puede estar cerca de él ...
Déjelo junto a un amigo "aburrido" que usted verá que fácilmente el ruido le perturbará a punto de que se aleje de allí ...
El montaje del repelente (sea allá de lo que sea ...) es muy simple.
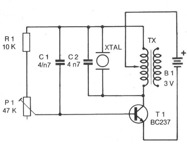
Como funciona
Si los pitos continuados rechazan no sabemos, lo que sabemos es cómo producir pitos continuos y eso es lo que explicaremos al lector.
Para producir un sonido continuo en un pequeño cristal lo que necesitamos es un oscilador, como muestra la figura 1.


Este oscilador lleva un transistor NPN que es su elemento activo, y más algunos componentes que determinan sus condiciones de funcionamiento.
Así, el transformador Tx determina junto con C2 la frecuencia del sonido que debe ser producido.
Esta frecuencia también se puede ajustar en el trimpot P1 cuya finalidad es obtener un sonido agudo que sea irritante a quien se desee repeler.
El sonido sale en un cristal de micrófono que se puede comprar con facilidad en las casas especializadas. El uso de este cristal es explicado por el tipo de sonido que se desea. El cristal es más apropiado para producir un sonido agudo, y también tiene menores dimensiones que un altavoz común.
Importante es observar que este cristal presenta cierta sensibilidad al calor y humedad debiendo ser protegido contra eso.
El aparato se alimenta con 2 pilas pequeñas y no necesita un interruptor general. Sólo tiene que sacar las pilas del soporte cuando esté fuera de uso.
Montaje
El circuito completo del repelente se muestra en la figura 2.

Para los que tienen dificultades para obtener todos los componentes de este montaje sugerimos que la parte final de esta edición sea consultada, pues allí hay informaciones útiles.
La placa usada es la universal dada como regalo en esta edición. Los lectores que ya la utilizaron en otra aplicación deben retirar una copia del dibujo suministrado.
En la figura 3 tenemos la disposición de los componentes en la placa de circuito impreso.

El éxito del montaje depende de algunos cuidados que deben ser tenidos en cuenta por el lector. Estos cuidados son:
a) Véase bien la posición de los terminales del transistor en su colocación. Observe de qué lado queda su parte aplanada. No lo invierte.
b) El único resistor tiene los anillos marrón, negro y naranja, en este orden, siendo el cuarto anillo, si existe despreciado pues se refiere sólo a la tolerancia.
c) Al soldar los capacitores tenga cuidado para que el calor del hierro no los afecte. Ver sus valores.
d) El transformador es soldado en la placa por sus terminales. Cuidado con este componente que es delicado. Vea que dos de los terminales de este componente permanecen libres.
e) El trimpot, de ajuste es soldado en la propia placa. Los agujeros para su colocación deben ser ensanchados. Existe la posibilidad del montador de usar un pote común en este caso.
f) El cristal (cápsula de cristal de micrófono o auricular) se conecta al circuito por dos pedazos de hilo común. Los hilos deben tener unos 10 o 15 cm ya que el transductor XT AL deberá ser fijado en la caja.
g) En la conexión del soporte de pilas el ensamblador deberá prestar atención para no cambiar su polaridad.
Complete el montaje con los retoques de las soldaduras y la colocación del conjunto en la caja.
Esta caja para uso portátil es sugerida en la figura 4.

Importante es proteger el cristal contra el sol y la humedad, ya que puede verse afectado por estas condiciones.
Prueba
Para probar el repelente basta con colocar las pilas en el soporte prestando atención a su posición.
Ajustando el trimpot P1 se debe obtener un silbido continuo en el cristal. La tonalidad de este sonido puede ser modificada por el cambio de C1 o de C2.
Para apagar el aparato basta con retirar las pilas del soporte.
Uso
Para utilizar el aparato, basta con dejarlo encendido. El sonido continuo del silbato debe espantar lo que o quien esté cerca. Elegir el sonido propio para cada tipo de "plaga" es una tarea que corresponde al montador de búsqueda.
Posibles fallos
Si su repelente no pite las posibles causas pueden ser:
a) transistores conectados incorrectamente
b) la inversión de las pilas o su mal estado
c) problemas con el cristal
d) falta de continuidad del transformador
T1 - BC237 o equivalente - transistores NPN
XTAL - auricular de cristal o cápsula de cristal de micrófono
P1 - 47 k - potenciómetro simple común o trimpot
TX - adaptador de salida miniatura 1 k x 8 ohms
B1 - 3V - 2 pilas pequeñas
R1 - 10 k x ¼ W - resistor (marrón, negro, naranja)
C1, C2 - 4n7 o 0,005 uF - capacitores cerámicos o poliéster
Placa de circuito impreso universal
Caja de montaje
Soporte para 2 pilas pequeñas
botón para el potenciómetro (si se utiliza)
1 metro de alambre
soldadura



