Un sonido diferente, variable como de las sirenas de policía será logrado con este oscilador transistorizado. Son tres transistores y una alimentación de 6 V v para proporcionar un buen sonido en un altavoz común.


Si el lector tiene hijos o sobrinos, podrá usar esta sirena en una bicicleta, carritos de juguete o simplemente para distraerlos con su sonido.
El sonido variable de esta sirena recuerda lo producido por las fábricas y también por los carros de policía. El montaje es simple y compacto. El funcionamiento de la sirena es muy simple, así como el montaje porque se utilizan componentes comunes y en pequeña cantidad. Para hacer el accionamiento de la sirena basta presionar por unos instantes un botón.
Como funciona
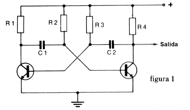
La base de la sirena es un oscilador de audio del tipo multivibrador con dos transistores. Esta configuración se encuentra en otros montajes de este libro.
Los dos transistores conducen alternativamente la corriente de modo que, cuando uno está conectado el otro no está. El cambio de estado continuamente de los dos transistores se logra gracias al interacoplamiento con dos transistores, como muestra la figura 1.

Son estos capacitores C1 y C2 que, junto con R2. y R3 determinan la frecuencia o velocidad del intercambio de sonidos y, por lo tanto, el tipo de sonido que se producirá.
Si R2 o R3 han cambiado, también tendremos una alteración del sonido producido por el multivibrador.
El sonido de sirena es variable, de modo que tenemos un circuito adicional justamente controlando R2 o R3 para modificar la frecuencia. Se trata de una resistencia adicional y un capacitor conectado al circuito por un interruptor de presión. (Figura 2)

Cuando presionamos el interruptor el capacitor se carga lentamente por el resistor de 22 k de modo que la tensión sube al resistor del multivibrador teniendo como efecto una subida de la frecuencia del sonido producido. Y como si la sirena "acelera" si hacemos una comparación con los tipos que usan motor.
Al soltar el interruptor de presión se produce la descarga del capacitor y, por lo tanto, el efecto es contrario. Tenemos la disminución de la "velocidad" de la sirena.
En la subida de velocidad tenemos el sonido tendiendo hacia lo agudo y en el descenso el sonido tendiendo hacia lo grave.
La amplificación del sonido es hecha por el tercer transistor que tiene en su emisor el altavoz.
El lector puede modificar el comportamiento de su sirena por el cambio de algunos componentes en el circuito final.
Así, C1 controla el tiempo de ascenso y descenso, pudiendo ser cambiado por valores entre 47 uF para una subida y bajada más rápida, hasta 220 uF para una subida y bajada más lenta.
Ya, C2 y C3 pueden ser cambiados por valores como 27 nF o 33 nF si el lector desea un sonido más agudo para su sirena, o 100 nF si el reproductor desea un sonido más grave.
Montaje
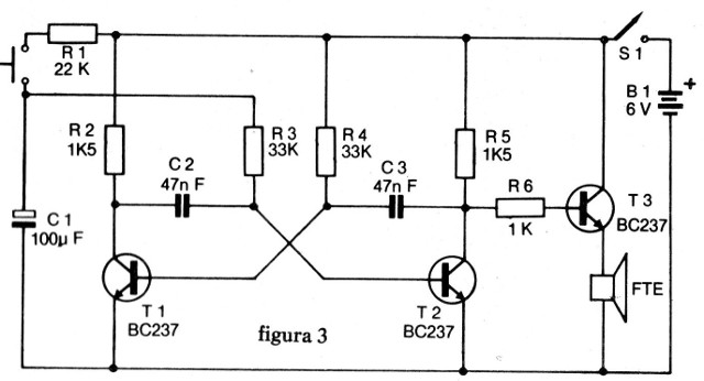
El circuito completo de la sirena se da en la figura 3.

Los montadores deben consultar las posibles equivalencias al final del libro, principalmente si tienen dificultades con su obtención.
La placa usada es la universal dada como regalo en esta edición. Evidentemente, si el lector ya la utilizó para otro montaje debe tomar una copia del patrón suministrado.
La disposición de los componentes sobre la placa con las conexiones que se deben hacer se muestra en la figura 4.

Como siempre, ciertos cuidados deben ser tomados con la colocación de los componentes en la placa para que todo salga bien. Ve entonces la secuencia:
a) coloque los transistores en las posiciones correctas, mirando bien para qué lado queda su parte aplanada. La soldadura debe ser hecha con soldadura de buena calidad y rápidamente.

b) compruebe bien los valores de los resistores, confrontando la lista de material con los componentes usados.
c) En la soldadura de los capacitores tenga cuidado con la polaridad de C1. Véase bien el marcado en su envoltorio. Para C2 y C3 sea rápido ya que son sensibles al calor.
d) El interruptor de presión (un simple botón de timbre) se conecta mediante dos hilos. Los hilos deben tener unos 10 cm para facilitar la posterior fijación del conjunto en la caja.
e) la conexión del altavoz también se hará con dos pedazos de hilo común. La longitud dependerá de la disposición del conjunto dentro de la caja.
f) para conectar la batería (soporte de pilas) es necesario tener cuidado para no cambiar la polaridad de los cables. Preste atención: rojo (+) y negro (-).
Completa el montaje cortando los excesos de las terminales y fijando todo en el interior de la caja de madera. Después de listo el aparato debe quedar como muestra la figura 5.

Las pruebas de funcionamiento se efectúan de la siguiente manera:
pruebas
Coloque cuatro pilas en el soporte y encienda S1. Después presione S. El sonido inmediatamente debe comenzar grave e ir aumentando a lo agudo. Soltando el interruptor S el sonido debe volver hasta el grave y luego parar.
Importante para obtener una buena calidad de sonido es el altavoz. Los altavoces que ofrecen mejores resultados son los de 10 cm, en los que la calidad del sonido y el volumen son satisfactorios.
El montaje en una caja de material acústicamente favorable permite aumentar la intensidad del sonido.
Uso
Para usar no hay secreto: es sólo apretar S. La fijación en una bicicleta u otro juguete puede ser hecha de diversos modos.
Posibles fallos
Si la sirena no funciona, los puntos que se deben comprobar son:
a) la polaridad del soporte de pilas y el estado de las pilas
b) la conexión y el estado de los transistores
c) la conexión de los capacitores
d) los contactos entre los distintos hilos y componentes
e) el estado de las soldaduras que pueden estar frías o dispersas
T1, T2, T3 - BC237 o equivalente - transistores NPN
Cl - 100 uf x 6 V - capacitor electrolítico
C2, C3 - 47nF - capacitor de cerámica o poliéster
R1 - 22 k x ¼ W - resistor (rojo, rojo, naranja)
R2, R5 - 1k5 x ¼ W - resistores (marrón, verde, rojo)
R3, R4 - 33 k x ¼ W - resistores (naranja, naranja, naranja)
R6 - 1k x ¼ W - resistor (marrón, negro, rojo)
S - Interruptor de presión (botón de timbre)
S1 - Interruptor simple
B1 - 6 V - 4 pilas pequeñas
FTE - altavoz de 8 ohms
Placa de circuito impreso universal
Caja de montaje
Soporte para 4 pilas pequeñas
1 metro de alambre
Soldadura



