Proteja su casa, comercio o industria con esta alarma de simple construcción, que todavía puede servir de base como un excelente trabajo para alumnos del curso técnico. Muy sensible, dispara temporalmente un sistema de advertencia.
La alarma con temporización que describimos utiliza como sensor un LDR común y tiene una excelente sensibilidad.
Cuando un intruso corta el haz de luz que incide en el LDR, el circuito de temporización entra en acción, disparando la alarma por un tiempo programado.
El circuito es alimentado por fuente o aún batería y en la condición de espera tiene un consumo muy bajo.
Los componentes usados son absolutamente comunes y de bajo costo, y la instalación es muy simple.
Como funciona
En la figura 1 tenemos un diagrama de bloques que representa la alarma que vamos a montar.

En el primer bloque tenemos un transistor amplificador que amplifica las variaciones de tensión que ocurren cuando la luz que incide en un LDR es cortada.
En este momento, el transistor conduce y hace que aparezca un pulso negativo en el segundo bloque, que consiste en un circuito integrado 555 en la configuración monoestable.
Este circuito hace el disparo determinando el tiempo de accionamiento, es decir, cuánto tiempo la alarma permanecerá disparada a partir del momento en que el intruso corta la luz.
Esta temporización se ajusta en P1 variando entre algunos segundos hasta más de 15 minutos.
Al final de esta temporización, este bloque vuelve a la condición normal de espera la alarma para sonar.
La señal de esta salida de este circuito controla un astable lento que produce la cadencia de la alarma, es decir, las interrupciones del toque de la sirena u otro dispositivo activado.
Esta cadencia se determina básicamente por C5, que puede cambiar en una amplia gama de valores.
Para controlar la carga externa la señal de este bloque va a un transistor que tiene por carga un relé.
Este relé abrirá y cerrará sus contactos a intervalos regulares mientras se produzca la temporización.
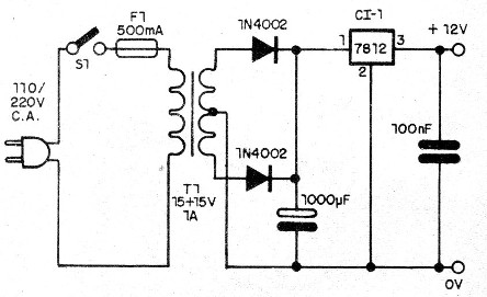
Una fuente de alimentación para el circuito se muestra en la figura 2.

Se puede mejorar el sistema con la utilización de una batería que se mantiene en carga lenta permanente.
De esta forma, la alarma continuará activa aunque el atacante corte la alimentación.
Montaje
Para un sistema de protección, debe haber una lámpara u otra fuente de luz que ilumine el LDR.
Como muestra la figura 3, podemos colocar en una cajita cerrada una lámpara con una abertura apuntada hacia el lugar donde se instala el LDR.

Podemos agregar al sistema lentes que enfocan la luz de la lámpara sobre el receptor y el receptor, una lente que concentre la luz sobre el LDR.
Con esta función es posible aumentar el alcance y así proteger un área mayor con la alarma.
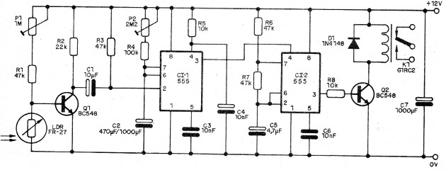
En la figura 4 tenemos entonces el diagrama completo de la alarma.

El montaje se realizará sobre la base de una placa de circuito impreso, cuyo diseño puede ser el mostrado en la figura 5.

En esta placa se prevé la utilización de un relé con zócalo DIL, pero si se utilizan otros relés, se deben realizar modificaciones.
El relé es de 12 V con bobina de 50 mA y contactos de 2 a, pero se pueden utilizar otros de cadenas mayores de contacto.
En el montaje, observe las posiciones de los diodos, circuitos integrados y transistores.
En la figura 6 damos una sugerencia de montaje con la conexión de una cigarra como elemento sonoro de la alarma.

La figura 7 muestra una fuente de alimentación que mantiene en carga lenta una pequeña batería de 12 V.

Este mismo circuito puede alimentar una sirena, entre las muchas que tenemos en este sitio.
Prueba y uso
Para probar el aparato, basta con iluminar el LDR y ajustar P1 para que la alarma no se dispare.
Coloque inicialmente P2 en la posición de mínima resistencia para que, en caso de disparo, sea por corto tiempo.
Colocando la mano sobre el LDR, para interrumpir la luz incidente, debe ocurrir el disparo de la alarma.
Una vez que el funcionamiento sea comprobado, basta con hacer su instalación en el lugar deseado.
Se debe tener cuidado de que la luz sobre el LDR sea interrumpida por el intruso.
En algunos casos, se puede trabajar con la luz ambiente, en lugar de una fuente artificial de luz.
CI-1, CI-2 - 555 - circuito integrado
Q1, Q2 - Transistores NPN de uso general
D1 - 1N4148 - diodo de uso general
LDR - LDR común
K1 - Relé de 12 V x 50 mA
P1 - 1 M - trimpot
P2- 2M2 - trimpot
R1, R3, R6 y R7 - 47 k ohms x 1/8 W - resistores - amarillo, violeta, naranja
R2 - 22 k ohms x 1/8 W - resistor - rojo, rojo, naranja
R4 - 100 k ohms x 1/8 W - resistor - marrón, negro, amarillo
R5, R8 - 10 k ohms x 1/8 W - resistor - marrón, negro, naranja
C1, C4 - 10 u F - capacitores electrolíticos
C2 - 470 uF a 1 000 uF - capacitores electrolítico
C3, C6 - 10 nF - capacitores cerámicos o poliéster
C5 - 4,7 uF - capacitor electrolítico
C7 - 1 000 uF - capacitor electrolítico
Varios: Placa de circuito impreso, hilos, caja para montaje , terminales con tornillos, etc.



